zu 1.: Max. 4, also DF0...DF3
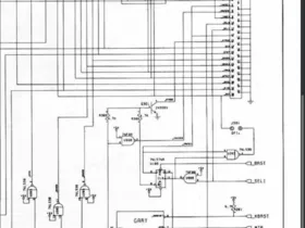
zu 2.: Im Prinzip ja, nur macht man da beim Amiga einen Trick. Alle externen Laufwerke reagieren nur auf SEL1. An der Buchse für ein weiteres Laufwerk wird dann SEL2 auf SEL1, und SEL3 auf SEL2 gelegt, SEL1 entfällt. Dadurch wird das nächste Laufwerk immer automatisch auf SEL2 reagieren, usw.