Pin 22 vom 27128 geht doch direkt in CE1 vom 2332, wenn man das ganze so betrachtet als wären sie zusammen gesteckt.
[EDIT]
habs jetzt mal so zusammen gelötet. Läuft.
Danke Gerrit
Pin 22 vom 27128 geht doch direkt in CE1 vom 2332, wenn man das ganze so betrachtet als wären sie zusammen gesteckt.
[EDIT]
habs jetzt mal so zusammen gelötet. Läuft.
Danke Gerrit
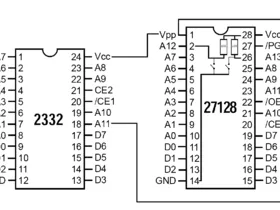
ist die Verkabelung soweit in Ordnung, oder habe ich was übersehen ?
Vielen Dank für die schnellen Antworten. ![]()
Hallo
Möchte mir gerne einen Adapter von 2332 auf 27C128 basteln. Also Char-Rom Ersatz mit 4 verschiedenen Zeichensätzten.
Leider weiß ich nicht so recht wie ich das Verkabeln muß.
Vielleicht kann mir da jemand helfen. Finde leider im Netzt nichts brauchbares.
Hänge mal ein Bild mit dran. Wäre super wenn mir das jemand einzeichnen könnte ![]()