Hallo,
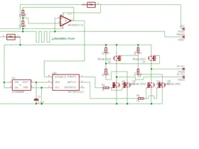
Schau dir mal die schaltung von meiner Wechselreichterschaltung mit Stomerkennung an.
Da Blase ich mit einem Opamp ein mV Signal auch auf 0/5V Pegel auf.
Der Verstärkungsfaktor ist einfach über den Wiederstandsteiler einstellbar der MCP6401 ist auch sehr gutmütig.