Beiträge von tape85 im Thema „1084S-P mit Scart Umbau“

    Hast du mal versucht, die LED fremdzuspeisen, vielleicht ist sie kaputt bzw. das Kabel hat eine Unterbrechung (meist unterm Schrumpfschlauch falls vorhanden).

    Gute Idee, hätte ich auch mal selbst drauf kommen können…


    Irgendwie öffne (und schließe) ich Geräte ja auch mindestens 2x um weitere Iterationen hin zur Perfektion erreichen zu können.
    Also die LED leuchtete bei direkter Verdrahtung, was bedeutete, dass sie definitiv nicht defekt war, ABER:

    Am Stecker (Kontakte 33 und 34 im Service-Manual) waren die Lötstellen kalt bzw. hatten sich komplett von der Platine gelöst. Der Stecker saß aber beim ersten Lösen auch sehr fest. Da die Pads (keine VIAs) dabei vermutlich komplett von der Platine abgelöst wurden, musste ich nun fädeln - diese Maßnahme war aber erfolgreich.


    Jetzt bin ich zufrieden und melde mich zurück, wenn dann irgendwann der Zeilentrafo durch ist...

    Hallo zusammen,

    da ich leider nirgendwo Antworten auf meine Fragen erhalten habe, habe ich selbst recherchiert und mich dann an die Arbeit gemacht. Damit es den Nächsten nicht so geht präsentiere ich hier gerne meine Ergebnisse.

    SCART (RGB)-Erweiterung eines Commodore 1084S-P (alte Version mit Frontschalter vorne).

    DAS HIER IST KEINE REPARATUR FÜR LAIEN (auch wenn es nur einfache Lötarbeiten sind), WER NICHT WEiß WIE MAN EINE BILDRÖHRE ENTLÄDT SOLLTE UNBEDINGT DIE FINGER VON DIESEM MOD LASSEN (GEFÄHRLICHE SPANNUNGEN IM GERÄT)!

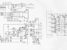
    Vorab: Es ergab sich aus meinen Recherchen, dass es vermutlich ziemlich viele unterschiedliche Bestückungen der Hauptplatinen gibt, von daher ist es in jedem Fall Pflicht, nach Schaltplan vorzugehen und für den Einzelfall zu prüfen, was bereits bestückt ist bzw. bestückt werden muss. Ich habe alle aussagekröftigen Bilder inkl. Schaltpläne in den Anhang gepackt (falls jemand ein Service-Manual benötigt, schreibt mir gerne eine Nachricht). Es funktioniert sicher auch für den 1084 ohne S, Hauptsache Philips-Modell.

    Eigentlich ist auf der Bauteilseite der Hauptplatine alles sehr gut beschriftet und kinderleicht zu finden.

    Eine BOM spare ich mir hier, wegen der unterschiedlichen Bestückungen, Ihr benötigt natürlich auf jednen Fall eine abgewinkelte SCART-Buchse für Platinenmontage. Alle weiteren Bauteile die ggf. nicht bestückt sind, sind unten nochmals angegeben. Diese Anleitung bezieht sich speziell auf meinen Fall.

    Es empfiehlt sich, zunächst alle Vias der Platine vom Zinn zu befreien / freizublasen bevor mit der Bestückung begonnen wird. Für die Faulpelze unter uns (zu denen ich in diesem Fall auch gehöre), die nicht alles komplett demontieren wollen gibt es nämlich sehr wenig Platz, weshalb die Reighenfolge überlegt sein will.

    Der Monitor wird mit 4 Gehäuseschrauben und einer Schraube zwischen den Cinch-Anschlüssen zusammengehalten, diese müssen gelöst werden. Dann kann das Rückteil abgenommen werden, indem das Lautsprecherkabel gelöst wird.

    0.) Vorbereitung: Die Halterungen oberhalb der SCART-Footprints zumindest einseitig lösen (sie sind verlötet). Dann die darunter befindlichen Kabel an den Measuring Points 2 (weißes Kabel direkt im SCART-Footprint) und 91 (rotes Kabel) werden abgelötet (am besten Fotos machen um sich zu merken, wo sie verbunden waren).

    1.) Widerstand R305 (5k6 Ohm) setzen und (rotes) Kabel auf der einen Seite dieses Widerstandes wieder anlöten (Measuring Point 91).

    2.) Bei mir ist die Verbindung 9332 vorhanden gewesen, sie brückt aber eigentlich den Widerstand R306 (5k6 Ohm). Also wurde diese Verbindung entfernt und der Widerstand dafür gesetzt.

    3.) Verbindung 9274 setzen (man kann die 9332 nehmen oder einfach weitere abgezwackte Beine der verbauten Widerstände).

    4.) Verbindung 9289 setzen.

    5.) Verbindung 9295 setzen.

    6.) R304 (15k Ohm) setzen.

    7.) R210 (390 Ohm) setzen.

    8.) R220 (1k Ohm) setzen.

    9.) R303 (22k Ohm) setzen.

    10.) R502 (100 Ohm) setzen.

    11.) Nun kann die SCART-Buchse vorsichtig eingesetzt werden. Übrig ist noch das weiße Kabel, das an den Pin der Buchse direkt angelötet werden muss, und zwar an den Pin, der elektrisch mit dem Measuring Point 2 verbunden ist (der durch die verbaute Buchse nicht mehr von oben zugänglich ist).

    12.) Die SCART-Buchse wird verlötet und anschließend die Halterung wieder festgelötet.

    13.) WICHTIG: Nochmals checken, ob alle Kabel, die Ihr ggf. gelöst habt, sich auch wieder an Ort und Stelle befinden (ich mache immer Fotos und schaue dann ob alles wieder so ist wie es ursprünglich war).

    Wenn der Monitor auf RGB geschaltet ist, sollte er nun über den SCART-Anschluss nutzbar sein.

    Bei Fragen könnt Ihr mich gerne kontaktieren.

    -------------------------------------------------------------------------------------------------------------------------------------------------------

    Hier noch ein paar Angaben zu den Widerständen aus dem Schaltplan:

    210 22 R403 39k

    R220 75 R502 100

    R303 22k R504 390

    R304 15k R530 1k

    R305 5.6k R537 4.7

    R306 5.6k R538 10k

    R307 18k R541 15k

    R308 100k R548 68

    R309 15k R545 39

    R310 47k R546 150

    R311 100k R547 39

    R312 47k R551 1.2k

    R313 15k R563 5.1k

    R314 1.5k R624 10k

    R315 15k R625 100

    R402 4.7k R626 2.2k


    PS: Leider brennt die LED meines Frontschalters nicht (keine Sorge, das Kabel ist nicht verpolt oder so, habe zumindest beide Varianten ausprobiert) - hat dafür jemand einen Tipp?

    Hi ,

    Also 2 x 5,6 KOhm auf 90 R305 und 91 R306 und die Brücke 9289 für das Composite/sync Signal und das wars, ok noch eine ScartPrint Buchse.

    Cool danke, für die Info. Habe gerade einen 1084S hier. Werde mich die Tage mal dran machen.

    Ich habe einen 1084S-P (alte Version mit Einschalter vorne an der Front) und würde die Erweiterung um eine SCART-Buchse auch gerne durchführen. Im Circuit-Board habe ich gelesen, dass zusätzlich noch

    1x 22kOhm (R303 - entnehme ich dem Schaltplan) und

    1x 390Ohm (R205 oder R208 ? - entnehme ich dem Schaltplan)

    erforderlich sind, sowie noch weitere Drahtbrücken, die in diesem Beitrag leider ebenfalls nicht bezeichnet sind (es gibt ja mehrere, die auf dem Board beschriftet sind).

    Ich löte gerne alle Brücken ein (wenn man damit keinen Schaden provoziert) und berichte von meinem Ergebnis, aber welche wirklich benötigt werden ist nicht bekannt, oder?

    Ist denn Euer Umbau (@Bitte melde dich an, um diesen Link zu sehen. @Bitte melde dich an, um diesen Link zu sehen.) jeweils erfolgreich gewesen?