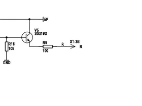
Bei der Anschaltung eines RGB Gerätes sind auf jeden Fall die Abschlußwiderstände sicherzustellen, da die Anschaltung selber keine Widerstände vom Ausgang zum Masse enthält. Ich habe mal ein Bild der Anschlußschaltung beigefügt. In meinem Fall waren 75Ohm Widerstände von R,G,B,Sync nach Masse erforderlich.