ca. 23 Grad weniger Temperatur unter last, dadurch erst 5 GHz unter 100% Auslastung möglich. Sinnlos aber ist ja nunmal Hobby
Beiträge von Werner1971
-
-
Nicht heute, aber letzte Woche mal meinen 8700K geköpft, alles gut gegangen
Beim Ebay gab es fĂĽr nen 10er so einen 3D gedruckten Adapter, Chip rein und dann langsam im Schraubstock abscheren den Deckel -
Haben früher in der Ausbildung Revox Tonbänder gehabt, die konnten auf mehreren Spuren aufzeichnen, sind zum ende meiner Ausbildung (1992) alle in den Schrott gegangen... Sünde
-
Kommt bestimmt gut in der Vitrine und vielleicht ne gute Geldanlage... Allerdings abhängig vom WAF, meine bessere Hälfte meinte mal wieder "was soll der alte schrott.."

-
Wollte das Uher 4400 eigentlich beim Ebay reinsetzen, angefixt durch die guten Preise die dort geboten werden. Aber beim reinigen wurde es mir irgendwie sympathisch und nun versuch ich es mal selbst fertig zu machen.
Ist wirklich wunderschön, stand leider die letzten 10 Jahre (oder länger?) im Keller , schlicht vergessen. -
Heute mal an richtig alter Technik versucht, ein Uher 4400 Report Monitor Tonband.
Gummis haben sich alle aufgelöst, erstmal gründlich gereinigt und zwischen den tagen mal versuchen Ersatz zu bekommen.Bitte melde dich an, um diesen Anhang zu sehen.Bitte melde dich an, um diesen Anhang zu sehen.
-
Die Frage ist ja auch was bringst Du an Kentnissen bezüglich Programmiersprache mit..? Nützt ja noch nicht viel den Drehschalter an die GPIOs vom Controller zu hängen.
Welcher art sollen die Augänge der Schaltung sein, willst Du einen Transitor ansteuern oder ein Relais anziehen..? Dann brauchst Du natürlich auch geeignete Ausgangstreiber,
der AVR bringt ja nur geringen Strom bzw. nur eine geringe Spannung. Paar mehr Details wären von Vorteil.. -
Moin,
meinst Du mit Drehschalter einen "richtigen" mechanischen Drehschalter oder einen Dreh Encoder?
Wenn Du einen richtigen Drehschalter hast, kannst Du tatsächlich ein entsprechend programmiertes Eprom
verwenden und die Ausgänge vom Drehschalter auf die Adress Eingänge vom Eprom legen, Pullup Widerstände
nicht vergessen und Steuerleitungen des Eproms wie /CS, /OE ggf auf Masse legen.
FĂĽr Fall2 wirst Du an einem Mikrocontroller nicht vorbeikommen, der bringt auch gleich ein EEprom
mit, um die letzte Einstellung nach Powerdown wieder herzustellen.
Ich wĂĽrde in jedem Fall einen Mikrocontroller verwenden, schneller Programmiert/Umprogrammiert
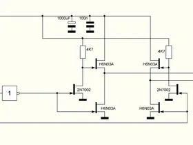
und auch wesentlich flexibler als so ein olles Eprom. Ich hab noch ne alte Schaltung aus der Zeit vor
Mikrokontrollern angehängt, da wurde eine Audioumschaltung über Drehschalter und Eprom gemacht. -
Viel zu viel Wärmeleitpaste...
-
Falls die Lampe an einer Konstanstromquelle betrieben wird kannst auch einfach die Pads der fehlenden
LED ĂĽberbrĂĽcken, dann sollten die verbleibenden 2 LEDs mit normaler Helligkeit weiterleuchten.
Evtl. ist ja im Gehäuse der Lampe schon ein Konstantstromquelle eingebaut, gibt das Bild leider nicht her.. -
Meist ist der vergossene Pin nicht massiv mit Kunststoff gefĂĽllt, sondern nur so eine Art dickere Haut, kann man leicht freilegen mit einer Nadel oder kleinerem Bohrer. Der Pin ist eigentlich unbelegt und dient nur dem Verpolungsschutz.
-
Beim 4000er ist es SMD, der hier sollte passen:
Bitte melde dich an, um diesen Link zu sehen. -
Wenn die Uhr nicht läuft, die Zeit aber gespeichert bleibt, sollte die Anbindung vom RTC Chip ja zumindest vorhanden sein und laufen. Würde dann vermuten, dass der Takt der Uhr nicht läuft, also mal den Quarz und die zugehörigen Kondensatoren inkl. der Leiterbahnen überprüfen. Falls Scope vorhanden, mal gucken ob er schwingt.. Oder evtl .Multimeter mit Freq.Zähler..
-
Hmm, spontaner erster Gedanke : Neuen Akku falsch herum eingebaut (Poloarität) ?
-
Nein nicht 9V Spitze Spitze, es sind 9V AC also 9V Effektivspannung. Spitze Spitze sind es ca. 9V *1,41 .
Bei Spitze Spitze 9V * 1,41 * 2
-
hier ganz gut beschrieben:
Bitte melde dich an, um diesen Link zu sehen.) -
Moin,
klingt nach Dauerreset, ist hier ganz gut beschrieben : Bitte melde dich an, um diesen Link zu sehen. -
Ok, ich hätte glaubhaft in Tüddelchen setzen sollen.. Letztendlich reicht ein Aufkleber eh nicht, die CE Kennzeichnung muss untrennbar mit dem Gerät/Gehäuse verbunden sein.
Mit "ich hab hier noch ne 100m Rolle CE Aufkleber" wurde wohl zuviel Schindluder getrieben
-
Wichtig in diesem Zusammenhang wäre wohl eine glaubhafte CE Kennzeichnung, diese beinhaltet eine EMV Messung. Bei einem Fertiggerät sollte das irgendwo am Gehäuse zu finden sein, sonst kann sogar der Zoll das Ding gleich aus dem Verkehr ziehen. Keine Ahnung wie das bei Bausätzen/Baugruppen gehandhabt wird.. Ne wirkliche Aussagekraft hat so eine Messung aber auch nur wenn sie in einer dafür geeigneten Messkammer durchgeführt wird, sonst fängt man sich eh 1000 andere Sachen mit ein.. Also mal eben so am Schreibtisch Zuhause den Spectrumanalyzer anwerfen bringt kein verwertbares Ergebnis.
-
Bei Bedarf sollte das hier als Ergänzung funktionieren: