Commodore 128DCR keine Spannung - Netzteil tot

Es gibt 8 Antworten in diesem Thema, welches 1.240 mal aufgerufen wurde. Der letzte Beitrag (2. Februar 2020 um 20:42) ist von eltrash.

  • Ich habe gerade einen DCR rausgekramt um etwas zu testen. Bis dato hatte ihn vorher noch nicht angeschlossen gehabt und kann nichts zu seiner History sagen. Also Kaltgerätekabel und Videokabel über die A/V Buchse dran und ... nix. Der Monitor spring noch nicht einmal an, keine LED und die Floppy läuft nicht an. Also Gerät aufgeschraubt und nicht wirklich was gemacht was zu einem Erfolg geführt hat.

    Folgendes habe ich bisher überprüft:

    • Stecker CN7 vom Mainboard abgezogen und 5V/12V geprüft - nix
    • Stecker von der LED abgezogen - ebenfalls keine Spannung
    • Netzeingang an der Kaltgerätebuchse geprüft - 240V liegen an
    • Ein-/Aus-Schalter geprüft - schaltet einwandfrei Durchgang
    • Sicherungen (beide) geprüft - beide Durchgang

    Ich habe mir das Service Manual von SAM schon angesehen, verstehe aber nicht wirklich was da geschrieben steht. Davon ab sieht das aber auch alles ein wenig anders aus.

    Gibt es Kandidaten die man als erstes prüfen sollte?

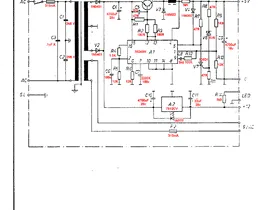
    Ich habe einfach mal Bilder von der Netzteilplatine gemacht, obs hilft?

    Bitte melde dich an, um diesen Anhang zu sehen.  Bitte melde dich an, um diesen Anhang zu sehen.  Bitte melde dich an, um diesen Anhang zu sehen.



    Bitte melde dich an, um diesen Link zu sehen.

    Offizieller JiffyDOS Reseller

  • Hmm, die Frako Kondensatoren sind nicht die besten und machen gerne mal ein kurzen.

    Bei mir waren die mal kaputt inklusiv Transistor, dann geht aber auch die primär Sicherung flöten.

    Ich würde erstmal schauen ob die beiden Wechselspannungen da sind, danach mal beim SG3524BN PWM Controller schauen, ob da sich was tut.


    Gruss

    Einmal editiert, zuletzt von nackteule (2. Februar 2020 um 18:08) aus folgendem Grund: ach, hab da was verwexelt

  • Läuft. Die Platine ist an verschiedenen Stellen gebrochen gewesen. Ich habe die Leiterbahnen von unten auf Durchgang geprüft, ein Riss war aber denn doch etwas größer und dort war die Leiterbahn unterbrochen. Kurzerhand einen Bypass gelegt und funzt.

    Bitte melde dich an, um diesen Anhang zu sehen.   Bitte melde dich an, um diesen Anhang zu sehen.   Bitte melde dich an, um diesen Anhang zu sehen.



    Bitte melde dich an, um diesen Link zu sehen.

    Offizieller JiffyDOS Reseller

  • Das doch super, wieder einer mehr am Leben! :)

  • Bei mir ist der Trafo noch mit vier Schrauben befestigt.. Fehlen bei dir diese Schrauben?

    Nein, der Trafo ist nur auf der Platine aufgelötet. Dann müssen Trafo mit Platine über zwei Führungshülsen geschoben werden wo dann der Trafo aufliegt und mit zwei Schrauben fixiert wird. Ich vermute da kommt die Spannung her, denn die Höhe des Trafos kannst du nicht beeinflussen und die Befestigung der Platine auf der Blechunterlage ebenso wenig.



    Bitte melde dich an, um diesen Link zu sehen.

    Offizieller JiffyDOS Reseller