Datasette-Reparatur

Es gibt 11 Antworten in diesem Thema, welches 1.968 mal aufgerufen wurde. Der letzte Beitrag (24. Juli 2018 um 21:10) ist von detlef.

  • Mein PET soll endlich eine schwarze Datasette bekommen. Im Moment ist da so eine hässliche weiße eingebaut.
    Also versuche ich mich an der Reparatur einer schwarzen Datasette, und da ich von Analogschaltungen leider immer noch keine Ahnung habe, bräuchte ich etwas Unterstützung.

    Das Fehlerbild: Beim Lesen wird nur manchmal ein Header gefunden und der Dateiname wird verstümmelt angezeigt. Ausserdem messe ich am digitalen Read-Ausgang mmer ein Rechtecksignal, auch wenn die Play-Taste gar nicht gedrückt ist. Wenn ich ein Band abspiele, bekomme ein Rechtecksignal, das eigentlich ganz ok aus.

    Eine Vergleichsmessung mit der funktionierenden weißen Datasette, die zum Glück das gleiche Board hat, hat ergeben, dass die ohne gedrückte Play-Taste kein Signal liefert.

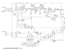
    Also habe erst mal versucht herauszufinden, wo das Signal herkommt und habe es rückwärts vom Read-Ausgang von OP zu OP mit dem Oszi verfolgt. Am IC2-A Pin1 (siehe Schaltplan) kann ich es noch ganz schwach messen. Am OP davor schon nicht mehr.

    Wo kommt Signal also das her? Messe ich falsch oder schwingt da was am IC2-A? Leider kann ich das Signal beim Abspielen eine Kassette auch nicht messen. Also messe ich wohl falsch. Ich habe mit dem Digital-Oszi bisher nur in Digitalschaltungen gemessen.. In Analogschaltungen fehlt mir die Erfahrung.

    Ich habe dann erst mal aus Verzweiflung die beiden Elkos getauscht und weil das nichts gebracht hat, auch noch die OPs. Keine Änderung.

    Könnt ihr mir einen Tipp geben, warum ich das Lesesignal vor dem IC2-A nicht messen kann. Und wo dieses Schwingen im Ruhezustand herkommen könnte?
    Altern eigentlich Kerkos oder können die kaputt gehen? Mach es Sinn, die zu tauschen?

  • Altern eigentlich Kerkos oder können die kaputt gehen? Mach es Sinn, die zu tauschen?

    Nein.

    Wie sieht das Signal vor/hinter den 7414 aus? Bilder!

    Reparaturtipps auf eigene Gefahr! Ihr seid alt genug, um zu wissen, was Ihr tut. :wink:
    Strom macht klein, schwarz und hässlich. :strom:

  • Bilder kann ich erst heute Abend liefern. Aber hinter den 7414 habe ich ein sauberes 5V-Rechtecksignal.
    Vor den 7414 das gleiche Signal, aber mit flacheren Flanken.

    Im Ruihezustand mit konstanter Frequenz einen Tastverhältnis von 50:50 (die Frequenz habe ich nicht gemessen) und beim Abspielen einer Kassette der typische Wechsel von kurzen und längeren Pegeln.

  • VREF müsste ca. 2 V sein, ist das vorhanden? Welche Kondensatoren hast du getauscht - C6 und C7?

    Die Frequenz des Signals wäre interessant, ich rate mal 50 Hz oder das Doppelte oder Dreifache davon. :)

    Was mir jetzt so ganz banal einfällt: Der Read/-Write-.Umschalter ist nicht zufällig angelaufen/defekt? Wenn der nicht sauber umschaltet und einer der beiden oder beide Pole des Eingangsverstärkers hängen "in der Luft" kann da schon was eingekoppelt werden.

    Da würde ich bei der funktionierenden Datasette mal schauen, ob da das Signal auch ansteht, wenn REC&PLAY gedrückt werden, dann hängt der Eingangsverstärker nämlich dort auch in der Luft.

  • VREF müsste ca. 2 V sein, ist das vorhanden? Welche Kondensatoren hast du getauscht - C6 und C7?
    Die Frequenz des Signals wäre interessant, ich rate mal 50 Hz oder das Doppelte oder Dreifache davon.

    VREF = 2V müsste hinkommen. C6 und C7 habe ich getauscht.
    Die Frequenz ist höher. Im kHz-Bereich.

    Ich messe heute Abend noch mal genauer und gebe Rückmeldung.

    Der Umschalter ist eine guter Hinweis. An den habe ich noch gar nicht gedacht. Ich habe den beim Messen ein paar Mal betätigt.
    Bei ausgebauter Platine kann man den ja einfach von von Hand betätigen.
    Der könnte natürlich oxidiert sein. Ich jage da mal ein Ladung Kontaktspray rein.

    Da würde ich bei der funktionierenden Datasette mal schauen, ob da das Signal auch ansteht, wenn REC&PLAY gedrückt werden, dann hängt der Eingangsverstärker nämlich dort auch in der Luft.

    Werde ich testen.

  • Der könnte natürlich oxidiert sein. Ich jage da mal ein Ladung Kontaktspray rein.

    Ja, das wäre natürlich schön, wenn es nur der wäre. :)

    Wenn nicht, schwingt ziemlich sicher irgendwas. Da ist dann wohl einer der OpAmps zum Oszillator mutiert. Sind C1, C5 Elkos? Sind denn die OpAmps (inzwischen ;) ) gesockelt?

    Sag mal, die Schraube auf der Massefläche, die soll wohl laut Schaltplan eine Verbindung zum Gehäuse des Laufwerks herstellen. Ist da eine Zahnscheibe o. ä. unterlegt? Eventuell hat die auch keinen Kontakt mehr inzwischen. Fehlende Masseverbindungen sind immer eine gern genommene Quelle für Störungen. Die Schraube scheint direkt auf die verzinnte Fläche aufgebracht zu sein, und Zinn ist ja weich und gibt nach mit der Zeit.

  • Nur C6 und C7 sind Elkos. Sonst hätte ich die anderen schon mitgetauscht. Die OPAmps sind jetzt gesockelt.

    Das mit dem Schwingen war auch meine Theorie. Am wenn die Kerkos nicht altern und Widerstände auch nicht, was kann dafür verantwortlich sein?

    Die Schraube hat im Moment gar keine Kontakt zum Gehäuse, weil sie draussen ist. Die Platine baumelt in der Luft. ;)
    Mit Schraube sahen die Signale aber identisch aus. Da die Masseleitung vom PET direkt zur Platine geht. bin ich davon ausgegangen, dass das ausreicht.

    Ich werde noch mal eine dickere Masseleitung von der Platine direkt zum Stecker ziehen.
    Man sieht ja auf dem Foto, dass da so eine Lochrasterplatine reingebasteklt wurde. Von der geht ein Flachbandkabel zum PET. Und die Masseleitung ist ziemlich dünn. Elektrisch habe ich das geprüft und es schein ansonsten ok zu sein. Laut meinem Bekannten, der das mit dem Flachbandkabel verbrochen hat, hat das auch so funktioniert.

    Ich mache heute Abend auch mal ein Foto von der Oberseite der Platine.

    Bei Masse kommt mir gerade noch ein Gedanke. Das Originalkabel hat zwei getrennte Masseleitungen (eine für die Elektronik und eine für den Motor). Die sind am Stecker zusammengeführt. Das ist bei dem Flachbandkabel jetztr nicht so. Allerdings ist das Originalkabel auch viel länger.
    Der Motor läuft die ganze Zeit, weil ich die Datasette zum Testen nicht am PET angesteckt habe (weil das Kabel so kurz ist) sondern direkt am Stecler mit Spannung versorge. Vielleicht kommen irgendwelche Störungen vom Motor über die Masseleitung.

  • Bei Masse kommt mir gerade noch ein Gedanke. Das Originalkabel hat zwei getrennte Masseleitungen (eine für die Elektronik und eine für den Motor). Die sind am Stecker zusammengeführt. Das ist bei dem Flachbandkabel jetztr nicht so. Allerdings ist das Originalkabel auch viel länger.
    Der Motor läuft die ganze Zeit, weil ich die Datasette zum Testen nicht am PET angesteckt habe (weil das Kabel so kurz ist) sondern direkt am Stecler mit Spannung versorge. Vielleicht kommen irgendwelche Störungen vom Motor über die Masseleitung.

    Wenn das die Ursache wäre, müsstest du das an der anderen Datasette ja nachvollziehen können?

  • Die andere Datasette hat ja ein Originalkabel mit doppelter Masseleitung. Und dass der Motor läuft, ist ja der normale Betriebszustand wenn ein Band gelesen wird. ;)
    Wenn die Kabel nicht alle angelötet wären, hätte ich auch längst schonmal die Platine getauscht.
    Aber da hängen ja gut 10 Kabel dran und die sind alle ziemlich kurz.

    Ich habe auch schon ein neues Kabel hier liegen, aber das hat auch nur 6 Adern (eine Masseleitung). Ich denke ich werde mir doch eins mit 7 Adern und zwei Masseleitungen besorgen. Auch wenn das nicht die Ursache für das aktuelle Problem ist. Commodore wird sich schon was dabei gedachtg haben. ;)

    Bitte melde dich an, um diesen Link zu sehen.

    Einmal editiert, zuletzt von detlef (24. Juli 2018 um 11:58)

  • So, neue Erkenntnisse. :)

    Weder das Bearbeiten des Umschalters mit Kontaktspray noch eine zusätzliche Masseleitung hat irgendwas gebracht.
    Immerhin konnte ich, nach dem ich das Oszi in den AC-Modus geschaltet haben das Signal an den OpAmps besser sehen und bis zum ersten OpAmp (direkt nach dem Tonkopf) zurück verfolgen. Ich messe halt sonst immer Digitalschaltungen und das mache ich immer im DC-Modus. :whistling:

    Letzendlich war der Schuldige der große Kerko, der nachträglich auf die Rückseite der Platine gelötet war - von der weißen Leitung des Tonkopfes nach Masse.
    Das ist das fette Teil ganz links auf dem Foto der Platine im Eröffnungsbeitrag. Nachdem ich den entfernt hatte, war das Schwingen weg. Und das Laden eines Programmes hat sofort funktioniert.

    Beim Vergleich mit der funktionierenden Platine in dem weißen Rekorder ist mir noch aufgefallen, dass die Platinen zwar die gleiche Nummer haben und auch die gleiche Positionierung der Bauteile, aber ein ganz anderes Layout. Die Platine auf dem Foto oben sieht aus wie ein Vorserienteil, ohne Lötstoppmaske und mit dünnen rechtwinkligen Leiterbahnen. In dem weißen Rekorder sind die Leitbahnen viel dicker, abgerundet und die Platine hat Lötstopplack. Vom Schaltplan her scheinen sie identisch zu sein.

    Jetzt werde ich gleich noch das Schreiben testen.

    EDIT: Juhu. Schreiben funktioniert auch. :tanz:
    Jetzt bekommt er noch ein neues Kabel und einen ordentlichen Stecker und dann ist der wie neu. :D

    Bitte melde dich an, um diesen Link zu sehen.

    Einmal editiert, zuletzt von detlef (24. Juli 2018 um 20:30)

  • Nö, gehört da nicht hin.

    Im Service Manual zu dem Datasetten gibt aber z.B. Fixes für die 1530/1531, wo in diesem Bereich Kondensatorwerte geändert werden sollen.
    Deswegen wundert mich das erst mal nicht, wenn da irgendwo ein zusätzlicher Kondensator auftaucht.