Pinout am PCB von 1531 für c16

Es gibt 28 Antworten in diesem Thema, welches 6.489 mal aufgerufen wurde. Der letzte Beitrag (3. Januar 2018 um 06:59) ist von steven97i1.

  • Hi habe mir heute ein neues Datasetten laufwerk geholt und suche vergebens nach dem Pinout AM PCB(!!!) damit ich es am C64 anschließen kann! Die farben brauche ich nicht brauche die pin numerieung und am besten welche pin nummer auf welche pin nummer vom 6 Poligen anschluss muss!

    also ich habe einfach das kabel vom 1531 abgenommen welches mit einem Rundstecker befestigt war und löte nun ein 6 Poligen din stecker dran damit es am C64 ran passt.
    Soweit so gun bin nach diesem bild vorgegangen da am 6 poligen din stecker alle kabel dran sind Bitte melde dich an, um diesen Link zu sehen. farblich hat es auch gepasst nun habe ich aufs PCB geguckt dort stand dann ein stück unter den kontakten 1......7 Also einfach nach diesem hier vorgegangen Bitte melde dich an, um diesen Link zu sehen.
    nun dreht sich der motor dauerhaft und wenn ich load eingebe wird der bildschirm DIREKT blau als wenn er lädt aber der Motor dreht nicht mehr ^^
    auf Play dreht er sich ebenfalls nicht!

  • Du hast aber schon beachtet, dass bei den Zeichnungen der Mini-Din-Stecker von vorne dargestellt ist (wenn du also einen Adapter baust, dann ist das die Lötseite der Buchse)

    Zeig mal ein Bild von dem Konstrukt auf dem man erkennen kann was womit verbunden ist)

    Gruß, Gerd

    Bitte melde dich an, um diesen Link zu sehen.

    Bitte melde dich an, um diesen Link zu sehen.

  • Und deswegen kann man keine Bilder machen?....
    Zumal mir noch nicht ganz klar ist, was du da mit wem Verkabeln willst. Datasette an C64? oder doch C16? Der C64 hat keinen DIN-Stecker für die Datasette, nur der C16. Von welchem PCB ist denn die Rede? Alles etwas wirr...

    Bitte melde dich an, um diesen Link zu sehen.

    Bitte melde dich an, um diesen Link zu sehen.

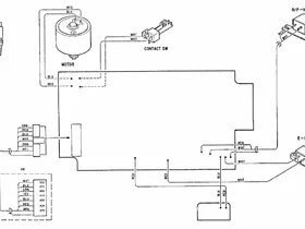
  • oh sorry es ist das folgende PCB! Bitte melde dich an, um diesen Link zu sehen. Dies hab ich heute gekauft ohne auf den stecker zu achten da der Runde c16 stecker ja nicht an meinen C64 Computer ran geht...
    im inet stand (sorry aber :DDD) das man das einfach umlöten kann! ich weiß nur leider nicht wie bilder kommen gleich (20 min)!

  • Also die Signal-Bezeichnung der Kontakte 1-6 ist bei C64 und C16 identisch, Pin7 von dem Mini-DIN hat nochmal GND oder bleibt frei.
    Guck evtl mal bei Bitte melde dich an, um diesen Link zu sehen.
    Wenn du jetzt den Originalstecker schon abgeschnitten hast :nixwiss:

    OPEN 1,4,7: PRINTBitte melde dich an, um diesen Link zu sehen.,"Das Internet": CLOSE 1: REM Internet-Ausdrucker

  • <Link tot>

    <Externe Links nicht erlaubt>

    <Link tot>


    Hier die bilder...


    <EDIT Syshack>

    Hallo, Bilderlinks zu externen Hostern sind nicht erlaubt, siehe Nutzungsbedingungen des Forums. Also bitte einbetten.
    Ausserdem sind zwei der drei Links kaputt oder tot.

    4 Mal editiert, zuletzt von androSID (2. Januar 2018 um 11:02) aus folgendem Grund: Bilderlinks zu externen Hostern sind nicht erlabt, siehe Nutzungsbedingungen des Forums.

  • Sollte eigentlich kein Problem darstellen. Hier mal zwei Abbildungen die ich aus der Emu Ecke "geklaut" habe.

    Bitte melde dich an, um diesen Anhang zu sehen.Bitte melde dich an, um diesen Anhang zu sehen.


    Dazu noch der Link zum C64 Wiki:
    Bitte melde dich an, um diesen Link zu sehen.



    Bitte melde dich an, um diesen Link zu sehen.

    Offizieller JiffyDOS Reseller

  • Bilder kann ich leider nicht hochlladen da sie 3 mb groß sind und syshack das nicht ganz rafft

    Fahr mal bitte ein wenig runter. Man kann die Bildgröße auch reduzieren. Persönlich benutze ich z.B. TinyPIC, das können aber auch 90% der Grafikprogramme.



    Bitte melde dich an, um diesen Link zu sehen.

    Offizieller JiffyDOS Reseller

  • Bilder kann ich leider nicht hochlladen da sie 3 mb groß sind und syshack das nicht ganz rafft

    Der muss es auch nicht raffen, weil der das schon seit Jahren richtig praktiziert, wie Andere hier auch.
    Immerhin versucht der sich auch mal ab und zu sich etwas Mühe bei der Rechtschreibung zu geben.

    Es gibt nun mal Beschränkungen in den Anzahl der Dateien und Dateiengrössen, das ist so und damit muss man halt auskommen.
    Wenn jemand ein ähnliches Problem wie Du hier hat in 5 Jahren oder so und dann hier fremdverlinkte Bilder drin sind, dann kannst Du davon ausgehen, dass diese Links nicht mehr funktionieren.
    Naja, 2/3 der Weblinks haben ja jetzt schon nicht funktioniert.... :bgdev

    ___________________________________________________________
    Meine Kreationen: Bitte melde dich an, um diesen Link zu sehen. | Bitte melde dich an, um diesen Link zu sehen. | Bitte melde dich an, um diesen Link zu sehen. | Bitte melde dich an, um diesen Link zu sehen.
    | Bitte melde dich an, um diesen Link zu sehen.
    Avatar: Copyright 2017 by Saiki

    Einmal editiert, zuletzt von syshack (2. Januar 2018 um 12:27)

  • nein das pcb von der datasette ^^ da weiß ich nicht welche reihenfolge bzw elche bezeichnung die haben !

    Du hättest erst noch das C16 Kabel dran lassen sollen! Dann hättest Du dessen Drähte durchklingeln können und so die Belegung gewusst. Oder vorher ein Foto gemacht mit welchen Farben es am PCB angeschlossen war, dann hätte man es immer noch durchklingeln können und hätte die Zuordnung gehabt. Da du aber den letzten Schritt zuerst gemacht hast, musst Du damit nun klar kommen.

    Bilder kann ich leider nicht hochlladen da sie 3 mb groß sind und syshack das nicht ganz rafft

    Meine Bilder sind auch meist auch um 3MB groß, werden aber von der Foren-Software automatisch beim Hochladen herunter gerechnet, keine Ahnung was Du da machst.

  • Du hättest erst noch das C16 Kabel dran lassen sollen! Dann hättest Du dessen Drähte durchklingeln können und so die Belegung gewusst. Oder vorher ein Foto gemacht mit welchen Farben es am PCB angeschlossen war, dann hätte man es immer noch durchklingeln können und hätte die Zuordnung gehabt. Da du aber den letzten Schritt zuerst gemacht hast, musst Du damit nun klar kommen.

    Meine Bilder sind auch meist auch um 3MB groß, werden aber von der Foren-Software automatisch beim Hochladen herunter gerechnet, keine Ahnung was Du da machst.

    leider waren keine kabel dran......

  • leider waren keine kabel dran......

    Wer kauft denn so einen :poop: ? Und warum schreibst Du dann im ersten Post, dass Du das Kabel abgenommen hast. Verarschen kann ich mich auch alleine - bin raus, ist mir zu blöd!

  • Nun schick doch endlich mal ein Foto, am besten von der Ober- und Unterseite der Platine. Vielleicht ist die Belegung sogar aufgedruckt. Ansonsten frage doch mal den Verkäufer wie es das gemacht hat mit dem ewigen Umstecken.

    Ich hätte mir ja einen Datasettenadapter gebaut bevor ich jedes Mal die Datasette auseinander nehmen muss wenn ich den Rechner wechsele.



    Bitte melde dich an, um diesen Link zu sehen.

    Offizieller JiffyDOS Reseller