Defekten C16 gekauft...

Es gibt 57 Antworten in diesem Thema, welches 17.602 mal aufgerufen wurde. Der letzte Beitrag (2. August 2017 um 11:10) ist von kinzi.

  • Microwalker:
    Ich rechne eig. eher nicht damit, dass dem Zoll diese Sendung auffällt.
    Das ist halt ein Paket mit 10 Chips drin, überhaupt nichts besonderes.

    Die Chinesen schreiben auf die Zolldeklaration meist eh völligen Quark drauf,
    daher wüsste ich jetzt nicht, warum die Zollbeamten bei nem kleinen Economy Shipping
    mit 10 Chips drin hellhörig werden sollten...

  • Nur als kleiner Hinweis: im Moment ist chinesisches Neujahrsfest, da arbeitet drüben eigentlich zwei Wochen kaum niemand. Rechner lieber mit noch etwas mehr Zeit.


    Bei mir dauern die Sendungen auch immer eher 5-6 Wochen...

  • Bauen Sie die CPU. Fehler, die nicht für die Ports P0-P7 funktioniert in 6522 die er schafft. :sad:

    You can write in english...my english is really bad, but maybe better than your German! :S
    Is this is a Replacement for the CPU?


    MOD: Plenk und grammatikalischen Fehler entfernt.

    Gib mir noch ein Hörnchen Met...Damit ich weiss wies weiter geht.

    Denn hab ich mich mit Met befeuchtet bin ich schon mal vor-erleuchtet...

    TORFROCK

    2 Mal editiert, zuletzt von androSID (24. Januar 2017 um 08:34)

  • You can write in English...my English is really Bad, but maybe better than your German
    This is a Replacement for the CPU ?

    The text has been translated into German by Google. Why do not you understand? :biggrin:


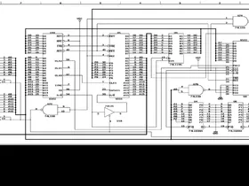
    Yes, this CPU replacement. This is based on the schematic.

  • Yes, this CPU replacement. This is based on the schematic.

    But the schematic is faulty. The 8501 has a 7 Bit I/-port. The missing Bit is P5, so you need to use P0-P4 and P6-P7 from the 6522 for it to work.

  • Wenn nochmal jemand 264er-CPUs bestellt, interessiert mich das auch! Die Dinger sterben ja leider gerne mal... Kann man die dann in jeden beliebigen C16, C116 & plus/4 stecken? Dann möchte ich fünf Stück, bitte (ausgehend von einem Stückpreis von 10,-)! So ein Replacement, wo nachher nur die Hälfte funktioniert, ist ja eher uncool, oder? Und was ist mit TEDs? Kann man ja auch immer gebrauchen! ^^

    Bitte melde dich an, um diesen Link zu sehen.Bitte melde dich an, um diesen Link zu sehen.Bitte melde dich an, um diesen Link zu sehen.Bitte melde dich an, um diesen Link zu sehen. :böse Bitte melde dich an, um diesen Link zu sehen. Bitte melde dich an, um diesen Link zu sehen.
    Bitte melde dich an, um diesen Link zu sehen.

    „Vor dem Himmel kommt das Leben auf Erden, und da gilt es, eine soziale Gesellschaft aufzubauen.“ – Heinz Nixdorf (1986)

    Bitte melde dich an, um diesen Link zu sehen. :beer:Bitte melde dich an, um diesen Link zu sehen. Bitte melde dich an, um diesen Link zu sehen.Bitte melde dich an, um diesen Link zu sehen.

    Einmal editiert, zuletzt von Telespielator (24. Januar 2017 um 17:03)

  • Also: Ich habe jetzt 10 Stück bestellt, dauert ungefähr 5-6 Wochen bis die da sind!

    Von denen werde ich 2 selbst behalten, die restlichen biete ich dann hier an, da aber schon so viele jetzt welche haben wollen, wird jeder (am besten PN!) erstmal wohl einen bekommen können...

    Ich hab ganz zu Anfang dieses Threads extra gefragt, ob Ihr an einer Sammelbestellung Interesse gehabt hättet... dann hätte man nämlich Zeit und Geld sparen können (höhere Stückzahl, Sendung per DHL innerhalb 2 Wochen etc.)

    Was das funktionieren betrifft: ich werde nicht jeden einzelnen ein- und wieder ausbauen... die gehen dann so raus, wie ich sie bekommen habe, dafür wird der Stückpreis dann nur ca. bei 7 € zzgl. Versand per Einschreiben sein! Wie gesagt, ich will damit ja nix verdienen - ich will nur, daß mein schöner C16 wieder läuft :D:D:D

    Gruß,

    Microwalker

  • wie oben schon erwähnt, hätte gerne 2-3 Stk. TED würde ich mir zu nem vernünftigen Kurs auch 2 Stk hinlegen wollen.

    Arcade: Twinliner, Fashion Vision,
    "Cosmic Guerilla" cocktail table
    Pins: Scared Stiff + Getaway
    C64, C65, C66, Gammel+Mist...

  • But the schematic is faulty. The 8501 has a 7 Bit I/-port. The missing Bit is P5, so you need to use P0-P4 and P6-P7 from the 6522 for it to work.

    Das sieht gesamt aber nicht schlecht aus, vielleicht läuft es nach einem Fix als robuster Ersatz.

    gerryke: do you share the schematic ? - It's seems to be an eagle-file ? After Gerrits mentioned fix, it may be a very wanted replacement.

    If we're evil or divine - we're the last in line. - Ronnie James Dio (1984) -
    Bitte melde dich an, um diesen Link zu sehen. | Bitte melde dich an, um diesen Link zu sehen. |

  • Das sieht gesamt aber nicht schlecht aus, vielleicht läuft es nach einem Fix als robuster Ersatz.
    gerryke: do you share the schematic ? - It's seems to be an eagle-file ? After Gerrits mentioned fix, it may be a very wanted replacement.


    Ich habe den Link zum Schaltplan bereits gepostet.... hier noch:

    Bitte melde dich an, um diesen Link zu sehen.

  • Ich habe den Link zum Schaltplan bereits gepostet.... hier noch:

    webalice.it/gratteri/65028501.gif


    Das hatte ich wohl gesehen. Aber wenn er fertige Dateien für Eagle hat, braucht man es nicht nochmal zu machen. Der kleine Fehler müsste sich auch auf dem fertigen Board nachbessern lassen.

    If we're evil or divine - we're the last in line. - Ronnie James Dio (1984) -
    Bitte melde dich an, um diesen Link zu sehen. | Bitte melde dich an, um diesen Link zu sehen. |

  • The ultimate solution! :biggrin:
    There is no serial port and tape recorder, but it works!

    Most time only the i/o-ports on the 8501 CPU are damaged. It's also possible to bend the ports out of the socket and the CPU works again.

    If we're evil or divine - we're the last in line. - Ronnie James Dio (1984) -
    Bitte melde dich an, um diesen Link zu sehen. | Bitte melde dich an, um diesen Link zu sehen. |

  • Das sieht gesamt aber nicht schlecht aus, vielleicht läuft es nach einem Fix als robuster Ersatz.


    Gefällt mir auch sehr gut, vorallem weil es einen standard 6502 verwendet, also die Spezialitäten(3-state) eines 6510 auch nachbildet. Mit etwas Anpassung könnte das demnach auch für einen 6510 Ersatz verwendet werden.
    Erinnert mich auch ein wenig an die Schaltung des Atari 800, da wurde das auch noch alles diskret aufgebaut.

  • Die Frage ist noch ob er das mit dem Gate-In korrekt handhabt. Wenn nein stimmt das R/W-Signal nicht.

    Daran könnte der Schreibzugriff auch scheitern, weil die Synchronisation nicht stimmt. Gate-In (MUX) würde ich dann testweise an U7C Pin 10 legen.

    If we're evil or divine - we're the last in line. - Ronnie James Dio (1984) -
    Bitte melde dich an, um diesen Link zu sehen. | Bitte melde dich an, um diesen Link zu sehen. |