Defektes 407er Board (2017-10)

Es gibt 18 Antworten in diesem Thema, welches 2.864 mal aufgerufen wurde. Der letzte Beitrag (14. Januar 2017 um 21:00) ist von DOC64.

  • Nachträglich denjenigen noch ein frohes neues Jahr, mit denen ich 2017 noch keinen Kontakt hatte.

    Bei dem o.g. Board (Rev. B) liegt ein Spannungsproblem vor.

    MOS-ICs sind nicht mehr vorhanden (ausgetauscht). Die PLA funktioniert in einem anderen C64. Das NT funzt an anderen C64ern.

    Die Ausgangsspannungen an den Spannungsreglern betragen 5,19 V bzw. 12,59 V

    Die Versorgungsspannung

    - am MOS6510 beträgt 6mV
    - an beiden CIAs beträgt 6,3mV
    - am SID-Sockel beträgt 5,8mV und 12,55V
    - an den 74LSxx 5,5mV

    Zwangsläufig wird kein IC heiß.

    Wo würdet ihr zuerst nachmessen? (defekte Dioden?) Oszi nicht vorhanden.

    Besten Dank im Voraus.

  • Die Assy 250407 hat doch wenn ich mich recht entsinne zwei 5Volt Kreise. Einen der auf dem Board generiert wird und einen der vom Netzteil gespeist wird. Wenn das Netzteil auszuschliessen ist, dann tippe ich mal zuerst auf den Schalter. Ich nehme mal an, das dieser die unter anderem vom Netzteil kommenden 5V nicht durchschaltet. Du solltest den Schalter mal überbrücken um zu sehen ob es dann geht, wenn ja dann ist der Schalter der Übeltäter. Den kann man ggf. auseinandernehmen und die Kontakte reinigen.

    Hier mal ein Service Manual wo die Assy auch mit abgedeckt ist.

    Bitte melde dich an, um diesen Link zu sehen.

    Nachtrag: Ich habe mich hinsichtlich der zwei 5Volt Kreise nicht geirrt.
    Hier der Link zum Schaltplan Bitte melde dich an, um diesen Link zu sehen.

    Die beiden Dateien mit der Nr. 251138 sind der Schaltplan zur Assy

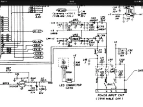
    Und hier ein Ausschnitt vom Schalter und den 5Volt Kreisen +5V und +5V CAN. Demnach fehlen wohl die 5V vom Netzteil.

    Bilder

    Lieben Gruß, Torsten

    Meine Spielzeuge
    BFZ MFA, Apple //e, ZX80Core, AX81, ZX81, ZX81NU, Spectrum+, Harlequin, Jupiter ACE Clone, Amstrad NC100, Cambridge Z88, C64, C128D, Plus/4, Amiga 500, Amiga 1200, Atari Portfolio, HP200LX, HP48SX, HP48GX, Accura 101, IBM PC 5155, PS/2 (Model 40SX), TP755c, T20, T41, T61, PS/2E, TI-59,

    3 Mal editiert, zuletzt von tokablnC64 (12. Januar 2017 um 18:19)

  • Die Versorgungsspannung

    - am MOS6510 beträgt 6mV
    - an beiden CIAs beträgt 6,3mV
    - am SID-Sockel beträgt 5,8mV und 12,55V
    - an den 74LSxx 5,5mV

    Zwangsläufig wird kein IC heiß.


    Man kann an dieser Stelle auch genau anders rum argumentieren. Bei so niedrigen Spannung kann ein IC einen Kurzschluss haben, und wird dann zwangsläufig heiss?

  • Und hier ein Ausschnitt vom Schalter und den 5Volt Kreisen +5V und +5V CAN. Demnach fehlen wohl die 5V vom Netzteil.

    Die +5V CAN gehen nur zum VIC, Rest wird vom Netzteil 5V versorgt.

    Daher: Schalter, Netzteil oder Netzstecker.

    Edit: Wenn das Netzteil ok ist, dann am ehesten der Schalter.

    Wem ein leeres EPROM fehlt, braucht ein EPROM-Lösch-Gerät

    Mein GitHub: Bitte melde dich an, um diesen Link zu sehen.
    EasyFlash3 DIY: Bitte melde dich an, um diesen Link zu sehen.

    Mein Discogs: Bitte melde dich an, um diesen Link zu sehen.

  • Vielen Dank für eure Hinweise. Der Schalter kommt m.E. nicht als Fehlerquelle in Betracht, da

    Die Ausgangsspannungen an den Spannungsreglern betragen 5,19 V bzw. 12,59 V

    Bei einem defekten Schalter liegen die Spannungen m.W. nicht an (Anm.: oder habe ich einen Denkfehler?). Den Schalter habe ich aber sicherheitshalber durchgemessen; er schaltet auf beiden Seiten. Überbrückt habe ich ihn auch. Das NT ist ebenfalls o.k.


    Man kann an dieser Stelle auch genau anders rum argumentieren. Bei so niedrigen Spannung kann ein IC einen Kurzschluss haben, und wird dann zwangsläufig heiss?

    Das ist natürlich richtig; allerdings wird nichts heiß.


    Wenn das Netzteil auszuschliessen ist, dann tippe ich mal zuerst auf den Schalter. Ich nehme mal an, das dieser die unter anderem vom Netzteil kommenden 5V nicht durchschaltet. Du solltest den Schalter mal überbrücken um zu sehen ob es dann geht, wenn ja dann ist der Schalter der Übeltäter. Den kann man ggf. auseinandernehmen und die Kontakte reinigen.

    Vielen Dank für die ausführlichen Zeilen inkl. der Quellen. NT und Schalter sind aber o.k.

  • Kommen nun die 5V vom Netzteil an? Wenn Schalter und Netzteil ok sind, könnte es noch die Netzbuchse sein.
    Die 5V, die der interne 7805 erzeugt kommen von den 9V~, dieser versorgen nur den VIC mit 5V.
    Die 5V vom Netzteil sind die Versorgung für die anderen Chips, diese muss irgendwo unterbrochen sein.

    Wem ein leeres EPROM fehlt, braucht ein EPROM-Lösch-Gerät

    Mein GitHub: Bitte melde dich an, um diesen Link zu sehen.
    EasyFlash3 DIY: Bitte melde dich an, um diesen Link zu sehen.

    Mein Discogs: Bitte melde dich an, um diesen Link zu sehen.

  • So, hab jetzt alle Spannungen. An der Netzsteckerbuchse war ein Kurzschluss an den oberen drei Lötpunkten. Da muss jemand unsauber gearbeitet haben.

    Bild bleibt schwarz. Auch mit Ultimax-Ram-Checker-Modul und Dead-Test.

  • Welche RAM Typen sind verbaut?
    Sind MOS TTLs verbaut?
    Bitte mal ein paar Fotos posten.

    Wem ein leeres EPROM fehlt, braucht ein EPROM-Lösch-Gerät

    Mein GitHub: Bitte melde dich an, um diesen Link zu sehen.
    EasyFlash3 DIY: Bitte melde dich an, um diesen Link zu sehen.

    Mein Discogs: Bitte melde dich an, um diesen Link zu sehen.

  • Hier sind noch die Fotos. CPU ist auch o.k.

    Bitte melde dich an, um diesen Anhang zu sehen.Bitte melde dich an, um diesen Anhang zu sehen.

    Bitte melde dich an, um diesen Anhang zu sehen.Bitte melde dich an, um diesen Anhang zu sehen.

    Bitte melde dich an, um diesen Anhang zu sehen.

  • Kurzzusammenfassung: PLA, CPU und VIC sind o.k. (getestet in anderem C64.

    Das Board springt aber weder mit Kickman noch mit dem Dead-Test vom Check64-Modul an.

    Tipps sind herzlich willkommen.

  • - Spannungen ... OK
    - VIC, PLA und CPU ... OK
    - RAM Multiplexer getestet ... OK

    - SID entfernt beim Test?
    - Reset getestet?
    - Wird noch irgendwas extrem heiß?
    - Wer hat den Sockel reingemacht für die PLA?
    - Sockel Kontakte kontrolliert? (vor allem CPU Sockel, PLA Sockel, SID Sockel)
    - Schauen ob Kurzschluss zwischen R/W? (hatte ich schon mal und ewig gesucht)

    Wem ein leeres EPROM fehlt, braucht ein EPROM-Lösch-Gerät

    Mein GitHub: Bitte melde dich an, um diesen Link zu sehen.
    EasyFlash3 DIY: Bitte melde dich an, um diesen Link zu sehen.

    Mein Discogs: Bitte melde dich an, um diesen Link zu sehen.

  • Ich bin noch einmal alles durchgegangen. Doppelt hält besser. :smile:

    - Spannungen wie oben beschrieben o.k,
    - VIC, PLA und CPU erneut in einem anderen C64 getestet: o.k.
    - RAM Multiplexer nicht erneut getestet; sind nagelneu aus dem Laden; habe bei Conrad die letzten erhalten, die es im Geschäft gibt; zukünftig nur noch online
    - SID ist bei Tests immer gezogen; hier also auch
    - Reset: vertraue ich Check64-Modul: rote LED geht nach dem Start wieder aus
    - es wird nichts extrem heiß
    - PLA-Sockel hatte ich eingelötet, um einen PLA-Fehler ausschließen zu können; Durchgang von den Pinnen der PLA zu den Lötpunkten überprüft; jetzt auch die Leitungen der PLA durchgeklingelt (deswegen hat meine Antwort etwas gedauert); alles o.k.
    - die anderen Sockel auf Durchgang geprüft; o.k.
    - Kurzschluss R/W (d.h. PIN 38 CPU, PIN 22 CIA1 und PIN 22 CIA2) muss ich noch prüfen.

  • R/W überall durchgeklingelt und Leitungen verfolgt. Keinen Kurzschluss festgestellt.
    Wobei der Fehler ja eigentlich etwas "Triviales" sein muss, da selbst im Multimax-Modus nichts funktioniert; neben Kickman, Check 64 auch das Multimax-Ramchecker-Modul nicht. ?(

  • Hatte neulich bei einem 469 Board eine Kontaktfehler beim ROM. Da ging dann auch nix.
    Hast du ein Oszi? Dann einfach mal ein paar wichtige Leitungen messen.

    Wem ein leeres EPROM fehlt, braucht ein EPROM-Lösch-Gerät

    Mein GitHub: Bitte melde dich an, um diesen Link zu sehen.
    EasyFlash3 DIY: Bitte melde dich an, um diesen Link zu sehen.

    Mein Discogs: Bitte melde dich an, um diesen Link zu sehen.

  • Hast du ein Oszi?

    Leider nein. Habe aber eben mit dem Messgerät die Frequenzen überprüft:

    CPU Pin 1 (PHIO): 985,1 kHz
    VIC Pin 18 (_RAS): 1,97 MHz
    VIC Pin 19 (_CAS): 1,97 MHz
    VIC Pin 21 (Color Clock): 17,73 MHz
    VIC Pin 22 (Dot Clock): 7,88 MHz

    Sieht alles gut aus. Leider.

  • Hm, könnten trotzdem ein oder mehrere rams defekt sein? Kommt ja öfter mal vor daß nix geht und es an den rams liegt. Auch ein defektes ram muß nicht zwangsweise heiß werden oder?

  • Hm, könnten trotzdem ein oder mehrere rams defekt sein? Kommt ja öfter mal vor daß nix geht und es an den rams liegt. Auch ein defektes ram muß nicht zwangsweise heiß werden oder?

    Heiß müssen die nicht unbedingt werden. Bis jetzt ist das Ultimax-Ram-Checker-Modul von GI-Joe aber immer angesprungen, wenn nur die RAMs (eins oder mehrere) defekt waren. Ein Oszi wäre hier "ausnahmsweise" wirklich sehr hilfreich. Durchklingeln hilft auch nicht immer, wenn es ein Kurzschluss sein sollte (muss ja nicht direkt vom benachbarten Pin kommen).