Moin,
beim Quarz kommen nur 1.16V mit einer glatten Linie.
Soll das so sein ?
326298 NTSC = schwarzer Bildschirm
-
Metro23 -
26. August 2016 um 14:32 -
Erledigt
Es gibt 50 Antworten in diesem Thema, welches 7.044 mal aufgerufen wurde. Der letzte Beitrag (
-
-
Steht dein Tastkopf auf 1x oder 10x?
-
Ich habe jetzt das untere Beinchen vom Quarz gemessen. Der Tastknopf steht auf 10.
Habe beim Oszi einfach auf AUTO gestellt. -
Ich habe jetzt das untere Beinchen vom Quarz gemessen. Der Tastknopf steht auf 10.
Habe beim Oszi einfach auf AUTO gestellt.5 ms pro Teilung, ca. 4 Teilungen zwischen den Spitzen -> 50 Hz-Signal, also nur von irgendwo eingefangenes Netzbrummen
-
Also ist der Quarz kaputt ? Da sollten doch was mit 14,31818 sowieso rauskommen ?
Oder ich messe gerade Blödsinn.
Bei U31 kam ja was anderes raus. -
Der Quarz hängt am Eingang eines VCO. Der 74LS629 hat davon zwei. Du müsstest, wenn der Quarz funktioniert und die Spannung an Pin 15 hoch genug ist (um die 4V reichen), am Ausgang des VCO die 14.318 MHz finden. Das ist entweder an Pin 7 oder Pin 10 des 74LS629. Am anderen Ausgang sollte 8,18 MHz zu sehen sein.
-
Moin,
ich werde mal den Quarz auswechseln. Teile sind bestellt.
Die 629, 193 und 4044 habe ich noch auf Lager.
Mal sehen wie dabei rauskommt. Irgendwo muĂź der Takt ja herkommen.
Die Leitungen sind soweit OK.Q3 ist deutlich angelaufen. Das soll ein TIP29B oder TIP29A sein. Kann ich auch einen TIP29C nehmen ?
Schönen Feiertag! -
Vorsicht mit dem 4044, das muss ein MC4044P sein, kein CD4044 oder MC14044.
Q3 ist der Schalttransistor fĂĽr den Datasettenmotor. Den lass erstmal, ob der funktioniert kannst du testen wenn der C64 wieder Lebenszeichen von sich gibt.
-
Ja, da werde ich drauf achten. Danke.
Die Quarze sind eingetroffen. Neben der 14.31818 steht da noch AEC07E oder AEC 13K drauf. Was ist da der Unterschied ?
Wie rum man die einbaut ist egal, denke ich mal. -
Das hat meiner Erinnerung nach was mit der Lastkapazität zu tun. Einfach probieren. Polung ist bei Quarzen egal, sonst wäre ein Pin besonders markiert.
-
Moin,
der neue Quarz ist drin. Leider keine Verbesserung.
Kein Takt auf CPU Pin 1. -
Hast du irgendwelche Takte an Pin 21 oder Pin 22 des VIC?
Alternativ auch Pin 10 oder Pin 7 des 74LS629.
-
Moin,
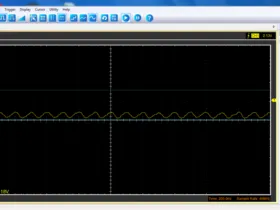
beim VIC kommt das auf den Pins 21 und 22 raus.
Auf pin1 der CPU ist etwas mehr los.
Da sind im Wechsel kleine Wellen und zwischendurch (kurz) eine Linie bei 2 Volt.
Als die Platine hier eintraf war die Sicherung durch. Also kann da irgendwo was durchgeknallt sein. -
VIC Pin 21 und 22 sind Eingänge über die der VIC die beiden Takte bekommt, damit du die sauber als Rechteck erkennen kannst brauchst du ein Oszi mit ziemlicher Bandbreite. Wenn du jetzt an Pin 1 der CPU die üblichen 985 kHz finden kannst wäre das schonmal ein Fortschritt.
-
Moin, ein anderer 629 hat auch nix gebracht.
U31
Pin1 = 1.58V
Pin2 = 5,19V
Pin3 = 3,18V
Pin4 = Bild
Pin5 = Bild
Pin6 = 0V
Pin7 = Bild
Pin8 und 9 = 0V
Pin10 = Bild
Pin11 = 0V
Pin12 = 1V
Pin13 = 1V
Pin14 = 0V um Nulllinie schwankend
Pin15 = 4V
Pin16 = 5,16VU7 Pin 1 = Bild
-
Alle großen IC´s werden normal warm. Die kleinen Chips sind alle kalt.
-
Welche Frequenzen siehst du denn an Pin 7 und Pin 10? Es sieht auf jeden Fall schonmal nach funktionierendem Taktgenerator aus.
-
Ist das so richtig gemessen ?
Ich komme auf 998,2mHz ?
Ich glaube daĂź das Programm da spinnt.
Soll wohl 998,2 kHz sein.
Ich habe 1 sec auf der x-Achse gemessen. -
Also aus Pin 10 sollten eher 14,318 MHz rausfallen und aus Pin 7 8,18 MHz (wenn es NTSC ist).
-
Laut Plan sollte das Gehäuse des Quarzes mit Masse verbunden sein.
Das ist auch bei allen anderen Platinen die hier rumliegen so, nur bei dieser nicht.
Ist das normal. oder fehlt hier die Verbindung mit Absicht ?U31 Pin10 kann man wohl mit R27 regeln. Soll ich da mal dran drehen ?
-