Moin, das alte Leiden; schwarzer Bildschirm mit Zuckung.
12V, 5V und 9V vorhanden.
Erstmal die Bilder:
Es gibt 50 Antworten in diesem Thema, welches 7.066 mal aufgerufen wurde. Der letzte Beitrag (
Moin, das alte Leiden; schwarzer Bildschirm mit Zuckung.
12V, 5V und 9V vorhanden.
Erstmal die Bilder:
Hier noch mehr Bilder
Die gesockelten IC´s habe ich kurz aus und eingebaut.
Die ĂĽblichen Testmodule zeigen nix an. Auch das ULTIMAX will net.
Auf der Rückseite ist das goldene Blech verlötet.
Ich dachte, dass auf diesen Platinen alle großen IC´s gesockelt wären.
Hoffentlich sind die Keramik-RAM´s nicht defekt.
Das Kernal wird wärmer als die anderen Chips.
Den SID habe ich ausgebaut.
Wäre schon geil wenn der wieder funktionieren würde.
Da ich nicht nach Winsen konnte, habe ich mir den Cevi aus Frust fĂĽr 25$ in Ăśbersee geangelt.
PLA und 6510 kannst du testen.
Annahme, dein monitor/TV kann ntsc darstellen.
Moin Moin,
NTSC hat bei anderen C64 und VIC20 funktioniert.
Die PLA und CPU werde ich auf einem anderen Board testen.
Hier ein paar Messungen. Bei CPU Pin01 (Phi0) passiert nix.
Das Reset kommt zwar, ist aber sehr uneben.
Moin,
mit einer anderen CPU passiert auch nix. Phi0 immer = 0.
Q3 sieht angelaufen aus und hat auf allen 3 Beinchen Strom drauf.
Der 6567R56A-VIC ist aber nicht wirklich tauglich. Wenn du die Kiste verwenden willst sollte es mindesten sind 6567R7 sein.
Der 6567R56A-VIC ist aber nicht wirklich tauglich. Wenn du die Kiste verwenden willst sollte es mindesten sind 6567R7 sein.
OK, wie unterscheiden sich die beiden Versionen ?
Moin,
mit getauschter PLA und CPU passiert nix.
Das Blech ist runter und darunter alles original.
Der Takt fehlt auf CPU Pin1. Liegt das am 4044 ?
OK, wie unterscheiden sich die beiden Versionen ?
Video-Timings und Qualität des Farbsignals.
Moin, ich habe wegen dem fehlenden Takt den 4044 durchgemessen. Viel ist da nicht los:
Der Rest des Chips
Welche Spannung liegt an Pin 15 des 74LS629 an?
Welche Spannung liegt an Pin 15 des 74LS629 an?
3.82 V mit Multimeter gemessen.
Das ist schonmal gut, dann sollte der VCO eigentlich schwingen. Ist am Quarz was zu messen?
Die Ausgänge der beiden VCOs im 74LS629 sind Pin 10 und Pin 7. Kannst du da was sehen?
Moin,
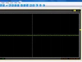
am 629 Pin 7 und 10 ist Musik drauf:
Wie messe ich den Quarz ? Einfach an die Beinchen gehen und beim Oszi auf AUTO drĂĽcken ?
Auf Pin 7 und 10 sollten 17,744 und dot clock (7,x MHz) zu sehen sein. Wenn das der Fall ist funktioniert die Takterzeugung und dein Problem liegt woanders.
OK, wie unterscheiden sich die beiden Versionen ?
Was Bil Herd dazu zu sagen hat:
Bitte melde dich an, um diesen Link zu sehen.
Was Bil Herd dazu zu sagen hat:
Bitte melde dich an, um diesen Link zu sehen.
OK, auf Migräne habe dann auch keinen Bock.
Hatte schon nach einem R7 gesucht. Das Angebot ist aber sehr dĂĽftig.
Es gibt meines Wissens auch noch R8 und R9. Frag doch mal Wiesel, vielleicht hat der sowas rumliegen?