Taktsignal - Qualität kritisch ?

Es gibt 70 Antworten in diesem Thema, welches 12.244 mal aufgerufen wurde. Der letzte Beitrag (12. September 2015 um 11:46) ist von Markus64.

  • all' der Aufwand, nur weil PostBitte melde dich an, um diesen Link zu sehen. nicht beherzigt wurde. Dabei ist 42 doch die Antwort :wink:

    Jens

    Bitte melde dich an, um diesen Link zu sehen. - Das offizielle iComp Supportforum ist online.

  • Nicht mit'm Mikroskop abgehen ... Multimeter auf Durchgang stellen, die relevanten Teile vom Schaltplan verifizieren, dass auch alles Kontakt hat was Kontakt haben soll und ggf. Verbindungen nachfädeln.

    Hab ich selbst erst kurzlich bei 'ner Platine (Assy 250407) gemacht wo einer der 257 eher rausgebrochen als entlötet wurde - heute läuft die wieder 1A.

  • Hatte ich erst am Samstag auf der Doreco. Leiterbahn sah optisch ok aus, war aber trotzdem unterbrochen.
    Sowas kontrolliert man immer mit dem Messgerät! :dafuer:

    Reparaturtipps auf eigene Gefahr! Ihr seid alt genug, um zu wissen, was Ihr tut. :wink:
    Strom macht klein, schwarz und hässlich. :strom:

  • all' der Aufwand, nur weil PostBitte melde dich an, um diesen Link zu sehen. nicht beherzigt wurde. Dabei ist 42 doch die Antwort :wink:

    das Gute daran ist, daß er aus solchen Fehlern lernen wird (hoffenlich :whistling: )

    Viele Grüße,
    GI-Joe
    Bitte melde dich an, um diesen Link zu sehen. * Bitte melde dich an, um diesen Link zu sehen. * Bitte melde dich an, um diesen Link zu sehen. * Bitte melde dich an, um diesen Link zu sehen. * Bitte melde dich an, um diesen Link zu sehen. * Bitte melde dich an, um diesen Link zu sehen.

  • Dank eurer motivierenden Beteiligung an meinem Problem, hab ich den Fehler gefunden :ilikeit: Nein, eigentlich habt ihr den Fehler gefunden :schande: Und was noch dazu kommt, während ich hier suche, sitzt ihr alle entspannt da und denkt euch :" na mal schauen, ob er unsere Ratschläge befolgt, dann wird er den Fehler schon finden"

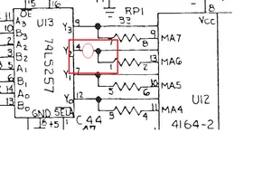
    Schuld war meine Löterei an den 257ér und der mangelhaften Qualitätskontrolle. Für mich sah es nach fehlender Markierungsfarbe aus, nicht nach fehlender Leiterbahn. Und Wiesel hatte wohl jenes Widerstandsaray gemeint in Post Bitte melde dich an, um diesen Link zu sehen.. Dies ist zwar nicht in Mitleidenschaft gezogen worden, aber halt die Bahn darunter .

    Letztlich war vermutlich nur die PLA defekt und der Rest "Fehler suchen, der vorher nicht da war"

    das Gute daran ist, daß er aus solchen Fehlern lernen wird (hoffenlich :whistling: )


    Kann ich bestätigen !

    Danke an alle :thumbsup::thumbsup::thumbsup: und bitte schön ablästern !!

    Bilder

    "Was heute noch wie ein Märchen klingt,kann morgen Wirklichkeit sein.Hier ist ein Märchen von übermorgen.Es gibt keine Kupferka­bel mehr,es gibt nur noch die Glasfaser und Terminals in jedem Raum.Man siedelt auf fernen Rech­nern.Die Mailboxen sind als Wohnraum erschlossen.Mit heute noch unvorstellbaren Geschwindigkeiten durcheilen Computerclubs unser Da­tenverbundsystem.Einer dieser Com­puterclubs ist der CCC.Gigantischer Teil eines winzigen Sicher­heitssystems,das die Erde vor Bedrohungen durch den Gilb schützt.Begleiten wir den CCC und seine Mitglieder bei ihrem Patrouillendienst am Rande der Unkenntlich­keit. CCC'84 nach ORION'64"

  • Schuld war meine Löterei an den 257ér und der mangelhaften Qualitätskontrolle. Für mich sah es nach fehlender Markierungsfarbe aus, nicht nach fehlender Leiterbahn.


    Kostet nicht viel und ist ungemein Hilfreich. Bitte melde dich an, um diesen Link zu sehen.l
    Lupenlampe geht auch, ist aber etwas unhandlicher, verzerrt das Bild ein bischen und taugt durch das weiße Licht mehr zur Farbunterscheidung.

    Bitte melde dich an, um diesen Anhang zu sehen. :verehr: .: Mit Bitte melde dich an, um dieses Bild zu sehen.wäre das nicht passiert! :. :prof:  Bitte melde dich an, um diesen Anhang zu sehen.

    :syshack: .: Meine 3D-Drucker Teile auf :. Bitte melde dich an, um diesen Link zu sehen. :strom:

  • Danke an alle :thumbsup: :thumbsup: :thumbsup: und bitte schön ablästern !!

    nö, lästern lass ich jetzt mal weg.
    Immerhin hast Du viel Eigeninitiative an den Tag gelegt und Dich da durchgebissen, sowas machen Andere nicht.
    UND: Du hast nun ein gesockeltes Board - sowas braucht man immer wieder mal ;)

    Freut mich, daß es wieder lüppt !!
    Lass doch nochmal den ULTIMAX-RAM-Checker ein-zwei Stunden lang laufen, dann weißt Du, ob Deine RAM´s den Härtetest bestehen ;)

    EDIT:

    da habt ihr sicher Recht, die 257ér waren die ersten beiden Chips die ich ausgelötet habe und das hat nicht wirklich gut funktioniert.

    Bei son TTL-Kram immer die Beine abkneifen und die PIN´s einzeln auslöten, das ist am schonensten für die Durchkontaktierungen.

    Viele Grüße,
    GI-Joe
    Bitte melde dich an, um diesen Link zu sehen. * Bitte melde dich an, um diesen Link zu sehen. * Bitte melde dich an, um diesen Link zu sehen. * Bitte melde dich an, um diesen Link zu sehen. * Bitte melde dich an, um diesen Link zu sehen. * Bitte melde dich an, um diesen Link zu sehen.

  • Danke an alle :thumbsup::thumbsup::thumbsup: und bitte schön ablästern !!


    Gern geschehen - und das Ablästern sparen wir uns hier, denn hier geht's gesittet ab. Du hast super Initiative an den Tag gelegt, da kann sich so mancher "alte Hase" hier ne Scheibe von abschneiden. Außerdem hast Du etwas Wunderbares gemacht: Du hast einen C64 zurück ins Leben geholt. Darüber lästert man nicht.

    Jens

    Bitte melde dich an, um diesen Link zu sehen. - Das offizielle iComp Supportforum ist online.

  • ULTIMAX-RAM Test und Dead Test nach Dauerlauf alles o.B. :thumbsup:

    Kann als gelöst markiert und geschlossen werden.
    Vielleicht sollte man den Threadtitel noch umbenennen , hab den Titel ja nicht ganz passend gewählt. Editieren kann ich das nicht.

    "Was heute noch wie ein Märchen klingt,kann morgen Wirklichkeit sein.Hier ist ein Märchen von übermorgen.Es gibt keine Kupferka­bel mehr,es gibt nur noch die Glasfaser und Terminals in jedem Raum.Man siedelt auf fernen Rech­nern.Die Mailboxen sind als Wohnraum erschlossen.Mit heute noch unvorstellbaren Geschwindigkeiten durcheilen Computerclubs unser Da­tenverbundsystem.Einer dieser Com­puterclubs ist der CCC.Gigantischer Teil eines winzigen Sicher­heitssystems,das die Erde vor Bedrohungen durch den Gilb schützt.Begleiten wir den CCC und seine Mitglieder bei ihrem Patrouillendienst am Rande der Unkenntlich­keit. CCC'84 nach ORION'64"


  • Kann als gelöst markiert und geschlossen werden.
    Vielleicht sollte man den Threadtitel noch umbenennen , hab den Titel ja nicht ganz passend gewählt. Editieren kann ich das nicht.


    Als Threadersteller kannst Du das Thema als Erledigt markieren. ;)

    Bitte melde dich an, um diesen Anhang zu sehen. :verehr: .: Mit Bitte melde dich an, um dieses Bild zu sehen.wäre das nicht passiert! :. :prof:  Bitte melde dich an, um diesen Anhang zu sehen.

    :syshack: .: Meine 3D-Drucker Teile auf :. Bitte melde dich an, um diesen Link zu sehen. :strom:

  • Als Threadersteller kannst Du das Thema als Erledigt markieren. ;)


    nee kann ich eben nicht. Vermutlich, weil ich noch nicht lang dabei bin hier im Forum !
    (oder ich find den Knopf nicht ... :schande: )

    "Was heute noch wie ein Märchen klingt,kann morgen Wirklichkeit sein.Hier ist ein Märchen von übermorgen.Es gibt keine Kupferka­bel mehr,es gibt nur noch die Glasfaser und Terminals in jedem Raum.Man siedelt auf fernen Rech­nern.Die Mailboxen sind als Wohnraum erschlossen.Mit heute noch unvorstellbaren Geschwindigkeiten durcheilen Computerclubs unser Da­tenverbundsystem.Einer dieser Com­puterclubs ist der CCC.Gigantischer Teil eines winzigen Sicher­heitssystems,das die Erde vor Bedrohungen durch den Gilb schützt.Begleiten wir den CCC und seine Mitglieder bei ihrem Patrouillendienst am Rande der Unkenntlich­keit. CCC'84 nach ORION'64"