Günstige [X-Kabel] Moglichkeiten zum Datentransfer PC -> Cevie

Es gibt 69 Antworten in diesem Thema, welches 11.783 mal aufgerufen wurde. Der letzte Beitrag (14. September 2014 um 07:19) ist von Obelix 20960.

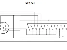
  • Auf der Suche nach einer günstigen Möglichkeit der Übertragung von Dateien zum C64 bin ich Bitte melde dich an, um diesen Link zu sehen. gestoßen. Beim GOOGLEn nach passenden Kabeln bin ich dann auch auf diverse "Xx-Kabel" gestoßen. Ua. gibt es da das einfache X-Kabel (1), daß ich mit einfachen vorhandenen Mitteln erstellen läßt, vor deren Nutzung gerade an neueren PC aber immer wieder gewarnt wird. Im verlinkten Artikel wird ja auch vom XE-Kabel (2) berichtet und sogar die Schematik zum XM-Kabel (3) dargestellt. Desweiteren fand ich noch eine Bitte melde dich an, um diesen Link zu sehen. fur ein XA-Kabel (4), das mehr Bauteile benötigt. Ich möchte nun hier den Erfahrungsaustausch anregen - dh. in Erfahrung bringen, welches Kabel wohl am besten wäre - zumindest zum Übertragen eines DFÜ-Programms für einen Datentausch per Nullmodem (5). Ich möchte auch weiterhin noch in Erfahrung bringen: reicht das Xx-Kabel und das Programm Star Commander auch zum Übertragen einzelner Files (zB PRG)oder dient das Proggie nur zum Übertragen von "d64" Disk-Images?

    edit: Sorry - die Schematik zum XM Kabel habe ich mir aus der XE-Grafik selbst geändert und die Überschrift nicht geändert ...!

  • Naja ich würd immer ein SD2IEC vorziehen. Ist einfach die beste Möglichkeit Daten zu übertragen.

  • reicht das Xx-Kabel und das Programm Star Commander auch zum Übertragen einzelner Files (zB PRG)oder dient das Proggie nur zum Übertragen von "d64" Disk-Images?

    mit der gewählten Konfiguration geht immer beides (einzelne Programme von/auf Disk bringen genauso ganze .d64/Disketten tranferieren) - für Star Commander ist reines DOS eine Grundvoraussetzung.

  • SD2IEC - da hat Heisenberg Recht. Aber warum einfach, wenns auch umständlich geht!

    .
    .
    Das ist schmutzig, falsch und moralisch höchst verwerflich - Ich bin dabei!

  • Die Betonung für diesen Beitrag liegt auf "günstigem Datentransfer"! SIO2IEC ist das nicht und steht für mich - zumindest derzeit - nicht zur Debatte!

  • für das X1541-Kabel solltest (musst) du deinen Rechner im DOS Laufen lassen....

    Ich erstelle dazu eine FAT32 (16) Partition und boote von der Win98-CD oder MS-Dos 6.22 Diskette.

    Auf die FAT-Partition hab ich vorher SC und die D64 bzw PRG kopiert.

    Das X1541 Kabel läuft bei mir recht stabil auch an neueren Rechnern, allerdings mit Floppy 1541-II . Die erste 1541 soll Probleme haben.

    Mit SC kann man einzele Files übertragen (F5) oder D64 Images (Alt-F5).
    Man kann auch ein D64 "öffnen" und daraus einzelne Files übertragen.

  • Wir nutzen diese einfachen XKabel praktisch gar nicht mehr weil man Hardwarekontrolle über den Port braucht da das IEC Protokoll timingkritisch ist. Das ist bei Multitastingbetriebsystemen nur eingeschränkt möglich bis zu fummelig. Meist hängt das von der Hardware im modernen PC ab ob das überhaupt geht. Wenn du noch nen alten DOS Rechner hast wird es höchstwarscheinlich funktionieren...hast aber mit der Karre dann kein Netzwek oder gescheites Internet oder sowas.
    Starkommander hat volle Floppykontrolle und kann sowohl einzelne Files als auch ganze Images auf ne 1541 übertragen.

    Mein ignorierter Beitrag zur Netzteildiskusion:

    Der Inhalt kann nicht angezeigt werden, da er nicht mehr verfügbar ist.

  • für das X1541-Kabel solltest (musst) du deinen Rechner im DOS Laufen lassen....

    Kein Problem - ich habe mir auf meinem "kleinen" XP-Lappy, zu dem ich auch eine Docking-Station mit Centronics-Druckerport habe, auch schon die MS-DOS Startdiskette nach der Anleitung erstellt (mit den im Text angegebenen Programmdateien SC.EXE und SCMAIN.EXE)!
    Allerdings ...

    Ich erstelle dazu eine FAT32 (16) Partition und boote von der Win98-CD oder MS-Dos 6.22 Diskette.

    ... habe ich auf der recht "kleinen" Festplatte von 80GB - die ich schon auf zwei Laufwerke aufteilte - keinen Platz mehr; und eine zweite Festplatte kann man in den älteren Notebooks ja auch nicht einbauen ...
    Auf dem Rechner (Siemens Lifebook 7020) habe ich Win XP installiert! Bei Tests aus XP heraus öffnet das SC.EXE auch (in der Eingabeaufforderung) und läßt sich sogar per Maus bedienen. Warum muß man eigentlich über einen Neustart des Rechners ohne Windows arbeiten?
    Geht als zweite Festplatte vielleicht auch ein USB-Stick (8GB)?

    Das X1541 Kabel läuft bei mir recht stabil auch an neueren Rechnern, allerdings mit Floppy 1541-II . Die erste 1541 soll Probleme haben.

    Die 1541II habe ich auch ...

  • so wie ich das lese gibts für die Kabelrotze mehr Probleme und Schwierigkeiten als effektiven Nutzen.
    Auf zur fröhlichen Diagnosesitzung.

    .
    .
    Das ist schmutzig, falsch und moralisch höchst verwerflich - Ich bin dabei!

  • Starcommander selbst läuft zwar unter Win9x,aber Datenaustausch(Floppyzugriff) geht NUR im DOS Modus,d.h, der Win9x Rechner muß im MS-Dos Modus gestartet werden. Nur zu blöd,wenn man bei den D64 oder PRG Dateien lange Dateinamen benutzt und man mehrere ähnliche Dateinamen hat. Da DOS nur 8 Zeichen +3 für Dateinamen erlaubt,wird der Rest durch die Tilde abgeschnitten. Das sorgt gerne für zusätzliche Verwirrung. Das X1541 Kabel darf keinesfalls in der nähe des Monitors,Netzteil oder Handy liegen,sonst gibt es Übertragungsprobleme! Länger wie 1 Meter darf es auch nicht sein,da es sonst ebenfalls Übertragungsprobleme gibt. Es funtzt ganz gut,wenn man diverse Dinge berücksichtigt.

  • Übrigends gibt es für DOS auch den LFN Treiber , für lange Dateinamen.

    Hast du auf deinem Laptop schon eine Fat Partition?
    Oder ist alles NTFS?

    USB Stick mit FAT32 geht auch, wenn er vom BIOS erkannt wird (Support für USB HDD)

    Anstecken und Booten, dann schauen ob es ein Laufwerk C: gibt.

    Man kann auch einen USB Stick bootbar machen und dann alles drauf tun was man braucht: DOS, SC, und die 64 Software die man übertragen will

  • USB Stick mit FAT32 geht auch, wenn er vom BIOS erkannt wird (Support für USB HDD)


    Wobei man da wieder so moderne MultiIO Chips drin haben kann wo das eben nicht mit geht. Muss man rausfinden. Eventuell mapt das BIOS die Ports auch gern in Adressbereiche die Starkommander so nicht erreichen kann.
    hab schon wirklich fast alles durch gehabt was die Nutzung von Com/Parport und alten anderen Krams behindern kann.

    Ich würde eher ZoomFloppy oder sowas vorschlagen.

    Mein ignorierter Beitrag zur Netzteildiskusion:

    Der Inhalt kann nicht angezeigt werden, da er nicht mehr verfügbar ist.

  • so wie ich das lese gibts für die Kabelrotze mehr Probleme und Schwierigkeiten als effektiven Nutzen.
    Auf zur fröhlichen Diagnosesitzung.

    Wenn es billige Möglichkeiten gibt - warum soll ein notorischer "Pleitegeier" zu teuren Alternativen greifen?

    Übrigends gibt es für DOS auch den LFN Treiber , für lange Dateinamen.

    Dürfte nicht nötig sein, da ich beim Speichern unter Windows Dateinamen anpassen kann - 8 Zeichen Dateiname wird reichen!
    Lieber hätte ich einen Maustreiber, da SC auch per Maus steuerbar ist!

    Hast du auf deinem Laptop schon eine Fat Partition?
    Oder ist alles NTFS?

    Wie weiter oben schon erwähnt, habe ich eine ziemlich volle 80GB Festplatte im Gerät - soweit ich weiß, hatte ich beim Installieren gleich NTFS eingestellt!

    USB Stick mit FAT32 geht auch, wenn er vom BIOS erkannt wird (Support für USB HDD)

    Ich habe versucht, einen auf FAT-Einstellung neu formatierten Stick unter MS-DOS anzusprechen - aber er gibt bei dem Versuch, das Lauifwerk zu wechseln (Eingabe: "C:" / "D:" etc) nur Fehlermeldungen aus. Gibt es vielleicht USB Driver für MS DOS? oder gibt es andere Wege, eine USB Platte (mir fällt gerade ein, ich habe noch 'ne frisch formatierte 160GB Platte für USB) unter MS DOS anzusprechen?

    Anstecken und Booten, dann schauen ob es ein Laufwerk C: gibt.

    (s.v.A)

    Man kann auch einen USB Stick bootbar machen und dann alles drauf tun was man braucht: DOS, SC, und die 64 Software die man übertragen will

    DOS Drauf tun - heißt das, die Start-Dateien der MS-DOS Startdisk zu kopieren oder gleich meine "neue" externe Festplatte "mißbrauchen", um sie mit MS DOS komplettsystem zu versehen und dann beim Start des PC mit <F12> das Bootmenü aufrufen und von dem Laufwerk starten?
    Ich glaube ich habe noch einige MS-DOS Setup Diskpacks - aber ob da auch v6.22 bei ist? Kann ich die irgendwie über Windows installieren oder sollte ich im BIOS die Bootreihenfolge ändern (1=USB-HDD, 2=Diskette)?
    Als 1 sehe ich dann doch die externe HDD vor, damit sie korrekt ins System eingebunden und später auch bedient wird; und als 2 die Diskette, da dort die Programme zum Starten befinden!

    Das X1541 Kabel darf keinesfalls in der nähe des Monitors,Netzteil oder Handy liegen,sonst gibt es Übertragungsprobleme! Länger wie 1 Meter darf es auch nicht sein,da es sonst ebenfalls Übertragungsprobleme gibt.

    Bezieht sich Monitor auch auf Laptop Bildschirme? Der Printerport sitzt ja praktisch direkt darunter? Die Länge möglichst kurz ist kein Problem ...!

  • Wenn du noch n Euro für geeignete Schottky-Dioden drauflegst, kannst du dir unter geringem handwerklichen Mehraufwand ein XE- bzw. XM-Kabel zimmern. Das funktionert dann auch aus der Win9x GUI heraus, die XM-Variante taugt mit OpenCBM sogar für XP.

  • Wenn es billige Möglichkeiten gibt - warum soll ein notorischer "Pleitegeier" zu teuren Alternativen greifen?


    Sind 5 Euro für ein (neues) ZoomFloppy-Cheap-Board (aus der Bucht) drin? Dann noch ein bisschen Lötkolben-Bastelarbeit und fertig ist die USB-Lösung. Wozu noch X-Kabel?


  • Sind 5 Euro für ein (neues) ZoomFloppy-Cheap-Board (aus der Bucht) drin? Dann noch ein bisschen Lötkolben-Bastelarbeit und fertig ist die USB-Lösung. Wozu noch X-Kabel?


    Ich meinte so ein Cheap-Board: Bucht-Artikel-Nr: 190879634301
    Wäre gut, wenn hier einer der Bastel-Chefs bestätigen könnte, das alle notwendigen Pins da sind. Warum noch was anderes als so ein Cheap-Board nehmen?

  • Das SD2IEC ist für den gewünschten Zweck 'reale Floppy an PC hängen' ja wohl die denkbar ungeeignetste Alternative. Ich würde es mit dem XE-Kabel versuchen (Parallelport, reines DOS) und falls es nicht klappt mittels Teensy-Board zum Zoomfloppy-Clone hochrüsten (ehemals XUM1541-Kabel geheißen, USB-Anschluß und Windows-Treiber vorhanden). Die drei Dioden, die man dann übrig hat, sollten zu verschmerzen sein :wink:

    KI-Verwendung in diesem Posting: Rechtschreibkontrolle des Browsers.
    Abweichungen aufgrund des technischen Fortschritts oder individueller Vorlieben vorbehalten.

  • Das SD2IEC ist für den gewünschten Zweck 'reale Floppy an PC hängen' ja wohl die denkbar ungeeignetste Alternative.

    Darum gehts auch nicht.

    Sondern "Auf der Suche nach einer günstigen Möglichkeit der Übertragung von Dateien zum C64..."

    Und da ist die bequemste und günstigste Variante nun einmal das SD2IEC!
    Das Kabelgedöns ist nun einmal nicht wirklich funktionell wie wir hier schon gelesen haben. Sondern nur für Leute gedacht, die Zeit und Muße haben, sich auf Fehlersuche und Diagnose zu begeben und für Masochisten.

    .
    .
    Das ist schmutzig, falsch und moralisch höchst verwerflich - Ich bin dabei!

  • Das SD2IEC ist für den gewünschten Zweck 'reale Floppy an PC hängen' ja wohl die denkbar ungeeignetste Alternative.

    Es geht um das Thema "Datenaustausch" und da ist das SD2IEC einfach unschlagbar, da man hier lediglich nur eine Speicherkarte benötigt und KEINE
    Transfersoftware.