Atari ST1040 Erstkontakt

Es gibt 34 Antworten in diesem Thema, welches 6.685 mal aufgerufen wurde. Der letzte Beitrag (4. Juni 2014 um 10:52) ist von Obelix 20960.

  • Hallo!

    Habe vor einer Weile einen Atari ST bekommen nebst SM124 S/W Monitor, mich aber heute zum erstenmal mit der Kiste beschäftigt.
    Nach dem Einschalten kommt nach einer Weile ein Desktop und die auf Atari umschaltbare Amigamaus tut auch.

    Vermutlich fehlt mir aber noch das Analogon zur Workbenchdiskette (wie heisst das beim ST? GEM oder?), weil einen Kommandozeileninterpreter oder ein Diskettenformatiertool habe ich nicht finden können.

    Hat jemand einen Tip für eine Internetseite, die sich ganz gut für den Einstieg eignet?

    Soweit ich bisher herausfinden konnte, ist das Laufwerk PC-DD Standard 720kb, dh. DD Diskette ganz normal mit dem PC schreiben und dann gehts?

    Gruß
    Stephan

  • Da gibts keine workbench-Disketten, der Desktop ist quasi die Workbench. Ist doch alles Wichtige integriert, und einen Menüpunkt zum Formatieren gibts da auch. Vorher nur das Drive-Icon auswählen, damit es schwarz wird.

    Du kannst am PC Disketten dafür erstellen, ja. Besorg dir ein paar Images, und schreib die mit rawrite drauf, das müsste gehen.

  • Atari hatte halt sehr bescheidene Vorstellungen, was "wichtig" ist und wie ein vollständiges Betriebssystem aussieht. :P

  • Es ist alles wichtige an Bord, wir kamen damit damals hervorragend zurecht. Und auch heute reicht das noch, um Programme starten zu können. Schau mal hier, da findest du auch Bedienungshandbücher zum runterladen: Bitte melde dich an, um diesen Link zu sehen. Bitte melde dich an, um diesen Link zu sehen.

    Für weiteren Komfort schließt man eine Festplatte an, packt zusätzliche Treiber und Erweiterungen, Systempatches usw. nach c:\auto bzw. nützliche ACCs nach c:\, Xcontrol-Felder nach c:\cpx und baut sich so seine Umgebung selbst aus. Und wenn einem dieser Desktop nicht ausreicht, mit Gemini, Terradesk, Ease und vielen weiteren stehen funktional ausgebautere Varianten bereit. Wer Multitasking haben will, installiert Magic! oder Multitos (MiNT) auf der Platte, allerdings sind selbst die kleinen MiNT-Varianten (MultiTOS von Atari) auf einem 1040er mit nur 1 MB RAM sehr speicherfressend und recht träge, moderne Varianten wie EasyMiNT oder SpeareMint kann man auf 8 MHz Maschinen total vergessen, dafür bekommt man damit aber einen TOS/Unix/Posix-artigen Rechner mit interessanten Möglichkeiten, kann man MiNT unter Aranym mal auf dem PC, Mac oder Linux mal ausprobieren, inklusive erstaunlich modern wirkenden Atari-Anwendungen. (EasyAraMiNT -> Bitte melde dich an, um diesen Link zu sehen. )

    Eine Shell ist am ST unter den alten TOS-Versionben (bis zum Falcon TSO 4.04) nicht notwendig, geht alles so, allerdings hat Gemini die Mupfel-Shell dennoch eingebaut. Und bei MiNT bekommt man Bash und alles was das Herz begehrt. Eine zentrale Druckerverwaltung bekommt man mit gdos, allerdings nutzen das nur neuere Programme. Mit Metados kann man CD-ROM-Laufwerke ansprechen, STiNG ist ein TCP/IP-Stack, wofür es diverse Webbrowser gibt, usw.

    Und rein zum Spiele starten braucht man das alles auch nicht, nur ein Farbmonitor bzw. Scart-Kabel für den Fernseher wäre da sinnvoll.

    Mal hier, mal da, mal dort. Aber auf jeden Fall auf der Bitte melde dich an, um diesen Link zu sehen.! Und hier Bitte melde dich an, um diesen Link zu sehen.!

  • Genau so sieht es aus, ich war damals Weihnachten 1987 sowas von Glücklich über meinen 520ST und meilenweit vor den anderen in der Schule die Stundenlang auf das laden von SummerGames warten mussten :wink:

    Ne, aber im ernst es ist wirklich alles wichtige da, nur eben nicht so schön bunt wie die Workbench Verpackt, aber mit alternativen Desktops geht auch ne ganze Menge... Auch wenn ich 1991 auf Amiga umgestiegen bin, bin ich immernoch mehr Atarianer als alles andere und finde es auch heute noch ein geniales System :wink:

    Viele Grüße, Marcus

    Meine Sammlung:

    C64, C46C, C64G, Amiga 500/ 600 / 1200, ATARI 520/520+/1040ST/1040STe/ Mega STe, ATARI 2600/ 7800, ATARI LYNX, G7000, PS1, PS2, GameBoy, GBA, NDS, NDSi, WII, XBox

  • Was hatte es beim Atari eigentlich mit den Bomben auf sich? Ich hab das nie verstanden. Mir ist klar, das die Anzahl der Bomben einen Code ausgibt, welcher Fehler anliegt, doch weshalb gerade eine Bombe?!

    Systemshock war eines meiner ersten Computerspiele auf CD-Rom, welches mich sehr gefesselt hat. Wer oder was ist SHODAN: Bitte melde dich an, um diesen Link zu sehen.

  • Was hatte es beim Atari eigentlich mit den Bomben auf sich? Ich hab das nie verstanden. Mir ist klar, das die Anzahl der Bomben einen Code ausgibt, welcher Fehler anliegt, doch weshalb gerade eine Bombe?!

    Ist eine Reminiszenz an den Macintosh. Da war in den Fehlermeldungen bei einer unimplemented Trap auch eine Bombe abgebildet. Suche mal in der Google Bildersuche nach MAC OS 7 Fehler.

  • Was hatte es beim Atari eigentlich mit den Bomben auf sich? Ich hab das nie verstanden. Mir ist klar, das die Anzahl der Bomben einen Code ausgibt, welcher Fehler anliegt, doch weshalb gerade eine Bombe?!


    Kennst du auf dem Amiga die Guru-Meditation? Das ist exakt das selbe. Ein Trap, ausgelöst vom 68000, der anzeigt dass ein fataler Programm- oder System-Fehler aufgetreten ist, z.B. eine Division durch 0 oder ein unbekannter Maschinenbefehl. Die Anzahl der Bomben zeigt an, welcher Fehler es war, allerdings ohne die Details wie Speicheradrese anzuzeigen, wie es der Guru oder der Blue-Screen von Windows macht(e) (Bei Win 8.x sieht man vom Bluescreen auch nur noch ganz wenig, meistens nur noch ein ":-(" )

    Mal hier, mal da, mal dort. Aber auf jeden Fall auf der Bitte melde dich an, um diesen Link zu sehen.! Und hier Bitte melde dich an, um diesen Link zu sehen.!

  • Soweit ich bisher herausfinden konnte, ist das Laufwerk PC-DD Standard 720kb, dh. DD Diskette ganz normal mit dem PC schreiben und dann gehts?

    Bevor du mit Infos erstickt wirst: :)
    Atari-Images kannst du ganz unproblematisch unter Windows mit Bitte melde dich an, um diesen Link zu sehen. schreiben. Nicht vergessen, vorher auch den Treiber zu installieren und bei DD-Images (werden wohl die meisten sein) eine entsprechende Diskette zu nehmen bzw. das zweite Loch zu verkleben!

    Silber in "Surfing" bei California Games 2008 :)
    Gold in "Bobsled" bei Winter Olympiad 2009 :D


  • Ein paar Tipps:
    Also - wenn Du den Atari nur zum Spielen nutzen willst, reicht es vermutlich, irgendwo Disketten zu beschaffen und diese irgendwie mit Spiele-Software zu beschreiben. In diesem Falle solltest Du Dir aber noch Möglichkeiten schaffen, die Color-Auflösung zu nutzen - schönere Spiele. Jeder handelsübliche RGB Moni dürfte tauglich sein - oder wenn es gar ein Modulatorgerät (STfM oder STE) ist, reicht ein einfaches Chinch-Antennenkabel zur Not, um einen TV zu nutzen. Falls ein TV Gerät mit Scart zV steht, gibt es Adapter, die man leicht auch selber löten kann ...
    Sollte der Atari zu mehr genutzt werden, empfiehlt sich auf jeden Fall ein größerer Datenspeicher (Festplatte, Wechselplatte oder vergleichbares). Als heutiger HDD Ersatz wäre da auch (Ultra-) Satan zu empfehlen, die - je nach Treiber - mindestens 1024MB speichern kann!
    Solltest Du tatsächlich auch die Anschaffung einer Solchen in Erwägung ziehen, empfiehlt sich, die Images gar nicht mehr auf Disk zu erzeugen sondern auf HDD abzulegen und mit dem Bitte melde dich an, um diesen Link zu sehen. zu starten!
    Auch auf die Gefahr hin, daß ich wieder von allen Seiten auf die Füße getreten bekomme: Eine Philosophie in meinen Kreisen für ALLE Lebenslagen ist folgende:

    Zitat

    Eine Quelle ist dort anzulegen, wo sie auch benötigt wird - sonst ist früher oder später mit Ärger zu rechnen

    Zu Deinem Problem beziehe ich mich mit "Quelle" auf die zu erzeugenden Disks und der Nutzort ist halt der Atari - soll heißen, die Disketten aus den im Internet sollte man am PC in ein verarbeitbares Format bringen und danhn irgendwie zum ST transportieren und dort die Disk erzeugegen! Ich habe schon mindestens 4 Disks gefrunden, die sich am PC nicht korrekt erzeugen ließen! Eine war zB Lemmings 2, die sich am Atari nicht starten ließ - auch nicht mit dem Image-Runner! Zu MSA Konvertiert, die MSA Datei auf Diskette Speichern, zum Atari gehen und dort eine korrekte Disk erzeugen brachte aber dann Erfolg!

    Hast Du überhaupt eine Diskettenstation am PC? Ab Win XP wird in der Formatier-Routine keine Wahl mehr ermöglicht. In der Eingabeaufforderung aber läßt sich - vorausgesetzt, Dein Laufwerk ist dafür ausgelegt - eine Befehlsfolge dafür setzen. Ich hab es mit dem Menüpunkt "Ausführen" probiert und auch hier funzt der Formatierbefehl. Es lag darum nahe, eine Verknupfung zu erzeugen. Die angehängte Datei ist das Ergebnis. Die Verknüpfung im Zip auf den Desktop angelegt, öffnet sich per Doppelklick die Eingabeaufforderung und die Formatierung von DD-Disks geht praktisch automatisch von statten! Zumindest bis Win 7 mit USB Floppy getestet:

    Zitat

    no Problem

  • Herzlichen Dank an alle für die Tips! Das Wochenende kann kommen :)

    Ich plane, den Atari an den Commodore 1084S anzuschließen, gemäß

    Bitte melde dich an, um diesen Link zu sehen.

    Ich habe auch Ebay ein paar Kabel gesehen, den Stecker gibts nicht zufällig irgendwo?


    Viele Grüße
    Stephan

  • Den Stecker gibt es bei Reichelt Elektronik, sollte Artikel-Nr. SE-DIO 13 sein.

  • Sehr cool. Tief im Inneren habe ich an die Suche nach meinem 23-poligen Sub D Weibchen gedacht (Danke Endee! :)

  • Bestell Dir gleich drei - einen für einen 15kHz-Adapter, einen für einen 30kHz-Adapter, einen als Reserve.
    Mit dem 30kHz-Adapter kann man dann den High-Resolution-Graustufen-Modus auf einem SVGA-TFT darstellen.

    Yes, I'm the guy responsible for the Bitte melde dich an, um diesen Link zu sehen. cross assembler. And some Bitte melde dich an, um diesen Link zu sehen..

  • Was, nur 3 :) ?

    Ich habe wie gesagt auch einen SM124, der hat ein ganz gutes (erfreulich flickerfreies) Bild, aber mehrere cm breite schwarze Ränder an allen Seiten.
    Gehört das so oder hat der vorbesitzer da im inneren diverse Potistellungen "optimiert"?

    Gruß
    Stephan

  • Hallo,

    der Schwarze Rand war (ist) normal. Es gab mal in der 68000er (glaube ich) einen Artikel, wie man das Bild kpl. "aufzieht", was dann zu Unschärfen in den Ecken führte.

    <--- Das da ist eine Hälfte meines Ichs
    Bitte melde dich an, um diesen Link zu sehen.

  • Oder man baut - sofern man hat - eine AutoSwitch-Overscan-Platine in den ST ein und erfreut sich - nach Treiberinstallation auf der Platte - an 768x576 Pixel Auflösung ohne Ränder.

    Mal hier, mal da, mal dort. Aber auf jeden Fall auf der Bitte melde dich an, um diesen Link zu sehen.! Und hier Bitte melde dich an, um diesen Link zu sehen.!

  • Vielen Dank für die Erläuterungen. :)

    Systemshock war eines meiner ersten Computerspiele auf CD-Rom, welches mich sehr gefesselt hat. Wer oder was ist SHODAN: Bitte melde dich an, um diesen Link zu sehen.

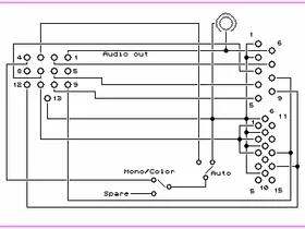
  • Noch ein Tipp zum Monitor: Bei Reichelt gibt es auch die passende Kupplung und Buchse. Mit ein bißchen Geschick kannst Du damit und einem oder zwei Schalter, ein passendes Kleingehäuse und einem kurzen Stück 10-11adrigem Kabel aowie etwas Geschick in Gehäuse-Bearbeitung auch leicht eine Umschaltbox herstellen. Ich habe dazu mal in Abwandlung der Ausgangs-Steckverbinder (Sub D mit integrierter VGA Anpassung) auch mal eine skizziert. Wenn Du mit ein bißchen Umdenken das wieder auf Atari-Buchsen umsetzen kannst, kannst Du dDich gerne mit der angehängten Grafik befassen. Sie enthält auch einen Schalter für eine Softwaremäßige (Automatische) Umschltung - aber:
    Vorsicht: Eine automatische Umschaltung dürfte an einem STE nicht mehr funktionieren und kann im Gegenteil sogar Probleme herbeiführen! Solltest Du also einen STE haben, kannst Du den "Auto" Schalter weglassen. Der Mittenkontakt des anderen Schalters ist dann mit der vom Pin 13 kommenden Masse direkt zu verbinden!