Kleine Detailfrage: Was wird als Ausgabemedium dienen? VGA, S-Video, Composite, TTY...?
W65C02S-Einplatinencomputer
-
cbmhardware -
29. Januar 2012 um 11:07 -
Erledigt
Es gibt 295 Antworten in diesem Thema, welches 49.577 mal aufgerufen wurde. Der letzte Beitrag (
-
-
Kleine Detailfrage: Was wird als Ausgabemedium dienen? VGA, S-Video, Composite, TTY...?
Das ist bisher nicht als Desktoprechner gedacht. Ich persönlich halte eine RS232 also TTY für die beste Lösung. Liegt vielleicht daran, dass ich sowas tägilch benutze (serielle Konsole an *IX-Systemen) und das für eine der flexibelsten Lösung überhaupt halte. Abgesehen davon ist ein Videocontroller und Tastaturinterface deutlich komplexer in der Implementation als ein UART/ACIA.

Man kann natürlich anderes dranstricken, aber IMHO sollte eine Grundfunktion (a la Monitor-Kommando des C16 oder C128 plus Upload von Binaries) über RS232 laufen. Kann man bequem in einem weiteren Fenster auf dem Desktop offen haben, Cut&Paste benutzen usw.
Was anderes... Das vorgesehene 628512 SRAM ist CMOS und liegt im Standby (_CS auf HIGH) bei 10µW Verbrauch. Das ist wenig genug um über eine Pufferung des RAM über Li-Batterie nachzudenken. Eine Fassung für eine CR2032 in stehend braucht wenig Platz. Hat hier jemand eine Quelle für einen Schaltplan wie man sowas implementiert? Idealerweise ohne Spezial-ICs.
-
Was anderes... Das vorgesehene 628512 SRAM ist CMOS und liegt im Standby (_CS auf HIGH) bei 10µW Verbrauch. Das ist wenig genug um über eine Pufferung des RAM über Li-Batterie nachzudenken. Eine Fassung für eine CR2032 in stehend braucht wenig Platz. Hat hier jemand eine Quelle für einen Schaltplan wie man sowas implementiert? Idealerweise ohne Spezial-ICs.
Bitte melde dich an, um diesen Link zu sehen.? -
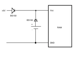
Genau so würde ich es auch machen, krüppelige Skizze mal angehängt, wie so etwas isoliert aussieht. Die BS150 hab ich jetzt nur mal als Beispiel gewählt, weil die Kennlinie einen geringen Spannungsabfall bei 10 mA verspricht. Sie ist natürlich komplett überdimensioniert. Habe mir eben auch die 1N5817 aus dem NeoRam mal angeschaut, die hat eine ähnliche Kennlinie im für uns interessanten Bereich, ist aber kleiner und bei Reichelt auch 3 Cent günstiger.
Im Endeffekt wird jede Schottky-Diode funktionieren, die bis 15 mA eine Vorwärtsspannung von ca. 0,3 V bei Zimmertemperatur aufweist. Dann liegen alle Werte für das RAM im Rahmen (Signalspannung darf 0,3 V höher sein als die Versorgungsspannung) und Batteriepufferung funktioniert auch noch bei 2,7 V.
Billiger als die paar Cent für 2 Schottky-Dioden geht es nicht. -
Man kann natürlich anderes dranstricken, aber IMHO sollte eine Grundfunktion (a la Monitor-Kommando des C16 oder C128 plus Upload von Binaries) über RS232 laufen. Kann man bequem in einem weiteren Fenster auf dem Desktop offen haben, Cut&Paste benutzen usw.
Ich bin so langsam auch der Meinung, dass man besser ein einfaches RS232-Interface einbaut. Also ohne AVR und Leitungsbeschaltung. Ich habe eben noch eine andere Variante mit 245er-Bustreiber an den Datenleitungen zum AVR versucht. Das ist eine Menge Bauteil und viele Leitungen zum Routen. Das wird wohl klappen, aber auch ein ordentlicher Schlappen mit Bauteilen.

hobbycoder: Der Trick beim Neoram ist der Transistor. Damit geht /CS=1 nach dem Abschalten und der RAM nimmt die Leitungen vom Bus. Dann fließt erheblich weniger Strom ab.
-
Ich bin so langsam auch der Meinung, dass man besser ein einfaches RS232-Interface einbaut. Also ohne AVR und Leitungsbeschaltung. Ich habe eben noch eine andere Variante mit 245er-Bustreiber an den Datenleitungen zum AVR versucht. Das ist eine Menge Bauteil und viele Leitungen zum Routen. Das wird wohl klappen, aber auch ein ordentlicher Schlappen mit Bauteilen.

Ich muss mal meine Sammlung durchsehen, irgendwo habe ich meines Wissens noch das EPROM zum EMUF-232, davon könnte man sich inspirieren lassen. Der hatte einen Monitor über RS232.
Zitat
hobbycoder: Der Trick beim Neoram ist der Transistor. Damit geht /CS=1 nach dem Abschalten und der RAM nimmt die Leitungen vom Bus. Dann fließt erheblich weniger Strom ab.Das Problem ist, man will das RAM auch über _CS ansteuern damit man _OE mit R/_W verbinden kann und beim Schreibzugriff nicht für ein paar ns die Treiber von CPU und RAM gegeneinander arbeiten.
-
Ich muss mal meine Sammlung durchsehen, irgendwo habe ich meines Wissens noch das EPROM zum EMUF-232, davon könnte man sich inspirieren lassen. Der hatte einen Monitor über RS232.
Ich habe es mit Eagle und Auto-Router-Unterstützung testweise gerouted. Das sind ca. 7x10cm Leiterplatte und halber Standard-Grid.
Bitte melde dich an, um diesen Anhang zu sehen.
32 Leitungen auf dem Weg zur Logik.
Ist natürlich nicht optimiert, aber man sieht auch so die Ausmaße. Viel kleiner kann das nicht werden. -
Hab nochmal das Datenblatt zur CPU gelesen... R/_W wird auch vom BE-Signal kontrolliert, braucht also keine Entkopplung.
-
Die eine Leitung macht den Braten dann auch nicht mehr fett. Wollte hier nicht jemand dringend einen Schaltplan erstellen ?

Hie noch der Eagle-Schaltplan zum möglichen AVR-Interface : Bitte melde dich an, um diesen Link zu sehen. ; fehlt diverser Kleinkram.
So langsam habe ich herausgefunden, wie das bei KiCad funktioniert. Und wie man erstellte Footprints wiederfindet.
Der Auto-Router basiert scheinbar auf Java. Mir ist fast mein Single-Core HT abgebrannt, als ich mir die Demo ansah.
Den Kicad-Schaltplan lade ich demnächst noch hoch.Wenn es nichts werden sollte, werde ich die Trockenübung in mein Wiki (Bitte melde dich an, um diesen Link zu sehen.) übernehmen. 6502-CPU passt dort auch sehr gut.
-
Entschuldigung, dass ich mich in den letzten Tagen weder beteiligen noch melden konnte; ich war auf Konfirmandenfreizeit und hatte nur mein Handy dabei, womit man natürlich nur eingeschränkt arbeiten kann

Ich werde mal alle Schaltpläne aktualisieren und in KiCAD zusammenfassen.MfG.
crasbe -
Entschuldigung für den Doppelpost, aber ich habe nun in KiCAD den Schaltplan für den AVR mit den Logikchips fertig.
Siehe Link: Bitte melde dich an, um diesen Link zu sehen.
Falls jemand Fehler findet, kann ich die korregieren.Weiß jemand, wie man die Supply-Pins in KiCAD ansteuert? Die Logikchips haben alle noch keinen Strom...
-
Weiß jemand, wie man die Supply-Pins in KiCAD ansteuert? Die Logikchips haben alle noch keinen Strom...
Implizit über einen irgendwo hingeklatschten Power-Port mit passendem Namen, die 74xxer-Teile aus den Standard-Libs erwarten meist VCC und GND. -
Genau so ist es. Bei Kicad muss zusätzlich das PWR_FLAG (einfach in der Bauteil-Auswahl eingeben) an VCC.
-
Gerrit: Lädst du deinen Schaltplan mit der Banking-Logik noch hoch, damit ich ihn aufnehmen kann?
Ich arbeite im Moment an dem Schaltplan für RAM und ROM.
-
Gerrit: Lädst du deinen Schaltplan mit der Banking-Logik noch hoch, damit ich ihn aufnehmen kann?
Ich arbeite im Moment an dem Schaltplan für RAM und ROM.
Ich nehme an du brauchst die .sch Files? Ich versuche sie mal anzuhängen.
Kleine Anmerkung... Könntest du das Banking-Register auf $8A00 legen, die beiden VIAs auf $8000 und $8400 und einen eventuellen ACIA auf $8800? Ausdekodiert ist es ja schon. Ich hatte das anders gelegt, aber ich sehe gerade im Schaltplan zum EMUF-232, dass das die Speicherbelegung dort ist (Jedenfalls im Bezug auf ACIA und den ersten VIA). Dann könnte man für Testzwecke dessen ROM verwenden.
-
Ich war wieder fleißig und habe nun die Schaltpläne von Banking, AVR, Select und Speicher soweit fertig.
Die Librarys, die ich extra heruntergeladen habe, habe ich in den Zip-Ordner beigefügt.
Hier der Link: Bitte melde dich an, um diesen Link zu sehen.
MfG.
crasbeEdit: Für den 74HCT 493 müssen wir Ersatz finden; den gibt es nur bei Mouser als 74LS 493 und kostet saftige 2,66€. Das ist für so einen schnöden Logikchip nicht tragbar.
-
Edit: Für den 74HCT 493 müssen wir Ersatz finden; den gibt es nur bei Mouser als 74LS 493 und kostet saftige 2,66€. Das ist für so einen schnöden Logikchip nicht tragbar.
Wo ist denn ein 74*493 verbaut? Ich hab in der Taktaufbereitung einen 74LS293 verwendet und den gibts bei Reichelt für 74 Cents.
-
crasbe : Sieht für den Anfang schon ganz gut aus. Den AVR hättest Du ruhig drin lassen können. Ich hatte keine passende Lib und hatte daher den pinkompatiblen Mega32 verwendet.
-
crasbe : Sieht für den Anfang schon ganz gut aus. Den AVR hättest Du ruhig drin lassen können. Ich hatte keine passende Lib und hatte daher den pinkompatiblen Mega32 verwendet.
Hattest du nicht egale benutzt?Wie auch immer; ich habe noch ein paar Probleme mit ERC, und ich arbeite noch an der hierarchischen Seite.
Dann kann ich auch bald anfangen, den W65C02 einzubauen.@all: Sollen wir nun PLCC nehmen, oder nicht? PLCC hat den Vorteil, dass man weniger Platinenkosten hat. Die Chips kosten allerdings nicht mehr. Natürlich bekommen die PLCC Chips Sockel, weil wohl keiner hier sonderlich gut und gerne PLCC lötet.
-
Hattest du nicht egale benutzt?
Klar. Der war nicht in der Lib und hatte keine Lust einen zu suchen.
Zitat
@all: Sollen wir nun PLCC nehmen, oder nicht? PLCC hat den Vorteil, dass man weniger Platinenkosten hat. Die Chips kosten allerdings nicht mehr. Natürlich bekommen die PLCC Chips Sockel, weil wohl keiner hier sonderlich gut und gerne PLCC lötet.Über das Löten würde ich mir da keine Gedanken machen. Der Pitch ist bei PLCC genauso einfach wie DIL. Ich würde mir eher Gedanken über das Routing machen. Der PLCC ist zwar kompakter, dafür ist das Pinout nicht so praktisch. Beim Routing könnte die DIL-Version Vorteile bringen. Mit einem PLCC verbraucht man den gewonnen Platz sehr schnell wieder mit Kreuz und Quer-Leiterbahnen.
-