Umbau ASSY250469B von VIC 8565 auf 6569

Es gibt 18 Antworten in diesem Thema, welches 5.598 mal aufgerufen wurde. Der letzte Beitrag (3. Februar 2020 um 00:59) ist von kinzi.

  • Um bei einem Bastelprojekt die Grey Dots wegzubekommen möchte ich eine ASSY250469B Leiterplatte auf den alten VIC
    Downgraden:


    Pinbelegung passt soweit bis auf Pin 13 und 16
    AEC von Sockel Pin 13 auf VIC 6569 PIN 16
    VIC 6569 PIN 13 auf +12Volt

    und es läuft nicht, hat jemand ideen? Der VIC Läuft ein einer ASSY250407, und die 12 Volt Passen auch ?(

  • Laut der Pin-Beschreibung hier:

    Bitte melde dich an, um diesen Link zu sehen.

    liegt sowohl am 6569 - als auch am 8565 - an Pin 13 Vdd an, sprich: es reicht, wenn Du da nur +12 Volt anlegst statt +5 Volt.

  • Die Belegung hatte ich mir bei Zimmers.net aus den Schaltplänen zusammengesucht.
    Einfach +12 Volt auf den Pin Läuft leider auch nicht, ich pack mal das Oszi aus und mess mal in den verschiedenen Boards...

  • Dann hast Du übersehen, daß bei den Schaltplänen mit 8565 der Pin 13 zweimal vergeben wurde: enmal für Vdd 5V, einmal für AEC. Laß AEC wo es ist, gib 12V auf Pin 13, und sei froh daß der Chip nur 5V braucht und nciht wie der neue SID 9V... dann wäre der 6569 jetzt nämlich getoastet.

    Tip: Immer auch ins Datenblatt gucken und in die Service Manuals. Gerade die Schaltpläne vom C64 sind bekannt dafür, diverse Fehler zu enthalten

    KI-Verwendung in diesem Posting: Rechtschreibkontrolle des Browsers.
    Abweichungen aufgrund des technischen Fortschritts oder individueller Vorlieben vorbehalten.

  • Stimmt, der zweite pin 13 ist mir nicht aufgefallen, aber trotzdem läufts nicht.
    Ich muss am wochenende mal in ruhe fehlersuche machen...

  • Zitat von AREA51HT

    Einfach +12 Volt auf den Pin Läuft leider auch nicht


    Funktioniert Dein 6569 eigentlich noch ?
    Ich weiss ja, die ICs von MOS sind extrem robust und kaum kaputtzukriegen (hust), aber durch Deinen Adapter hast Du ja 'AEC' mit +5 Volt verbunden, was ja vielleicht nicht so dolle angekommen ist bei dem VIC.

  • Um bei einem Bastelprojekt die Grey Dots wegzubekommen möchte ich eine ASSY250469B Leiterplatte auf den alten VIC
    Downgraden:

    Hat es sich gelohnt? Da ich auch eine ASSY NO. 250469B mit VIC 8565 habe, würde gern ausprobieren.

    ASSY NO. 250469B hat ja kein 12 Regler, so das muss man ja auch einbauen, oder?

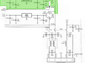
  • Ja, aber dann solltest du auch C45 und C66 durch Elkos mit mehr Kapazität (470µF) tauschen. Parallel zu C66 wird ein Kondensator mit 100nF eingebaut. Der Eingang des 7812 wird dann mit dem positiven Anschluss von C66 verbunden. Zwischen Ausgang des 7812 und GND kommt ein weiterer 100nF Kondensator. Der mittlere Pin des 7812 wird mit GND verbunden.

    Den Ausgang des 7812 jetzt mit Pin 13 des VIC (6569) verbinden. Vorher sicherstellen, daß dort keine +5V mehr anliegen!

  • Ja, aber dann solltest du auch C45 und C66 durch Elkos mit mehr Kapazität (470µF) tauschen. Parallel zu C66 wird ein Kondensator mit 100nF eingebaut. Der Eingang des 7812 wird dann mit dem positiven Anschluss von C66 verbunden. Zwischen Ausgang des 7812 und GND kommt ein weiterer 100nF Kondensator. Der mittlere Pin des 7812 wird mit GND verbunden.

    Das war ausführlich :) Über welches Schaltbild ist die Rede?
    Bitte melde dich an, um diesen Link zu sehen. und den Regler habe ich aus Bitte melde dich an, um diesen Link zu sehen. genommen.

    Ich würde nicht gern die motherboard ändern. Mir wäre es besser, eine Platine mit allen Bauteilen erstellen und ins Socket einstecken. So wie das Bitte melde dich an, um diesen Link zu sehen..

    Siehe mein Schaltplan als Anhang (noch ohne LumaFix). Warum wäre besser 100nF nehmen und nicht die Original nachbauen?

  • Steckbar geht leider nicht da man eben Änderungen an gelöteten Bauteilen durchführen muss und auch die +12V auf diesem Board nicht am VIC anliegen.

    Also entweder wie beschrieben oder mit den grey dots leben.

    Nachtrag: Dein Schaltplan funktioniert so nicht. Du hast Eingang und Ausgang am 7812 vertauscht (das mag der nicht) und meines Wissens ist der Spannungsverdoppler unvollständig.

    Bei meinem Vorschlag kannst du die Schaltung auf der Platine des C64 benutzen nachdem die Elkos ersetzt worden sind.

  • Nachtrag: Dein Schaltplan funktioniert so nicht. Du hast Eingang und Ausgang am 7812 vertauscht (das mag der nicht)

    Ja, stimmt. Wie immer. ;( Habe korrigiert.

    und meines Wissens ist der Spannungsverdoppler unvollständig.

    Ich habe die Schaltung von Bitte melde dich an, um diesen Link zu sehen. genommen. Diese Shaltung macht doch aus 9VAC die +12V, oder? Das selbe habe ich in Eagle gezeichnet.

  • Bei dem Schaltplan fehlt eine Verbindung zwischen der Anode von CR6 und dem Eingang des 7805. Erst dann funktioniert das so und damit ist dann auch klar, daß für den Spannungsverdoppler ein paar mehr Bauteile nötig sind.

  • Diese ganze Schaltung ist auf der 250469 schon vorhanden, man muss nur die Elkos wechseln damit sie die Leistung bringt und den 7812 nachrüsten. Halte ich für die einfachere Lösung...

  • Halte ich für die einfachere Lösung...

    Ja stimmt, wenn man ein 6569 für langfristig einbauen will, dann ja.

    Ich wollte nur die Bildqualität prüfen und mit dem von 8565 verglichen. Aber das kriegt man ja nicht so einfach hin, wie ich es so naiv gedacht habe. :D

  • Ja, aber dann solltest du auch C45 und C66 durch Elkos mit mehr Kapazität (470µF) tauschen. Parallel zu C66 wird ein Kondensator mit 100nF eingebaut. Der Eingang des 7812 wird dann mit dem positiven Anschluss von C66 verbunden. Zwischen Ausgang des 7812 und GND kommt ein weiterer 100nF Kondensator. Der mittlere Pin des 7812 wird mit GND verbunden.

    Den Ausgang des 7812 jetzt mit Pin 13 des VIC (6569) verbinden. Vorher sicherstellen, daß dort keine +5V mehr anliegen!

    Funktioniert das auch mit der Platine ASSY 250469 Rev. 3? Also das nachrüsten auf 12 Volt.

    Die Rev. B hat ja auch das nun integrierte Farb RAM. Kann man da den VIC 6569 überhaupt nehmen?


    Micky

  • Funktioniert das auch mit der Platine ASSY 250469 Rev. 3? Also das nachrüsten auf 12 Volt.

    Die Rev. B hat ja auch das nun integrierte Farb RAM. Kann man da den VIC 6569 überhaupt nehmen?

    Ja, funktioniert beides auch mit der Rev 3. Auf den VIC hat das ins 64-Pin-Custom-IC integrierte Farb-RAM keinen Einfluss, aus seiner Sicht verhält sich das gleich.