Und wenn du nur den Joy Umschaltst und die Maus Fest auf 1 läßt, du kannst eh nur eine Anschließen.
Schalter gesucht
-
Ace -
31. Januar 2010 um 18:19 -
Erledigt
Es gibt 51 Antworten in diesem Thema, welches 6.626 mal aufgerufen wurde. Der letzte Beitrag (
-
-
m Joystickmodus ? Jetzt muss ich mal fragen was das für ein Sinn hat. Geos und Godot nutzen aber den reinen Mausmodus gell ? *binschonganzverwirrt
*GEOS unterstützt auf jeden Fall den Proportionalmodus, viele andere Programme aber nicht, wenn man diese aber trotzdem mit der Mouse benutzen möchte z.B. HiEddi+, dann muss man die 1351.Mouse wohl oder übel in den Joystick-Modus schalten, auch Arkanoid geht dann problemlos

-
Was meinst Du mit "reinen Mousebtrieb"? Willst Du zwischen zwei Mäusen hin- und herschalten oder was?

CU
KratznagelNun du schreibst: POT AY, POT AY, +5V, BUTTON A und natürlich GND (Masse). Ok sind 5 Leitungen . Reinen Mousebetrieb mein ich Geos, Godot usw.
-
Wenn man wirklich nur diese 5 Leitungen verwendest, kann man an diesem Umschalter nur Mäuse und keine Joysticks betreiben. Ich verstehe den Sinn dahinter nicht.
Oder willst du die restlichen Leitungen fest mit dem Joystick verdrahten?CU
Kratznagel -
Und weiter? Wenn man wirklich nur diese 5 Leitungen verwendest, kann man an diesem Umschalter nur Mäuse und keine Joysticks betreiben. Ich verstehe den Sinn dahinter nicht.
CU
KratznagelJa hab ich doch weiter oben beschrieben. Ich möchte für einen neuen Umbau einen reinen Mouseport verbauen, ohne immer die Mouse hin- und herzustöpseln. Daher möchte ich mittels Umschalter zwischen Port 1/2 umschalten können.
-
In Port 2, kannst du die Maus nur als Joystick benutzen. Welchen Sinn macht das?
-
In Port 2, kannst du die Maus nur als Joystick benutzen. Welchen Sinn macht das?
Nö warum das ? Ich nutze ja : POT bx, POT BY, +5V, BUTTON B und natürlich GND (Masse).Der Sinn der Umschaltung dient nur dazu bei Programmen, die die Mouse auf Port 1 oder 2 erwarten das mittels Schalter umzuschalten ohne immer umstöpseln zu müssen.
-
Wenn Du das ganze in den Brotkasten einbauen möchtest, dann sollte es natürlich kleiner sein.
-
Wenn Du das ganze in den Brotkasten einbauen möchtest, dann sollte es natürlich kleiner sein.
Das stimmt. Woher hast du denn den Schaltplan her ?
-
Ich habe nur gemalt, was in dem anderen Faden steht.
-
Ich habe nur gemalt, was in dem anderen Faden steht.
Du scheinst da Ahnung drin zu haben. Darf ich dich diesbezüglich mal persönlich anschreiben ? -
Da käm ich für den reinen Mousebetrieb ja mit einem 4pol Schalter hin.
Habe ich das richtig verstanden - es soll die Maus und der Joystick gleichzeitig angeschlossen werden? Da wäre kein Umschalter nötig, ich hatte da immer so ein Y-Kabel, das hat prima funktioniert. Und wie schon gesagt: die Maus macht nur an Port 1 Sinn.
-
Zitat von Ace
Du scheinst da Ahnung drin zu haben.
Leider nein. Das FlipFlop im obigen Plan geht nicht. Im angehängten Teil geht es beinahe — hab ich eben mal zusammen gesteckt — aber ich bekomme den Taster nicht entprellt. -
wenn mich nicht alles täuscht kann man doch auch 9 pol. Joysticks an die 15 pol. Joystickschnittstelle vom PC hängen. Jetzt hab ich gerad mal bei ebay geschaut und folgende Auktion gefunden, aus der man vielleicht mit etwas gebastel was hinbekommt:
140379479057Verwende keine Maus am 64er, daher weiss ich nicht ob man's hinbekommt, dass das Teil auch auf Tastendruck der Maus reagieren würde.
Ansonsten gibts da noch die Auktion
110488381483
Vielleicht reicht dir das Teil ja auch.....auch wenns recht teuer ist
Auffällig find ich hier den kleinen Schalter. Kanns sein, dass es reicht wenn man GND schaltet? -
Habe ich das richtig verstanden - es soll die Maus und der Joystick gleichzeitig angeschlossen werden? Da wäre kein Umschalter nötig, ich hatte da immer so ein Y-Kabel, das hat prima funktioniert. Und wie schon gesagt: die Maus macht nur an Port 1 Sinn.Ja wenn das mal so einfach wäre. Manch Programme erwarten aber die Mouseabfrage auf Port 2 soweit ich mich erinnere. Wobei ich jetzt nicht genau weiss ob das der reine Proportionalmodus oder Joystickmodus ist.
-
wenn mich nicht alles täuscht kann man doch auch 9 pol. Joysticks an die 15 pol. Joystickschnittstelle vom PC hängen ...
Nein, das geht nicht - man kann die digitalen Atari-C64-Joysticks mit dem 9-pol- Anschluss nicht am 15-pol-Gameport des PC benutzen, da am 15-pol-Gameport analoge Joysticks (ähnlich der Funktion von Paddles) benutzt werden.
Siehe auch:
Bitte melde dich an, um diesen Link zu sehen. -
schon klar. aber was sollte jemanden davon abhalten nen adapter zu bauen. hab ja schon geschrieben, dass es so mit dem umschalter für 15pol nicht geht, und dass das nur so Gedanke war ob man was umbauen könnte. hätte jetzt eher drauf gehoft, dass jemand was über die automatische Umstellung und den Tastendruck an der Maus sagt, statt nen gameport auf wikipedia zu suchen.
naja, ansonsten kannste ja mal basteln:
Pin 1 (GND) mit 100K und nem Taster an Pin 3 (X-Achse)
Pin 1 (GND) mit nem Taster an Pin 3 (X-Achse)
Pin 1 (GND) mit 100K und nem Taster an Pin 6 (Y-Achse)
Pin 1 (GND) mit nem Taster an Pin 6 (Y-Achse)
Pin 4 (GND) an Pin 2 (Taste 1), mit Option Pin 4 an Pin 7 für Taste 2 für emulation div. Konsolen
was davon links-rechts, oben-unten ist kriegste selbst raus....da fehln mir gerad die Notizen.
Taster baust natürlich wieder aus, hab ich jetzt mal geschrieben um zu schauen in welche Richtung das ganze reagiert.Ich geh jetzt mal davon aus, dass da ja nur auf Tastendruck umgeschaltet wird es genügen würde wenn man die Widerstände anlötet und die Buchsen tauscht.
Belehr mich mal nochmal eines besseren, sonst kauf ich das Teil ums auszuprobieren.Falls jemand emuliert und nen zweiten Joystick am gleichen Port betreiben will dann kann man hiermit weiterbasteln:
Pin 9 an 11 mit 100k (X)
pin 9 an 11 (X)
pin 9 an 13 mit 100k (Y)
pin 9 an 13 (Y)
Pin 12 an 10 (Taste 1)
Pin 12 an 14 (Taste 2) -
Wenn Du das ganze in den Brotkasten einbauen möchtest, dann sollte es natürlich kleiner sein.
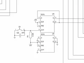
Warum so kompliziert? 3 ICs und ein Schalter reichen auch.
Bitte melde dich an, um diesen Anhang zu sehen.
-
Warum so kompliziert? 3 ICs und ein Schalter reichen auch.
Bitte melde dich an, um diesen Anhang zu sehen.
Wow, bin immer wieder überrascht, wie manch Leute sowas aus dem Ärmel schütteln

-
Hehe, genauso hätte ich es auch gemacht, ist halt die typische Analog-Multiplexer-Schaltung. Man könnte an die A,B,C-Eingänge auch einen Pull-Up hängen (10k dürften für 9 CMOS-Eingänge ok sein), dann reicht ein einfacher An/Aus-Schalter gegen GND anstelle des An/An, aber preislich nimmt sich das ja nicht mehr viel, nur einfache Schalter habe ich persönlich immer rumfliegen ;).
-