C64 auf Akkubetrieb umstellen

Es gibt 151 Antworten in diesem Thema, welches 28.310 mal aufgerufen wurde. Der letzte Beitrag (21. Mai 2017 um 12:46) ist von franky74.

  • Gut, dann nehm ich mal NiMH-Akkus. Wie viele brauch ich da? Reichen 10 NiMH-Akkus mit 1,2V (also insg. 12 V)?
    Die Ladeelektronik hol ich mir auch, sieht super aus.

    Brauch ich sonst noch was spezielles? Einen Spannungsregler von 12 auf 5V?

    Grüße,
    Albert

    Liebe Grüße vom Käptn, einem C64-Fan aus Wien :) ... Echt jetzt, Junge, Alde! Oder wem?

    (DISCLAIMER zu Insider-Humor: Alle Kommentare mit deftiger Ausdrucksweise, ggf. versehen mit "Junge", "Alde", "Fresse", "echt jetzt", "wie, wat" o.ä., sind an die Star Trek Parodie "Bitte melde dich an, um diesen Link zu sehen." angelehnt und sind daher NICHT ernst gemeint, sondern ausschließlich scherzhaft. Eine ernsthafte Beleidigung wird NICHT beabsichtigt.)

  • Lipo's !

    Wenn einer, der mit Mühe kaum, geklettert ist auf einen Baum, schon meint, daß er ein Vogel wär, so irrt sich der.

    Wilhelm Busch

  • 10 Zellen =12 Volt ist eine gute Wahl, ich habe mal meine messungen daruf abgestimmt.

    Spannungsregler 5 Volt ist irgendwo vorne incl. Bestellnummer erwähnt, den 9 V Regler suche ich noch raus...

    Verkabelung siehe Bilder, der Wiederstand muss ausgelötet werden, sonst gibt es querströme bei ausgeschalteten rechner.

    Ich weiss es ist nicht schön gelötet, für einen Versuchsaufbau reichts... :roll:

  • 11,7 Volt ist doch auch schon dicht dran.
    Bis auf die etwas umständlichere Ladeelektronik hat das (Lipo-Technik) doch nur Vorteile, oder übersehe ich etwas ?

    Wenn einer, der mit Mühe kaum, geklettert ist auf einen Baum, schon meint, daß er ein Vogel wär, so irrt sich der.

    Wilhelm Busch

  • @feuertonne
    11,7 Volt Gehen auch, die Spannungswandler sollten alles zwischen 9-20 Volt verdauen.

    Ich versuche hier auf die Wünsche von albertus einzugehen und die Anleitung nach seinen wünschen zu schreiben.
    Mein Lieblingsakku Typ ist LIFEPO4...


    Gruß.
    AREA51HT

  • Sieht toll aus, brauch ich dann eigentlich noch einen 9V-Regler? Und war's das damit? Sieht für mich jetzt ziemlich fertig aus...

    Grüße,
    Albert

    Liebe Grüße vom Käptn, einem C64-Fan aus Wien :) ... Echt jetzt, Junge, Alde! Oder wem?

    (DISCLAIMER zu Insider-Humor: Alle Kommentare mit deftiger Ausdrucksweise, ggf. versehen mit "Junge", "Alde", "Fresse", "echt jetzt", "wie, wat" o.ä., sind an die Star Trek Parodie "Bitte melde dich an, um diesen Link zu sehen." angelehnt und sind daher NICHT ernst gemeint, sondern ausschließlich scherzhaft. Eine ernsthafte Beleidigung wird NICHT beabsichtigt.)

  • Genau nur noch die 9V fehlen, einen 7809 Regler mit 1A, ein 0,1A würde wahrscheinlich auch gehen,
    Aber ich mach da lieber erstmal ein paar messungen und schau mal in die schaltpläne, wenn alles glatt geht gibts weitere infos am wochenende...

  • AREA51HT: Sowas muss doch im Herzen wehtun, einfach so mal nen C64 aufzusägen :wink:

    NiCd Akkus haben halt auch noch den Nachteil, dass Cadmium verdammt giftig und umweltschädlich ist, wenn der Akku mal ausläuft^^

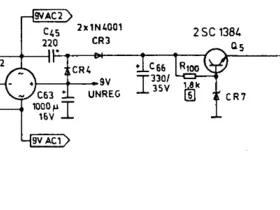
  • Nun kommen wir zu den 9 Volt für den C64, zum glück wird alles etwas einfacher wie geplant...

    Nachdem ich den Schaltplan studiert habe und ein wenig mit dem Netzteil gespielt habe bin ich zum ergebnis gekommen,
    das wir den 9V Regler Sparen können.

    Im Normalbetrieb wird die 9 Volt Wechselspannung über eine Spannungsverdopplerschaltung (Kombination von Kondensatoren und Dioden) auf ca. 24V Gleichspannung gewandelt.
    Der Transistor Q5 in verbindung mit der Z-Diode CR7 wirkt als Spannungsregler für 9 Volt Stabilisiert.
    Die Eingangspannung wird durch den Kondensator C63 begrenzt, die Spannungsfestigkeit ist 16 Volt + ca 0,6V Spannungsabfall an dem Gleichrichter ergeben eine Maximale eingangsspannung von 16,6 Volt.


    Die Versorgung der Datasette wird mit der Gleichgerichteten 9 Volt Gleichspannung realisiert, und wieder eine Transistor/Z-Dioden schalttung um ca. 6-7 Volt zu erzeugen.
    Falls man die Datasette im 12 Volt Auto betrieb betreiben möchte, ist ein kleiner Kühlkörper an diesem Transistor zu empfehlen.

    Man sollte bei Basteleien mit 12 Volt im Auto beachten das beim Motorstart schnell mal die Spannung auf 8 Volt zusammenbrechen kann und beim Rekuperieren bis 16 Volt steigen kann.

    Beim Einbau von 10 NiCd oder NiMh sollte es keine probleme geben, da die Maximale Ladespannung ca. 15,5 Volt beträgt.

    Ein Guter Punkt die 9 Spannungsversorgung zu realisieren ist der Sicherungshalter, siehe Bild.


    WICHTIG:
    NACH DEM UMBAU DARF KEINESFALLS DAS ORIGINAL NETZTEIL ANGESCHLOSSEN WERDEN!
    Ansonsten kann der C64, C64 Netzteil, und Akkunetzteil zerstört werden!

  • @Blu-Ray
    Bei den Sägearbeiten bin ich Schmerzbefreit.

    Aus unbrauchbaren kaputten Gehäusen, und Defekten Leiterplatten ein schnittmodell zu machen, hab ich kein problem.
    Es waren auch keine Brauchbaren Chips mehr drauf.

    Einen CBM P500 zersägen, das würde mir Tränen in die Augen drücken. ;(

  • Soll heißen, ich brauch nur den 5V-Regler anschließen und das wars? Das wäre dann ja herrlich einfach :freude:

    Nur wie könnte man es machen, dass der Cevi auch weiterhin mit Netzteil laufen kann, obwohl der Akku dran ist? Oder könnte man evt. den Akku absteckbar an die Platine löten?

    Danke für deine Mühe!

    Grüße,
    Albert

    Liebe Grüße vom Käptn, einem C64-Fan aus Wien :) ... Echt jetzt, Junge, Alde! Oder wem?

    (DISCLAIMER zu Insider-Humor: Alle Kommentare mit deftiger Ausdrucksweise, ggf. versehen mit "Junge", "Alde", "Fresse", "echt jetzt", "wie, wat" o.ä., sind an die Star Trek Parodie "Bitte melde dich an, um diesen Link zu sehen." angelehnt und sind daher NICHT ernst gemeint, sondern ausschließlich scherzhaft. Eine ernsthafte Beleidigung wird NICHT beabsichtigt.)

  • 5V Regler und 12V an den Sicherungshalter, das wars... Ist das einfach genug?

    Ein 12 Volt Autokabel würd nur den Schaltregler enthalten, das klappt platzmäßig auf jeden fall im DIN Stecker, bei gelegenheit baue ich mir mal so ein kabel.


    Nachteile kein ERPOM Brenner und keine TOD Clock, das sollte aber zu verschmerzen sein.

    Wegen dem Netzeil anschließen mache ich mir mal ein paar gedanken, das problem ist die Spannungsregler nicht rückbestromt werden durfen und auch keine Gleich und Wechselspannung zusammen kommen dürfen...

    Ich melde mich wenn ich die erleuchtung habe...

  • Hallo,
    das ließt sich ja alles recht interessant. Spiel gerad mit dem Gedanken mir nen Laptop zu basteln.

    Da ich nur hin und wieder mal den Lötkolben in die Hand nehme, also nicht wirklich viel Kenntnisse habe stellt sich mir jetzt folgende Frage:
    Anfänglich wurde beschrieben man könne die 5V mit einem Schaltregler erzeugen (Conrad: 154987 - 62), und die 9V direkt am SID mit einem Spannungsregler (Conrad: 7809) direkt an den SID.

    Meine Frage ist nun folgende:
    Warum man für die 5V einen recht teuren Schaltregler verwenden sollte (14,10 Euro) , wenn es für die 9V auch ein Spannungsregler (0,57 Euro) tut???? Gibts keine Spannungsregler mit genügend Ampere? Sind die nicht stabil genug? Welche Kondensatoren sollte man verwenden?

  • Meine Frage ist nun folgende:
    Warum man für die 5V einen recht teuren Schaltregler verwenden sollte (14,10 Euro) , wenn es für die 9V auch ein Spannungsregler (0,57 Euro) tut???? Gibts keine Spannungsregler mit genügend Ampere? Sind die nicht stabil genug? Welche Kondensatoren sollte man verwenden?


    Wenn man ein Gerät per Akku betreiben möchte, wird man ungerne einen großen Teil der Energie sinnlos in Wärme umwandeln wollen. Daher bietet es sich insbesondere bei der 5 V-Spannung, über die die meisten Komponenten im C64 versorgt werden, an, einen Schaltregler zu verwenden. Bei der 9 V-Spannung ist einerseits die Spannungsdifferenz niedriger, so dass schon deswegen weniger Wärme erzeugt wird, andererseits ist der Strom auch niedriger, was ebenfalls zu einer geringeren Menge an in Wärme umgewandelter Energie am Regler führt. Natürlich wäre auch hier ein Schaltregler besser, es ist jedoch weniger dringend.

  • Gut, dann nehm ich mal NiMH-Akkus. Wie viele brauch ich da? Reichen 10 NiMH-Akkus mit 1,2V (also insg. 12 V)?
    Die Ladeelektronik hol ich mir auch, sieht super aus.

    Brauch ich sonst noch was spezielles? Einen Spannungsregler von 12 auf 5V?

    Grüße,
    Albert

    Wenn ich das so lese kommt mir immer mehr der verdacht das du keinen Schimmer von Elektronik hast oder? Nur so am Rande wen du den Akku mit falscher Ladeschluss Spannung Lädst kann er im günstigsten Fall Leistung verlieren im schlimmsten Fall Knallt es laut und der fliegt dir um die Ohren. Du solltest minimal wissen und verstehen wie so ein Akkuladegräte Funktioniert und wie ein Akku überhaupt Funktioniert was die Unterschiede zwischen den Oben gelisteten Akkus sind und warum das so ist. Ja und dann noch Bauteile berechnen.

  • hey prima. danke für die schnelle Antwort.

    Wenn mir jetzt noch jemand verraten würde welche Kondensatoren ich für welche Spannung verwenden sollte bin ich der glücklichste mensch der welt. :)

    Noch was anderes: Aus platzgründen habe ich überlegt ob ich eine C116 Tastatur verbaue. Die ist zwar nicht so toll, aber wenns nicht anders geht, dann gehts nicht anders. Das Teil hat auch 18 pins, nebeneinander. weiss jemand ob die genauso belegt ist wie beim beim 128D (beim 64er ist ja mit 123 abc... ) beschriftet, vergl. mit 128er ist bloß weil da 25pol SUB-D mit 1 bis 25 beschriftet ist.
    Außerdem währe interessant ob jemand weiss ob auch wirklich alle Tasten vorhanden sind. Die Beschriftung haut zwar nicht immer so ganz hin, aber damit kann ich leben. ich tippe sonst ja auch ohne hinzuschauen. Interessant ist z.b. dass die taste zwischen * und RESTORE mit auf die 0 gemalt ist, also shift und 0, keine eigene taste. außerdem gibts cursor für alle vier richtungen. wenn der cursor nur rechts und runter kann, dann könnte ich mir vorstellen, dass es vielleicht nen LOGIK-IC 74xxxx er gibt mit dem sich das problem lösen läßt, indem man durch die tasten hoch und links jeweils die spannung für den 74xxxx schickt und dann jeweils shift und cursor runter, bzw. rechts anlötet. meint ihr das könnte gehn? Welcher 74xxxx würd da sinn machen?

  • Wer kann mir denn jetzt noch sagen welcher Pin am SID die 9V haben möchte????

    Ich hab nen 8580, kann aber über google nur Infos über 6581 finden. Sind die gleich?
    Der 6581 (den ich nicht habe) ist beschrieben auf Bitte melde dich an, um diesen Link zu sehen.
    Dort ist angegeben dass er mit 5V + 12V läuft. Da stimmt doch was nicht......jetzt bin ich verwirrt :)

  • Wer kann mir denn jetzt noch sagen welcher Pin am SID die 9V haben möchte??

    Ich hab nen 8580, kann aber über google nur Infos über 8581 finden. Sind die gleich?

    JA, die Pinbelegung ist gleich, aber nicht die Spannung.
    6581 =12V
    8580 =9V

    Bitte melde dich an, um diesen Link zu sehen.

    Bitte melde dich an, um diesen Link zu sehen.

  • Doch, das stimmt. Der SID benötigt 2 Spannungen, 5 Volt an Pin 25 für seinen Digitalteil, und 12 (6581) bzw. 9 Volt (8580) an Pin 28 für die eigentliche analoge Tonerzeugung. Gemeinsame Masse muss an Pin 14 (GND) anliegen.