Problem beim C64 Eigenbau, Replica 250466 von toms01

Es gibt 7 Antworten in diesem Thema, welches 613 mal aufgerufen wurde. Der letzte Beitrag (22. Dezember 2024 um 01:01) ist von bschlaack.

  • Hi zusammen,

    Ich habe schon ein Artikel eingestellt bei Thread, der um das genannte Board geht, da dieser allerdings schon lange verwaist ist habe ich ihn noch einmal hier reingestellt. Ich hoffe, dass das ok ist.

    Ich habe mir bei restore-store.de toms01 250466 Board gekauft und dann bestückt. (Die Teile dazu habe ich von Retro8BitShop als Kit gekauft, die notwendigen, nicht enhaltenen ICs dann aus allen möglichen Quellen).

    Es lief auch ganz gut und der C64er liess sich auch starten.

    Allerdings war etwas seltsam, die Tasten C + V haben B + N ausgegeben, gleiches für D + F, hier kam G + H, bei der Reihe darüber das gleiche ...

    Ich habe dann festgestellt, dass PIN 17 + 18 der Keyboardleiste gebrückt sind (3 + 4 von oben gesehen). Gleiches gilt natürlich für die komplette Strecke, Brücke beim CIA und Joystick-Port 2.

    Darauf hin habe ich etwas recherchiert und gelesen, dass evtl. eine Lötbrücke besteht, oder ein Lotrest im CIA Sockel hängen könnte. Also CIA raus und ausgepustet, kein Glück.

    Dann: Keyboardleiste und CIA-Sockel wieder ausgelötet => kein Erfolg, die Brücke besteht weiterhin.

    Danach habe ich Joystick Port 2 ausgelötet, obschon dort keine Brücken zu erkennen waren => kein Erfolg.

    Ich bin jetzt ein wenig mit meinem Laten am Ende.

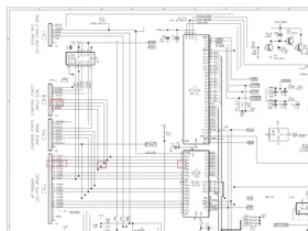
    So wie ich es gesehen habe, geht die Leiterbahn vom CIA zur Tastatur, und nach rechts zu den Joystick-Ports.

    Was könnte denn noch dafür verantwortlich sein, dass ich auf diesen beiden Lines einen Kurzen habe?

    Aktueller Stand also: Keyboard-Leiste ist ausgelötet, CIA U1 entfernt und Sockel entfernt, Joystick Port 2 entfernt, weiterhin Brücke zwischen Keyboard Leiste Pin 17 + 18.

    Vielen Dank für Eure Hilfe.

    Gruß

    Björn...

  • hoffentlich kein Ätzfehler.. ist das eine Multilayer Platine,also auch mit Zwischenlagen?

    treffen sich die beiden besagten Leiterbahnen irgendwo bei einer Duko?

    vllt könnte man versuchen die Brücke mit bischen Strom rauszubrennen, denn anders kommst du da nicht ran wenn die in einer Zwischenlage ist

  • ist das eine Multilayer Platine,also auch mit Zwischenlagen?

    Ich würde sagen: Nein, das ist eine 1:1 Replik.

    Bitte melde dich an, um diesen Link zu sehen.

    Insofern sollte sich die Brücke mit Sorgfalt, Geduld und einer Lupe eigentlich finden lassen. Vor allem, wenn U1 derzeit unbestückt ist. "Einfach" beide Leiterbahnen von einem Ende zum anderen Verfolgen. Erschwert wird das ein wenig durch den schwarzen Lötstopplack.

    Bitte melde dich an, um diesen Link zu sehen.

    2 Mal editiert, zuletzt von bigby (21. Dezember 2024 um 21:48)

  • ist das eine Multilayer Platine,also auch mit Zwischenlagen?

    Ich würde sagen: Nein, das ist eine 1:1 Replik.

    Bitte melde dich an, um diesen Link zu sehen.

    stimmt die hat ja nur 2 layer.. :facepalm:

  • Danke für den Tipp, dann werde ich die Bahnen nochmal verfolgen ... hatte dort nur nichts gesehen, daher die Frage, ob da nochwas außer CIA, Tastatur und Joy-Port 2 gekoppelt ist ... konnte aber auch auf einer schematischen Zeichnung keine anderen Endpunkte finden.

    Danke nochmal für Eure Zeit ... wo ist meine Lupe ... ;)

    Gruß

    Björn...

  • hatte dort nur nichts gesehen, daher die Frage, ob da nochwas außer CIA, Tastatur und Joy-Port 2 gekoppelt ist

    Nein, die beiden Leitungen sollten von U1 nur zum Keyboard-Connector und zum Joystick-Port gehen. Da hast Du den Schaltplan richtig gelesen.

  • Das war's ... mit Vergrößerung war ein Blob zu finden ... scheinbar wirklich ein Ätzfehler, Fotos sind angehängt ... habe es mit einer feinen Klinge aufgetrennt, jetzt ist die Brücke weg!

    Vielen Dank nochmal!!!

    Gruß

    Björn...