Gamepad geht nicht an Port 2 A500 Rev 6A

Es gibt 7 Antworten in diesem Thema, welches 812 mal aufgerufen wurde. Der letzte Beitrag (13. August 2024 um 16:17) ist von Rokumaehn.

  • Hallo zusammen,

    ich habe jetzt endlich meine Megadrive Gamepads bekommen und wollte heute ausprobieren. Dabei ist mir aufgefallen, dass das DPAD nach rechts nicht funktioniert. Daraufhin hab ich mal an einem Gamepad den Umbau durchgeführt wie in dem Video hier:

    Bitte melde dich an, um dieses Medienelement zu sehen.

    Er baut im Prinzip nur alle Bauteile aus und verdrahtet dann so, dass jeder Button eine entsprechende Leitung low zieht.

    Leider hat der Umbau in Bezug auf das Problem dass der nach-rechts-Knopf nicht geht, nichts gebracht.

    Hab dann mal am Gamepad umgelötet, sodass links und rechts vertauscht sind. Ergebnis: links macht diesmal nichts und rechts aktiviert den Links-Button.

    Das bringt mich zu der Annahme, dass irgendwas mit der Rechts-Leitung auf dem Amiga nicht stimmt. Das seltsame ist, dass wenn ich nach rechts und unten drücke, beides registriert wird also rechts und unten. Das geht aber nur mit dem Knopf für runter.

    Meine Vermutung ist jetzt, dass es am Multiplexer liegt, weil der Rechts-Knopf ja prinzipiell erkannt wird aber eben nur mit dem Runter-Knopf zusammen... Könnte das hinkommen?

    Einmal editiert, zuletzt von Rokumaehn (8. August 2024 um 21:11) aus folgendem Grund: EDIT: Getestet hatte ich mit dem Amiga Testkit. Wenn ich bspw. Giana Sisters anmache registriert er den Rechts-Knopf mal und mal nicht. Das hat zur Folge, dass der Charakter sich ruckelig nach rechts bewegt und zwischendrin stehen bleibt und zwar in unregelmässigen Abständen.

  • Rokumaehn 8. August 2024 um 21:01

    Hat den Titel des Themas von „Gamepad geht nicht an Port 2“ zu „Gamepad geht nicht an Port 2 A500 Rev 6A“ geändert.
  • Heute morgen nach dem Aufstehen ging der Knopf wieder. Allerdings hatte ich keine Maus an Joystick 1! Sobald ich die Maus mit dran stecke geht der Rechts-Knopf auf dem Pad wieder nicht. Maus wieder abgezogen, geht trotzdem wieder nicht...

    Ich hab mal nachgemessen, allerdings nur mit dem Multimeter, da ich keine Möglichkeit habe, das Oszi anzuschliessen (hab keine so dünnen Klemmen). Ich messe hier an dem Ausgang 4Y vom Multiplexer ca. 1.65V, wenn ich rechts drücke und 1.75V, wenn ich nach unten drücke und logischerweise fast 0V, wenn ich beide drücke. Das sieht so aus, als ob das passen würde, weil der Amiga den Chip ja m.W. pollt und dabei immer periodisch über die S-Leitung zwischen den beiden Eingängen 4A und 4B umschaltet, somit kann es schon sein, dass die o.g. Spannungs-Mitelwerte ok sind. Kann jetzt natürlich nicht gucken, wie die Kurven aussehen und selbst dann wüsste ich ja nicht, zu welchem Zeitpunkt der Amiga sampelt.

    Hat jemand eine Ahnung, was es sonst noch sein könnte, wenns nicht der Multiplexer ist? Denise?

  • Hallo,

    Haben Sie versucht, die Kontinuität der rechten Leitung mit einem Multimeter zu prüfen, um zu sehen, ob es Unterbrechungen oder unregelmäßigen Widerstand gibt?

  • Did you desolder the CHIP ????

    THe joy should be as an analog device ....

    Just solder the wires to the holes of the UP,DOWN,LEFT,RIGHT ....

    Even as he says if you want to modify the button to be UP short the UP and the button you want for up ...

    Bitte melde dich an, um dieses Bild zu sehen.

    And just to ask did you check the cable if he has the same pinout ???

    CHeck the cable with multimeter for continuity ... maybe the wire is broken ....

    Bitte melde dich an, um dieses Bild zu sehen.

    Also recomended to check the press pads if they work like they should ...

    Bitte melde dich an, um dieses Bild zu sehen.

  • thanks guys but at this point I can safely take the gamepad out of the equation. I even shorted the input line of the multiplexer to ground and the output level is fine. Even replaced the multiplexer 74LS157 with a 74HC157 I still had. Still the same behaviour, all buttons working except right. Now I am waiting for a spare Denise chip to test, because according to the schematic of the A500 the output of the multiplexer goes to the Denise chip.

    EDIT: the lower right part in the picture. Soldered a socket and put the 74HC157 on top

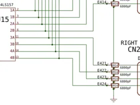
  • Hab mal das Oszi an den Ausgang 4Y vom Multiplexer geklemmt. CH1 gelb ist der Ausgang 4Y und CH2 blau ist der S-Eingang am Multiplexer bzw. _CCK_B vom Agnus kommend. Erkennen tut man schonmal, dass der Multiplexer korrekt die Eingänge für runter und rechts umschaltet. Der Runter-Eingang ist der, der bei fallendem Clock (S-Signal) anliegt, also sobald S den low-pegel erreicht dann ist gelb low. Der Rechts-Eingang ist der, der bei steigendem S anliegt. Die Bilder sind einmal nur Runter-Knopf gedrückt und einmal nur den Rechts-Knopf gedrückt. Hat hier jemand noch ne Idee?? Die Signale sehen ja an sich ganz ok aus, ausser dass sie vllt. ein bisschen hinterher eilen.

    EDIT: Mir ist nur aufgefallen, dass der Low-Pegel von der Runter-Taste um einiges länger anliegt als der Low-Pegel von der Rechts-Taste

  • Ich hab mir nochmal den EMI-Filter am Multiplexer-Ausgang vorgenommen. Den hatte ich eigentlich relativ früh ausgeschlossen. Ich hab ihn durch einen 470pF Keramikkondensator ersetzt. Der EMI-Filter soll laut Schaltplan 470pF haben. Jetzt wird der Button zwar im Amiga Testkit zuverlässig erkannt aber in Giana Sisters wackelt der Charakter nur vorwärts, wenn ich gedrückt halte. Das Problem hatte ich übrigens auch vorher schon, den einen Morgen als der Rechtsknopf mal funktionierte.

  • Ich habe den Denise Chip jetzt auch ersetzen können. Jetzt gehen alle Richtungen, wie sie sollen. Also war es wahrscheinlich eine Kombination aus defektem EMI-Filter und defektem Input am Denise-Chip.