VC 20 - RAM Aufklärung - 3583 vs 6655 Bytes Free

Es gibt 30 Antworten in diesem Thema, welches 3.929 mal aufgerufen wurde. Der letzte Beitrag (1. August 2024 um 09:40) ist von Mike.

  • (Ich hab mal versucht paar brauchbare Fotos zu bauen..)

    Hmm Hmm... (wie gesagt, meine Elektronikkenntnisse sind leider ziemlich angestaubt, ich versuche mir das hier gerade irgendwie zusammenzukrümeln; der Kopf dampft schon bissel)

    1; Ruudi meinte oben was von "auf keinen Fall die Leitungen vom Decoder auf Pegel setzen" / das tun wir hier doch dann aber mit den 3x PullUp? ...also auf "High" wenn ich das richtig verstehe (vielleicht meinte er direkt, ohne den PullUp Widerstand)

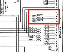
    2; wenn ich den Schaltplan richtig lese / die Pins hier bei den ICs (dem UC4 - LS138, das ist wohl der Dekoder) richtig gezählt habe, dann sind das ja genau die 3 Pins die die Huckepack Schaltkreise -jeweils im 2er Pack- ansprechen, die gehen also normalerweise direkt zum Exp-Port durch (richtig?)

    3; die Speicher (-Erweiterungen) "fühlen" sich bei (die Sache mit dem vorangestellten "/") bei Low-Pegel angesprochen? (...der Dekoder zieht das Signal niederohmiger als der PullUp gegen Masse und "überstimmt" die PullUps?)

    4; also müsste ja "Standardmäßig" an den 3 Leitungen (die normalerweise offen auf Exp Port sind) ein "High" liegen, damit diese aufgepackten Steine bei mir jeweils per "Low-ziehen" durch den LS138 paarweise aktiviert werden ?

    (so viel erst mal zum Verständnis wie das funzt...)

    5; wenn wir die jetzt per 3x PullUp hier zusätzlich UC4(12 RAM3+13 RAM2+14 RAM1) / auf High ziehen, funktioniert ja dann das interne RAM-Upgrade trotzdem (siehe 3), aber wie wird dann der "Vorrang" sichergestellt wenn außen an RAM1-2-3 irgendwer lauscht... der bekommt doch die "Lows" vom Dekoder dann trotzdem mit... und die 2.4V sind (bei Wikipedia gespickt) ab 2V schon TTL-High... so müsste das aktuell verbaute Zusatz-Ram ja dann aktuell laufen (bekommt die 2.4V ab und ein "Masse" wenn Bank aktiviert)

    Puh, das war jetzt viel Text :smile:

    Sorry

    Uwe

    Edit: ...ich hab eben noch gesehen, dass Du bei Deinem Mod die 3 Pins aus dem Board/Chip (UC4) ausgebogen hast / daher kommen bei Dir die 2.4V dann vermutlich irgendwo (?) anders auf dem Board her - auf dem weg zum Exp-Port RAM1-2-3; bei meiner Version sind ja die Beinchen noch weiter mit dem Board verbunden... vielleicht macht das hier den Unterschied.

    Was mich wieder zu der Frage bringt ob das "reine Abtrennen der Speicher via. Ruudi Vorschlag" in meinem Fall nicht ausreichend wäre; das ist ja dann quasi der "Werkszustand", bis auf die Verbindung der 3 Leitungen zum LS244 als Signal (wass bei "OFF" am LS244 also High dort am Pin1 /ES ja abgetrennt ist)

  • Hallo Uwe,

    im nicht-modifizierten Zustand funktionieren die /RAMx-Signale wie folgt: UC4 erzeugt das /RAMx-Signal. Es ist active-low, geht also auf L-Pegel, wenn der Baustein angesprochen werden soll. Das Signal geht an zwei Stellen: an den Cartridge-Port, um einen extern angeschlossenen RAM-Baustein auszuwählen und an den 74LS133, womit der '245-Datenbus-Puffer verriegelt wird, sofern der Zugriff stattfindet.

    Bei einer korrekten Modifikation muß /RAMx direkt am UC4 aufgetrennt werden, das habe ich (wie von dir korrekt bemerkt) so gelöst, daß UC4 ausgelötet, ein Sockel gesetzt, und (ein neuer) UC4 mit gestreckten Beinchen für /RAMx in den Sockel kommt. An den gestreckten Beinchen wurden die Kabel zum Abgriff zuvor angelötet und gehen anschließend zu den huckepack gelöteten neuen RAM-Chips auf der VIC-Seite (beim CR sind da noch UND-Gatter dazwischen, die fassen je zwei /RAMx-Signale zusammen).

    Jetzt gibt es immer noch die 'offenen' /RAMx-Leitungen (x=1..3) auf der Hauptplatine. Ganz offen sind sie allerdings doch nicht, es hängt ein Eingang des LS133 dran. Aus schaltungstechnischen Gründen liegt so ein offener TTL-Eingang auf etwa 2,4 V, 'sieht' selbst also einen "H-Pegel". Problematisch sind diese 2,4 V aber vor allem am Cartridge-Port: für einen CMOS-Eingang liegen die 2,4 V genau im verbotenen Bereich. Darum müssen die originalen /RAMx-Signale auf der Hauptplatine auf einen sauber definierten H-Pegel gelegt werden, mit jeweils einem Pull-Up. Damit sieht der '133 ständig den H-Pegel, eine externe Erweiterung auch und letztere kann dadurch auch nicht mehr (auch nicht aus "Versehen") reinquatschen. Nur das (neue) interne RAM bei $0400..$0FFF antwortet.

    ...

    Bei deinem Umbau ist also auf jeden Fall Nachbesserung erforderlich, damit Du mit externen Cartridges sorgenfrei betreiben kannst. Er funktioniert tatsächlich nur zufällig: die drei /RAMx-Signale sind an UC4 angeklebt, gehen aber immer noch auf die Hauptplatine und steuern damit den '133.

    Korrekterweise gehört UC4 so gehandhabt wie in meinem Umbau: raus, Sockel gesetzt, die drei Beinchen von /RAM1 ... /RAM3 gestreckt - damit ist auch die Verbindung zur Hauptplatine und auch zu den noch einzubauenden Pull-Ups unterbrochen. An die drei gestreckten Beinchen jetzt die drei Kabel wieder dran wie vorher. Und auf der Platinenrückseite die drei Pull-Up-Widerstände an die jetzt offenen /RAMx-Signale, damit der '133 und eine externe RAM-Erweiterung Ruhe geben.

    Viele Grüße,

    Michael

  • Wenn der VIC bei deinem Board auf die 3K-Erweiterung zugreifen kann, dann sehen Demos wie Bitte melde dich an, um diesen Link zu sehen. aber wahrscheinlich komisch aus. Das wird bei vielen Effekten drauf gesetzt, dass vom RAM keine Daten kommen. Daten, die vorher von den Prozessor auf den Bus gelegt worden, sollen angezeigt werden.

  • peiselulli: Ich bin da Bitte melde dich an, um diesen Link zu sehen.. ;)

    Die eine oder andere Demo mag also gerne evtl. etwas komisch ausschauen, vorrangig für mich war und ist eben die Möglichkeit, eine 208x256-Pixel-Bitmap mit FLI über die volle Bildschirmbreite hinzubekommen.

  • Erstmal Danke für Eure Erklärungen (und die Geduld mit mir).

    Wenn der VIC bei deinem Board auf die 3K-Erweiterung zugreifen kann, dann sehen Demos wie Bitte melde dich an, um diesen Link zu sehen. aber wahrscheinlich komisch aus. Das wird bei vielen Effekten drauf gesetzt, dass vom RAM keine Daten kommen. Daten, die vorher von den Prozessor auf den Bus gelegt worden, sollen angezeigt werden.

    ...war das "Deinem Board" auf den Post von Mike/Mikes Board (Bitte melde dich an, um diesen Link zu sehen.) oder den aktuell bei mir realisierten "internen" RAM 3k Umbau (ohne Abtrennung von UC4 Pin 12,13,14) bezogen?

    (ich glaube Letzteres)

    ...in meinem Fall sieht der VIC den Ram quasi "ständig" / auch bei aktiver "Abtrennung" ?

    VG; Uwe

  • Peiselullis Bemerkung war an mich gerichtet, bezieht sich aber schon darauf, daß mit dem Umbau der Speicher bei $0400..$0FFF für den VIC eben nicht mehr offen, sondern ansprechbar ist.

    Einige halbwegs obskure Effekte in Demos lassen mit Absicht den VIC auf offenen Speicher (nicht unbedingt den bei $0400..$0FFF, andere Bereiche gehen auch) "zugreifen", der VIC liest dann aber nicht etwa zufällige Werte, sondern aufgrund von parasitären Kapazitäten der Datenbusleitungen den Wert, den die CPU als letztes dort transferiert hat. Mit geschickter Programmierung lassen sich da durchaus einige interessante Grafikeffekte (u.a. Schachbrett- oder Scroll-Zoomer) erzielen.

    Sobald aber RAM für den VIC auch bei $0400..$0FFF sichtbar ist, und die Demos für den Effekt den VIC ausgerechnet eben von $0400..$0FFF "lesen" lassen will, funktioniert dieser Effekt eben nicht mehr. Es gibt aber selbst bei einem nicht-umgebauten VC-20 keine 100-%-Garantie, daß der Effekt überhaupt funktioniert!

    Wie ich oben schon geschrieben hatte: daß eine Demo derartige Effekte darstellen kann, war und ist für mich nachrangig. Die Möglichkeit mit dem VFLI mod nahezu fotorealistische Bilder auf dem VC-20 darstellen zu können war mir zu der Zeit und auch jetzt noch mehr wert.

    ...

    Auch peiselulli: Es besteht übrigens durchaus die Möglichkeit, diesen speziellen Effekt derartiger Demos zu reparieren, indem man den VIC auf einen anderen für ihn offenen Bereich (z.B. $9400..$97FF!) umlenkt.

  • Sobald aber RAM für den VIC auch bei $0400..$0FFF sichtbar ist, und die Demos für den Effekt den VIC ausgerechnet eben von $0400..$0FFF "lesen" lassen will, funktioniert dieser Effekt eben nicht mehr. Es gibt aber selbst bei einem nicht-umgebauten VC-20 keine 100-%-Garantie, daß der Effekt überhaupt funktioniert!

    ..nur um das für mich nochmal klar zu machen; es wird hier also "ins Leere" (ohne, dass dort in dem Bereich ein RAM "antwortet" / dahinter ist) gelesen und mit der Restladung auf den Leitungen gearbeitet? =O

  • ... und wiedermal bereue ich es zutiefst, meinen VC20 mit defektem VIC vor paar Jahren verkauft zu haben.... was damit heute alles möglich ist...

  • Naja, die sind ja nicht unbezahlbar teuer. Ich würde das noch im Bereich der bezahlbaren Träume verorten.

    Vielleicht hast Du ja sogar noch ne Chance, DEINEN VC20 zurück zu bekommen.

  • Vielleicht hast Du ja sogar noch ne Chance, DEINEN VC20 zurück zu bekommen.

    ... ob ich einen Aufruf starte? Es liegt natürlich nahe, daß ihn einer "von hier" gekauft hat...
    Ach was, alles hatte seine Zeit! Immerhin hab ich meinen ersten C64 noch...

    aber falls ihn einer erkennt - hier ein Foto von 2017...

  • [...] nur um das für mich nochmal klar zu machen; es wird [bei diesen Demo-Effekten] also "ins Leere" (ohne, dass dort in dem Bereich ein RAM "antwortet" / dahinter ist) gelesen und mit der Restladung auf den Leitungen gearbeitet?

    Genau das.