Ich finde einfach keinen Grund, warum das so ist... Ich kann mir aber gleich nen anderen Adapter ausleihen.
petSD+ will nicht am CBM8032
-
Snocksman -
July 2, 2024 at 2:33 PM -
Thread is Resolved
There are 105 replies in this Thread which has previously been viewed 9,312 times. The latest Post (
-
-
Ich weiß nicht, wie und warum ich gerade die 4,99V gemessen habe aber jetzt bekomme ich auch direkt am Platinenabgriff 3,39V.
-
Wenn ich das richtig verstanden habe, werden die Signale von UB15 und UB16 erzeugt und laufen dann durch die MC3446N Chips, richtig ? Wärs dann nicht interessant, die Signale mal da zu messen, wo sie entstehen ? Also an UB15 und UB16 ? Nur an welchen Pins müsste ich da messen ?
-
Please login to see this attachment.
3,5,11,13
Also.. depending.. ich weiß immer noch nicht, welches Board zu hast (Assy...) -
Das ist eine Assy. 8032080
Please login to see this attachment.
-
Die 3,5,11,13 sind aber von dem MC3446, oder ? Also von dort geht es direkt zu dem Anschluss, an dem ich gemessen habe, oder ?
Ich hatte eher die Idee, die Signale zu messen, bevor sie durch den MC3446 gehen...
-
OK, vergiss meinen letzten Post... War Quatsch.
Mag sein, dass das jetzt auch Quatsch ist, aber verstehe ich das richtig, was diese MC3446er Chips machen (sollen) ? Es geht ein Signal von z.B. 3,3V rein und wird durch den Chip quasi auf um die 5V verstärkt ?
Wenn dem so ist, würde der Chip genau das nicht tun. Da gehen auf der einen Seite 3,3V rein und die kommen hinten auch wieder raus.
-
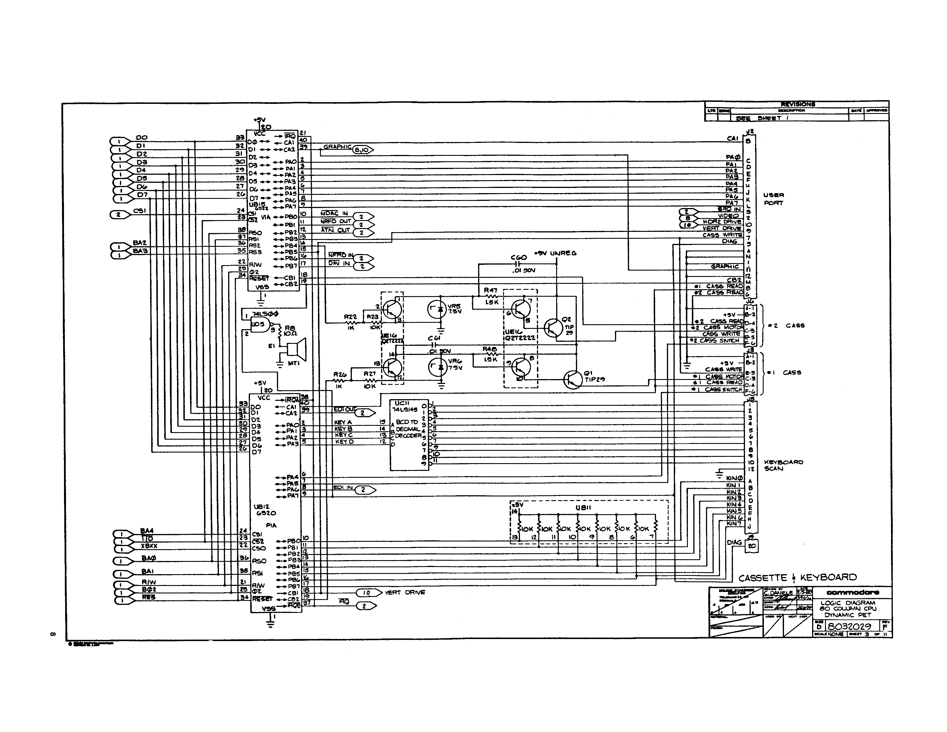
Ich such dir morgen den Schaltplan raus.
Generell treiben die vor allem Strom, die Ausgänge der PIAs und VIAs würden nicht genug Strom liefern können, um lange Leitungen zu treiben. Aber ja, auch ein schwaches Eingangssignal wird so wieder auf einen guten Pegel angehoben. -
Hab gerade mal ein bisschen gesucht... Der Plan sollte genau dieser hier sein. Ich werde nachher mal schauen, ob mir an einer der Leitungen irgendwas merkwürdiges auffällt...
Please login to see this attachment.
Edit: Wenn ich das richtig sehe, ist UB12 aber durchaus auch noch minimal involviert, oder...
Please login to see this attachment.
-
Wo siehst du das? Wegen IRQ und Vertical Drive? Letzteres kommt vom CRTC.
ier in dem Buch auf S.184 ist ein Testprogramm

Please login to see this link.Das würde ich mal abtippen

Ich würde das so sehen, dass die Tests erfolgreich abgeschlossen wurden
Du hattest Pin11 (ATN) nicht gemessen.
-
Wo siehst du das? Wegen IRQ und Vertical Drive? Letzteres kommt vom CRTC.
Wegen diesen beiden verweisen auf Zeichenblatt 2...
Please login to see this attachment.
Das würde ich mal abtippen

Ups... Diesen Post habe ich tatsächlich glatt überlesen.
Abtippen und dann ists futsch ist natürlich irgendwie doof... Kann ich an den 8032 eine Datasette vom C64 anschließen, um das ganze darauf zu speichern ?Du hattest Pin11 (ATN) nicht gemessen.
Hole ich gleich nach.
-
So, ATN habe ich gerade gemessen. Lässt sich auch mit den Poke Befehlen von High nach Low umschalten und umgekehrt. Spannung bei High sind genau 3,3V. Was mir noch aufgefallen ist: Der Grundzustand bei einschalten des Rechners ist High; ist das korrekt ?
-
Datasetten sind voll kompatibel, ja.
-
OK, ich hab das Programm abgetippt, bin mir aber nicht ganz klar, ob der Rechner hiermit zurecht kommt (wenn der Programmcode länger als eine Zeile ist):
Please login to see this attachment.
Ich habs dann einfach mal ausgeführt (natürlich vorher auf Kassette gespeichert), was zu einer Endlosen Ausgabe hiervon führt:
Please login to see this attachment.
Edit: Ich habe die Kommandos, die länger als eine Zeile sind mal gekürzt (? anstelle von PRINT und Statt "Bit 5" nur "5" ausgegeben) das ändert aber nichts, also tut das Programm scheinbar was es soll.
-
Was da laut dem Test jetzt aber BAD sein soll, weiß ich nicht. Hab Pin7 gerade nochmal gemessen und der lässt sich mit den Poke Kommandos High/Low umschalten und gibt bei High 3,38V raus.
-
Könnte die Steuerleitung NRFD am 6522 VIA sein: Please login to see this link.
-
Öhhhmmm... Was ist denn da die Steuerleitung ?

NRFD_IN / NRFD_OUT ?
-
Öhhhmmm... Was ist denn da die Steuerleitung ?

NRFD_IN / NRFD_OUT ?
Sind beide "Not Ready For Data: NRFD", die wurden nur auf jeweils einen Port gelegt, jeweils IN und OUT. Wenn man den 6522 austauscht, könnte sich etwas verändern.
-
Den hatte ich bereits getauscht... Habe den jetzt gerade aber nochmal gegen einen anderen getauscht und der Fehler bleibt genau gleich.
Kann ich an den entsprechenden Pins des Chips sinnvoll etwas nachmessen ?
-
Wenn der schon getauscht wurde, bleibt immer noch Bit5. Wenn da alles sauber eingelötet wurde, sollte man den VIA ausschließen können. Und das könnte ein Treiber dahinter sein. Hatte ich bisher noch nie, aber möglich ist alles.
-