- Offizieller Beitrag
Sehr gerne, ich hoffe man kann alles erkennen?
Es gibt 127 Antworten in diesem Thema, welches 12.828 mal aufgerufen wurde. Der letzte Beitrag (
Sehr gerne, ich hoffe man kann alles erkennen?
Hier die Referenzbilder einer 425 VIC2
Na, den Unterschied bemerkst du selbst, oder? ![]()
Ja, na klar... Aber mit fehlt der Ansatz zur Lösung ☺️
Jetzt sag nicht, der Sockel soll raus...
Jetzt sag nicht, der Sockel soll raus...
Gut, dann sag ich das nicht.
Miss am 8701, ob PHI IN und PHI COLOR dort anstehen.
- Wenn ja, Leiterbahn kaputt.
Äh, oder der Sockel ... ![]()
Wenn ich raten müsste (bei einem VIC, der gar nichts macht), würde ich auf die Spannungsversorgung tippen. Liegen denn da am VIC 12V und 5V an? Und an den Spannungswandlern (7812 und 7805)? Sicherung OK?
Referenz:
VDD P13: 12,4V
AEC P16: 1,78V
GND P 20: 0,32mv
VCC P40: 5,01V
Dieser VIC:
VDD 12,20
AEC 4.12
gnd: 0,02 mv
VCC 5,10
AEC ist also HIGH und damit belegt...
AEC ist also HIGH und damit belegt...
Vergiss AEC.
Der VIC hat keinen Takt.
Wie soll er da AEC erzeugen?
für wahr...
der 8701 p8Bitte melde dich an, um diesen Anhang zu sehen.
und die Referenz:
Bitte melde dich an, um diesen Anhang zu sehen.
Das Pinout
welcher ist den nu PHI IN?
Auch der 8701 ist lahmgelegt:
P6 DOT:
Bitte melde dich an, um diesen Anhang zu sehen.
p13 Xtal OUT
Bitte melde dich an, um diesen Anhang zu sehen.
und p14 XTAL IN
als Referenz p6 / P13/P14
den Quarz habe ich bereits getauscht.
Morgen gehts weiter ... guts Nächtle
Dieser VIC:
VDD 12,20
AEC 4.12
gnd: 0,02 mv
VCC 5,10
Das ist alles i.O., hat kinzi ja schon gesagt.
Der Bereich Quarz <-> 8701 <-> VIC ist ja glücklicherweise recht überschaubar ...
Viel Erfolg!
welcher ist den nu PHI IN?
Der 8701 tüdert mit dem Quarz zwei Frequenzen. Einmal "Ø DOT" (im Schaltplan auch "DOT CLOCK") und einmal "Ø COLOR". Daraus bastelt der VIC-II ein Bild und teilt eine der Frequenzen zum CPU-Takt. Pin 6 vom 8701 (Ø DOT) geht zum VIC-II Pin 22 "PHI IN", Pin 8 vom 8701 (Ø COLOR) geht zum VIC-II Pin 21.
Wenn am 8701 schon nichts rauskommt, geht natürlich in den VIC nichts rein. Wenn der 8701 aber an sich (in einem andern Board) funktioniert, kann es es nur noch dessen Sockel, ein bis 23 Leiterbahnen bzw. Lötverbindungen sein. (grob geschätzt)
Angriffsmöglichkeiten:
Bitte melde dich an, um diesen Anhang zu sehen.
Energie muss er natürlich haben. Eventuell ist L1 ohne Durchgang oder C58 schließt nach Masse kurz. Vielleicht fehlt eine der 3 Masseanschlüsse. Oder alle. Die 5V-Leitung könnte unterbrochen sein.
Der Trimmer (für die Feinabstimmung der Quarzfrequenz) kann offen sein oder Kurzschluss haben, so dass evtl. nichts schwingt.
Ansonsten halt alle Verbindungen zwischen IC selbst und (möglichst mehreren) korrespondierenden Punkte auf dem Board prüfen.
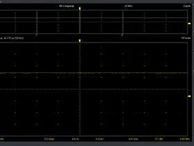
Nur was für Bilder Freaks:
Sieht gut aus. Kannst du so lassen. ![]()
Pin 6 vom 8701 (Ø DOT) geht zum VIC-II Pin 22 "PHI IN", der ist OK
Pin 8 vom 8701 (Ø COLOR) geht zum VIC-II Pin 21 der ist OK
Die VDD Versorgungsspannung am 8701 ist OK :
P5 Reset: 4,70
P8 Color: 3,99
P12 VDD: 5,09
P13 Xtal Out: 0,357
P14 XtalIn: 3,19
P15 VDD: 5,07