Atari 1040 STF Anfängerfragen

Es gibt 74 Antworten in diesem Thema, welches 23.600 mal aufgerufen wurde. Der letzte Beitrag (19. Februar 2023 um 18:05) ist von TM16.

  • Das wäre ja gut. Ich habe mal die Verschaltung angehängt. Funktioniert das so?

    Neben meinem 1084 steht der DELL, dann müßte ich mir für den HI-Mode nur noch ein VGA-Kabel besorgen.

    Oder ich nehme den SM124. Der ist aber doch etwas klein - na mal sehen...

    Das von Dir gefundeneBild zeigt eine Lösung - ob sie ein guntes Bild kiefert, kann ich mangels eigener Erfahrung nicht bestätigen, da ich den Monitor nivht habe. Er soll aber auch über HSync und VSync Eingänge verfügen, die würde ich dem CSync vorziehen ...

    Bitte melde dich an, um diesen Anhang zu sehen.

    Ich habe mal in meinen "Skizzen" gekramt und die hier gefunden, die ich wohl der CGA oder EGA Norm nachempfunden habe:

    Bitte melde dich an, um diesen Anhang zu sehen.

    Wenn Du den "Auto" Schalter wegläßt und Audio Out nicht ab die 9er Sub D führst, kannst Du so eine Unschaltung planen!

  • @Bitte melde dich an, um diesen Link zu sehen.

    Auf deiner Skizze sind zusätzlich noch H- und V-Sync verbunden.

    Ich habe mal mein Monitorkabel vom Amiga aufgeschraubt, da ist auch nur Composite Sync verbunden.

  • @Bitte melde dich an, um diesen Link zu sehen.

    Auf deiner Skizze sind zusätzlich noch H- und V-Sync verbunden.

    Ich habe mal mein Monitorkabel vom Amiga aufgeschraubt, da ist auch nur Composite Sync verbunden.

    Ja schon - Aber das CSync-Signal selber ist eine einfache Kopplung der HSync und VSync. Intern muß Dein 1084 das Signal wieder splitten. Wenn die Signale aber einzeln herangeführet werden, können einige Bauteile "relaxen" und auch der Bildaufbau könnte stabiler sein!

    Ich habe gestern noch mal für Dich die Schematik angepaßt. Es war mal im Atari Home ein Diskussionsthema, daß es besser sei, dem jeweils unbenutztem Monitor auch die Sync Signale zu "kappen" ... das habe ich in der neueren Schaltung mit eingeplant

    Bitte melde dich an, um diesen Anhang zu sehen.

  • Ich habe mir mal Kabel und 13-Pin-Stecker bestellt. Dann probiere ich das mal aus. Danke erst mal! :)

    Bei Reichelt? Das ist die einzige Stelle wo ich diese Atari Stecker günstig zu ordern gelistet fand! da hättest Du auch alles andere für den Bau eoner gescheitem Umschaltbox mitbestellen können ...

  • Ich habe mir bei ebay 4 13-Pin-Stecker für ca. 6€ gekauft und zwei Kabel mit jeweils 2x 9-Pin und 15-Pin Stecker gekauft.

    Daraus bastel ich mir dann die Kabel und schau mal, was am TFT (nur monochrom, vielleicht auch Farbe) und am 1084 funtioniert.

    Wenn alles funktioniert werde ich mir dann wohl eine Umschaltbox bauen.

    Ich weiß jetzt gar nicht, kann der 1084 eigentlich auch monochrom über den RGB-Eingang darstellen?

    Edit: Hab gerade die Stecker bei Reichelt gesehen. Aber wenn man die Versandkosten mitrechnet, bin ich doch günstiger weggekommen... :)

  • Ich habe mir bei ebay 4 13-Pin-Stecker für ca. 6€ gekauft und zwei Kabel mit jeweils 2x 9-Pin und 15-Pin Stecker gekauft.

    Daraus bastel ich mir dann die Kabel und schau mal, was am TFT (nur monochrom, vielleicht auch Farbe) und am 1084 funtioniert.

    Wenn alles funktioniert werde ich mir dann wohl eine Umschaltbox bauen.

    Ich weiß jetzt gar nicht, kann der 1084 eigentlich auch monochrom über den RGB-Eingang darstellen?

    Edit: Hab gerade die Stecker bei Reichelt gesehen. Aber wenn man die Versandkosten mitrechnet, bin ich doch günstiger weggekommen... :)

    Die Atari Monitor Stecker Stückpres 6€ oder zusammen?

    Falls einzeln - Reichelt:

    - Bitte melde dich an, um diesen Link zu sehen.

    - Bitte melde dich an, um diesen Link zu sehen.

    - Bitte melde dich an, um diesen Link zu sehen.

    - Bitte melde dich an, um diesen Link zu sehen.

    - Bitte melde dich an, um diesen Link zu sehen.

    - Bitte melde dich an, um diesen Link zu sehen.

    + geeignetes Kunststoffgehäuse, das ich hier aber nicht verlinke, da ich denke, das hier jeder seinen eigenen Stil hat! Die Lötösen habe ich verwendet um Kabel an den 13pol. Stecker zu bekommen, die pfriemelige Lötarbeit bekam ich nicht mehr gebacken

    Mit den verlinkten Bauteilen könntest Du Dir eine Umschaltbox bauen und bräuchtest keine Kabel umzustecken! Und natürlich geeignetes Rundkabel.

    Ich möchte noch mal erläutern, warum man über einen Schaltweg Pin 4 des Atari Steckers das Masse-Potential legt: Der ST muß irgendwie informiert werden, daß der User eine Anwendung in Monochrom oder Farbe starten möchte. Das passiert eben über Pin 4 - liegt hier Masse an, startet der ST die hohe monochrome Auflösung, andernfalls die nidrigeren Color ...

    Das ST High wirst Du auf Deinem 1084s nicht darstellen können!

  • wenn du fertig gebastelt jast, kannst du mal ein Bild vom Adapter einstellen?

  • wenn du fertig gebastelt jast, kannst du mal ein Bild vom Adapter einstellen?

    Kann ich machen, aber das ist nix Großartiges. Ich hab mir ein Kabel mit zwei 9-Pol-Sub D - Steckern dran und eins mit VGA - Steckern gekauft.

    Die schneide ich dann auseinander, so daß ich jeweils zwei Kabel mit einem Stecker erhalte (d.h. das ergibt dann ein 9-Pol monochrom und ein 9-Pol Color Kabel für den 1084 und ein VGA monochrom und ein VGA Color - Kabel). Daran löte ich den 13-Pin-Stecker, der an den Atari kommt. Und dann sehe ich ja, was dabei rauskommt.

    Die Atari Monitor Stecker Stückpres 6€ oder zusammen?

    Zusammen für 6€.

    Mit den verlinkten Bauteilen könntest Du Dir eine Umschaltbox bauen und bräuchtest keine Kabel umzustecken! Und natürlich geeignetes Rundkabel.

    Super - vielen Dank für die Arbeit, die du dir gemacht hast!

    Ich möchte noch mal erläutern, warum man über einen Schaltweg Pin 4 des Atari Steckers das Masse-Potential legt: Der ST muß irgendwie informiert werden, daß der User eine Anwendung in Monochrom oder Farbe starten möchte. Das passiert eben über Pin 4 - liegt hier Masse an, startet der ST die hohe monochrome Auflösung, andernfalls die nidrigeren Color ...

    Ja das hatte ich schon gelesen.

    Das ST High wirst Du auf Deinem 1084s nicht darstellen können!

    Schafft der die hohe Frequenz nicht?

    Wenn ich am 1084 Color und am TFT Monochrom hinbekommen würde, das wäre schon toll. Wie gesagt, die stehen ja nebeneinander.

    Außerdem habe ich ja noch den SM124. :)

  • wenn du fertig gebastelt jast, kannst du mal ein Bild vom Adapter einstellen?

    Ich habe mir eine Umschaltbox für einen NEC VGA Multisync selbst gebaut. Meiner Umschaltbox habe ich einige Features (Möglichkeit eines externen Audio Eingangs und entsprechendert Umschaltung) hinzugefügt. Prinzipiell basiert sie auf folgender Schaltung:Bitte melde dich an, um diesen Anhang zu sehen.

    Da, wo hier die Chinch Buchse dargestellt ist, habe ich einen 2xUM Scalter eingesetzt und an einer Seite beide Wege mit dem Audio Out beschaltet. Die Mittenkontakte kommen an Audio Out der Schaltbox - hier habe ich Stereo Klinke 3,5 eingesetzt. An die andetren Schalter-Außenkontakte habe ich Chinch-Buchsen gelegt, falls ich sie an meinem Mega STE betreibe ...

    Bitte melde dich an, um diesen Anhang zu sehen.

    Es gibt auch ein kleines Bitte melde dich an, um diesen Link zu sehen. von den ersten Tests. Ich bitte aber das schwere Atmen von mir zu überhören - ich bin nicht mehr der jüngste (Jahrgang 1960) und ein 140+ Kilo Mensch!

    wenn du fertig gebastelt jast, kannst du mal ein Bild vom Adapter einstellen?

    Kann ich machen, aber das ist nix Großartiges. Ich hab mir ein Kabel mit zwei 9-Pol-Sub D - Steckern dran und eins mit VGA - Steckern gekauft.

    Die schneide ich dann auseinander, so daß ich jeweils zwei Kabel mit einem Stecker erhalte (d.h. das ergibt dann ein 9-Pol monochrom und ein 9-Pol Color Kabel für den 1084 und ein VGA monochrom und ein VGA Color - Kabel). Daran löte ich den 13-Pin-Stecker, der an den Atari kommt. Und dann sehe ich ja, was dabei rauskommt.

    Das war von Boulderdash doch wohl an mich gerichtet - trotzdem wäre es fein, Du veröffentlichtest Deine Arbeit ...

    Schafft der die hohe Frequenz nicht?

    Wenn ich am 1084 Color und am TFT Monochrom hinbekommen würde, das wäre schon toll. Wie gesagt, die stehen ja nebeneinander.

    Außerdem habe ich ja noch den SM124. :)

    Genau - ich weiß es zwar nicht aus eigener Erfahrung, aber durch Mitlesen bei anderen Nutzern hier - und der 1084 ist meineswissens ja nicht als VGA Monitor konzipiert, sondern zur Darstellung der Colorauflösung des Amiga (und vielleicht C128, falls der einen RGB Monitoranschluß hat ...)

    Ein Tipp noch für Deine Schaltbox:

    Wenn Du meine Schaltung im Post Bitte melde dich an, um diesen Link zu sehen. nachbaust, führe bitte nur HSync und VSync an dan 1084, CSync nicht. Ich weiß nicht, wie es sich verhält, wenn ein Monitor die Syc Signale doppelt bekommt, aber einzeln, wie schon angedeutet, dürfte besser sein als die YSammelleitung. Das Beste ist, Du nimmst eine 9er SUB D Buchse und eine 15 VGA Buchseund bastelst Dir das Verbindungskabel zum Monitor selber - Pin 6 und 7 der Stecker bleiben unbeschaltet und es sollte ein abgeschirmtes Kabel mit mindestens 5 Leitern sein - Schrm an Pin 1 und 2!

  • Es gibt einige TFT, welche 15kHz hinbekommen, muss auf Arbeit mal schauen, im "Museum" haben wir welche, ansonsten Fernseher z.B. Sharp Aquos ( echt ultimatives Teil, Scart, Component, Composite, DVI, HDMI, VGA einfach alles ) Mit dem kannst Spaß haben, da klebt bei mir auch alles dran von 1980 bis neu.

  • Ich stelle Euch jetzt mal meine Liste der zur Monitor Schaltbox zV: Bitte melde dich an, um diesen Link zu sehen.. Wer die Umschaltung für "Multisync" benötigt, läßt die 9er Sub D Buchse weg. Am 13pol. Monitorsteker sind die Lötarbeiten schwer und pfrimelig - dafür habe ich die Lötösen an die Kabelenden gelötet, mit Schrumpfschach isoliert und auf die entsprechenden Stifte gesteckt ...

    An Monitoren sollten folgende die niedrige Auflösung schaffen:

    - NEC MultiSync 1990FXp

    - NEC MultiSync 1970nx(p)

    - NEC MultiSync EA192M {mein Monitor}

    - NEC MultiSync 1970GX

    - NEC EA244WMi (24")

    - MEDION MD32119PR

    - DELL U2410

    - Acer S242HL Abid

  • Sooo - jetzt mal eine kurze Rückmeldung.

    Also ich habe mir die Kabel gebastelt. Erstmal ein VGA-Monochrom, das funktioniert super an meinem 17-Zoll Dell.

    Dann das Color-VGA: Funktioniert, wie Obelix 20960 geschrieben hatte, nicht.

    Dann das D-Sub 9 - Color Kabel für den 1084 D2. Da bekam ich ein Bild, allerdings lief das durch. Hatte H-Sync und V-Sync angelötet.

    Hab dann zusätzlich Composit-Sync angelötet, aber keine Veränderung. Dann erstmal ein Sync-Signal abgelötet (weiß jetzt nicht mehr welches, ob H- oder V-)

    Aber das Bild lief immernoch. Dann das andere Sync weg, so daß nur noch Composit dran war und - siehe da, ein tolles, stehendes Bild.

    Dann hab ich mir den NEC MultiSync EA192M für 10€ gekauft und da funktioniert Color, als auch Monochrom. Nur bei der mittleren Auflösung sieht man manche vertikalen Linien nicht. Ist das eine Einstellungssache?

    Auf alle Fälle sind mir aber die 19 Zoll zu groß, so daß ich beschlossen habe, jetzt erst mal den 1084 für Color und den SM124 für Monochrom zu benutzen. Dafür baue ich mir jetzt eine Umschaltbox.

    Eine Frage hätte ich zur Beschaltung des SM124: Wird da nur das Monochrom -Signal (Pin 11) oder die r/g/b (Pin 7/6/10) Signale angeschlossen.

    Ich hatte mal im Schaltplan des Monitors geschaut, aber recht schlaub bin ich daraus nicht geworden. Ich habe mal einen Ausschnitt beigefügt. Vielleicht könnt ihr mir da weiterhelfen...

  • Hab dann zusätzlich Composit-Sync angelötet, aber keine Veränderung. Dann erstmal ein Sync-Signal abgelötet (weiß jetzt nicht mehr welches, ob H- oder V-)

    Aber das Bild lief immernoch. Dann das andere Sync weg, so daß nur noch Composit dran war und - siehe da, ein tolles, stehendes Bild.

    ;)

    Entweder H-Sync und V-Sync oder Composite-Sync. Beides zusammen funkioniert nicht.

    Gratulation zum Erfolg. :thumbup:

    Systemshock war eines meiner ersten Computerspiele auf CD-Rom, welches mich sehr gefesselt hat. Wer oder was ist SHODAN: Bitte melde dich an, um diesen Link zu sehen.

  • Hab dann zusätzlich Composit-Sync angelötet, aber keine Veränderung. Dann erstmal ein Sync-Signal abgelötet (weiß jetzt nicht mehr welches, ob H- oder V-)

    Aber das Bild lief immernoch. Dann das andere Sync weg, so daß nur noch Composit dran war und - siehe da, ein tolles, stehendes Bild.

    ;)

    Entweder H-Sync und V-Sync oder Composite-Sync. Beides zusammen funkioniert nicht.

    Gratulation zum Erfolg. :thumbup:

    Ich hatte ja zuerst H- und V-Sync (ohne Composite) angeschlossen, das funktionierte ja nicht. (Vielleicht hatte ich die beiden auch vertauscht - kann ich jetzt aber nicht mehr nachvollziehen. Außerdem auch nicht vorstellen).

    Auf alle Fälle funktioniert's mit Composite. :thumbsup:

  • Schön, daß es jetzt bei Dir funktioniert!

    Ich möchte mich aber doch noch kurz erklären: Daß ich geraten hatte, die Sync Signale getrennt zuzuführen, hatte den Hintergrund, daß am Pin 2 der Monitorbuchse nicht nur das einfache CSync liegen kann, sondern bei den Modulatorbestückten ST ein komplettes Composite Video (FBAS) Signal. Außerdem war irgendwo dokumentiert, daß die Art, wie im Atari das CSync erzeugt wird, kein "geglättetes" CSync ergibt (was immer das auch heißen mag)! Das am Pin 2 anliegende Signal sorgt zB. an GBS 82x0 Platinen für unschöne "Pixelsprünge". Abhilfe soll ein eigener "Syncmixer sein ...

    zB.:

    Bitte melde dich an, um diesen Anhang zu sehen.

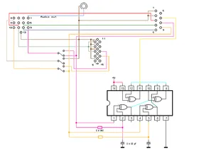
  • Ich habe noch einen anseren Syncmixer gefunden, der auf dem gleicheb IC basiert, aber alle Gates benutzt und dabei mit 2 Widerständen und 2 Kondensatoren auskommt:

    Bitte melde dich an, um diesen Anhang zu sehen.

    Ich habe mal versucht, diese mit dargestelltem IC Scaubild in meine Schaltung einzubauen - wo ich aber die benötigte Spannung her holen kann,bin ich mir noch nicht bewußt, aber da ich einige Umschalter mit IC - zB. der für Multisync vei EXOS (?!?) oder die TA, um die es Bitte melde dich an, um diesen Link zu sehen. geht - kennen gelernt habe, kann die wohl aus der Schaltspannung (Pin 8 Atari Monitorbuchse) gewonnen werden. Diese liegt bei 12V, der IC soll aber laut Datenblätter nur max. 5,25V verkraften. Ich habe einen separaten Syncmixer eingeplant, weil gerade ältere TV sowie auch die GBS82x0 Platinen duchaus störende Nebeneffekte bei dem im Atari auf recht einfache Weise gemixtes Signal zeigten. Hier das betreffende Schaltbild:

    Bitte melde dich an, um diesen Anhang zu sehen.

    Der Colorausgang ist der Beschaltung des C1084S Monitor nachempfunden, kann aber auch leicht für die GBS82x0 Platinen oder Scart adaptiert werden (Für Scart empfiehlt sich auch das Audio Signal an der Sub D Buchse abgreifbar zu machen, Ich habe hier mal Pin 6 angedeutet, weil ich den bislang unbenutzt habe. Für 1084S Nutzer sei noch erwähnt: Bitte NUR H&VSync ODER CSyng an den Monitor weiterleiten, also ein Verbindungskabel oder einen Zwiscvhenadapter "selbst Stricken", bei dem entweder Pins 6&7 oder 6&8&9 unbeschaltet bleiben. Es reicht also ein 4/5 adriges Kabel mit Abschirmung (Schirm an Masse), ansonsten 1zu1 beschaltet!

  • Ich habe mal gelernt, dass man TTL-Eingängen nicht direkt mit der Versorgungsspannung beschaltet, sondern einen definierten Pegel durch einen Pull-Up-, oder Pull-Down-Widerstand festlegt. Je nach Schaltaufgabe.

    Systemshock war eines meiner ersten Computerspiele auf CD-Rom, welches mich sehr gefesselt hat. Wer oder was ist SHODAN: Bitte melde dich an, um diesen Link zu sehen.

  • Ich habe mal gelernt, dass man TTL-Eingängen nicht direkt mit der Versorgungsspannung beschaltet, sondern einen definierten Pegel durch einen Pull-Up-, oder Pull-Down-Widerstand festlegt. Je nach Schaltaufgabe.

    Ich bin leider kein Elektr(on)iker und habe darum auch gar keine Ahnung davon. Du meinst sicher die Verbindung zwischen Pin 13 und 14! Sieh Dir die dargestellte Schaltung 1 an, die irgendwo so im Netz abgelegt ist. Dort ist auch keiner eingezeichnet.

  • Die Kritik betrifft nicht dich, sondern die Vorlage, welche du im Netz gefunden hast. :)

    Systemshock war eines meiner ersten Computerspiele auf CD-Rom, welches mich sehr gefesselt hat. Wer oder was ist SHODAN: Bitte melde dich an, um diesen Link zu sehen.