Eprom 2764(28pol) als Ersatz für 2716(24pol) Eprom Problem mit AdapterPlatine

Es gibt 42 Antworten in diesem Thema, welches 6.035 mal aufgerufen wurde. Der letzte Beitrag (5. Dezember 2021 um 11:12) ist von Mojo1951.

  • Hallo,

    habe probiert ein 2764 Eprom mittels Adapter Platine, wie für Epromersatz Kernal C64, auf einem Gerät einzusetzen. Gleicher Inhalt wie beim 2716 aber funktioniert nicht.

    Kann sich das einer mal anschauen. siehe Bilder

  • Hi Mojo1951,


    sorry, ist schon spät hier …. :)

    Der Adapter ist für einen EPROM-Ersatz eines 2364 durch ein 2764. Dein 2716 hat eine andere Speichergrösse (2k). Aber wie gesagt, es ist schon spät und ich habe das nicht richtig verstanden… :)

  • @Bitte melde dich an, um diesen Link zu sehen.

    verstehe ich das richtig. Du hast einen 24 poligen Sockel in dem ein 2716 Eprom steckt ?
    in diesen 24 poligen Sockel willst du jetzt ein 28 poliges 2764 einsetzen ?

    Die Adapterplatine auf Deinem rechten Bild ist falsch!

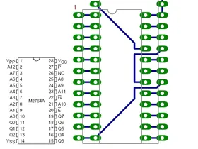
    So müsste die Adapterplatine aussehen, 2716 und 2764 sind ja praktisch, von "unten nach oben betrachtet" bis auf das beim 2764 3 PIN's ( 4 wenn man PIN 26 N/C mitzählt ) A11, A12, /PGM hinzukommen und VPP woanders liegt, identisch.


    Bitte melde dich an, um diesen Anhang zu sehen.

    2716 - PIN 24 VCC auf 2764 - PIN 27 & 28

    2716 - PIN 12 GND auf 2764 PIN A11 & A12

    2716 - PIN 21 VPP auf 2764 PIN 1 VPP

    Hoffe ich habe keinen Fehler eingebaut und konnte Dir weiterhelfen.

    cu Dirk

  • Hallo Dirk,

    kann einen Teilerfolg melden. Das Gerät, es handelt sich um eine Atomuhr aus den 80ern von Elrad, startet zwar mit dem Sekunden zählen,

    bricht aber dann ab und lässt nur noch 2 LED leuchten. Mit dem Original 2716 laufen die Sekunden weiter.

    Was ist eigentlich mit Pin 18 de 2716 CE und mit Pin 20 des 2764 E bleiben die frei?

    VG Helmut

  • Was ist eigentlich mit Pin 18 de 2716 CE und mit Pin 20 des 2764 E bleiben die frei?

    Nein die bleiben nicht frei... du must eine Brücke in die Adapterplatine machen, die sind miteinander verbunden, das ist ein Fehler von mir der durch das löschen der einen Leiterbahn aus Deiner geposteten Adapterplatine entstanden ist, Sorry!

    Dieser CE / E == Chip Enable Pin, schaltet den Chip überhaupt erst ein, aktiviert Ihn, sobald er von Deiner Atom-Uhr Schaltung auf LOW / GND "gezogen" wird.

    Ich hänge nochmal das korrekte Bild an und hoffe das Deine Atom-Uhr dann funktioniert.

    Achtung! Du must Deinen 2764 aber direkt in einem Eprom-Programmiergerät programmieren / flashen!

    Nicht das du den 2764 in der Adapterplatine programmierst, PIN 27 / PGM vom 2764 ist über die Adapterplatine fest auf VCC / HIGH verbunden, ich müsste ins Datenblatt schauen... aber PGM steht bestimmt für "Programming" o.ä. das wird der Eprom-Brenner wenn du das Eprom programmierst auf GND / Aktiv setzen wollen ( GND und VCC direkt verbunden ist nicht so gut )

    Bitte melde dich an, um diesen Anhang zu sehen.

    cu Dirk

  • Läuft es jetzt? Im Prinzip ists ganz einfach: Signale mit gleichem Namen werden miteinander verbunden - alle. Dann bleiben beim 27(C)64 die beiden höchstwetrigen Adressleitungen übrig: A11/A12. Die werden auf GND gelegt und damit die oberen 6kB des EPROMs deaktiviert. Der Inhalt des 2716 wird dann ab Adresse 0000 programmiert, der Rest ist egal und kann leer bleiben. Man kann natürlich auch einen anderen Bereich des EEPROMs nutzen, indem man eine oder beide der übrigen Adressleitungen auf VCC legt und dien EPROM-Inhalt dann die Daten mit dem entsprechenden Offset programmiert.

    Eingänge dürfen nie offen bleiben, sie würden floaten und zufällige Ergebnisse statt den programmierten Daten an den Ausgängen (D0..D7) erzeugen -> Programmabsturz. Also alle Pins, die nicht N.C. sind, anschließen.

  • Was ist eigentlich mit Pin 18 de 2716 CE und mit Pin 20 des 2764 E bleiben die frei?

    Nein die bleiben nicht frei... du must eine Brücke in die Adapterplatine machen, die sind miteinander verbunden, das ist ein Fehler von mir der durch das löschen der einen Leiterbahn aus Deiner geposteten Adapterplatine entstanden ist, Sorry!

    Dieser CE / E == Chip Enable Pin, schaltet den Chip überhaupt erst ein, aktiviert Ihn, sobald er von Deiner Atom-Uhr Schaltung auf LOW / GND "gezogen" wird.


    cu Dirk

    Leider ein Misserfolg, ohne Verbindung war"startet zwar mit dem Sekunden zählen,bricht aber dann ab".

    Jetzt startet nur noch Unsinn, kein Sekunden zählen. Vielleicht nur Pin 20 vom 2764 auf GND?

  • Mach mal bitte ein Bild von Deiner "gebauten" Adapterplatine ?

    Vielleicht nur Pin 20 vom 2764 auf GND?

    Nein nichts extra / direkt Pin 20 mit GND verbinden, das macht Deine Atom-Uhr-Schaltung !

    Auf der Adapter-Platine muß außer A11 / A12 nichts direkt mit GND verbunden werden... ich male nochmal was...


    Bitte melde dich an, um diesen Anhang zu sehen.

    Wenn du beide 27C's an der Unterseite nebeneinander legst... siehts du das fast alle Pins mit Ihrem "Namen / Bezeichnung" übereinstimmen.
    Die übereinstimmenden Pins werden auf der Adapterplatine einfach direkt zusammengelötet / gebrückt!
    Nur die gelb, rot, grün markierten mußt du entsprechend anpassen.


    27c64 Pin-Nr. verbinden mit 27c16 Pin-Nr. auf Deiner Adapterplatine

    27c64 - 1 -> 27c16 - 21

    27c64 - 2 -> 27c16 - 12

    27c64 - 3 -> 27c16 - 1

    27c64 - 4 -> 27c16 - 2

    27c64 - 5 -> 27c16 - 3

    27c64 - 6 -> 27c16 - 4

    27c64 - 7 -> 27c16 - 5

    27c64 - 8-> 27c16 - 6

    27c64 - 9 -> 27c16 - 7

    27c64 - 10 -> 27c16 - 8

    27c64 - 11 -> 27c16 - 9

    27c64 - 12 -> 27c16 - 10

    27c64 - 13 -> 27c16 - 11

    27c64 - 14 -> 27c16 - 12

    27c64 - 15 -> 27c16 - 13

    27c64 - 16 -> 27c16 - 14

    27c64 - 17 -> 27c16 - 15

    27c64 - 18 -> 27c16 - 16

    27c64 - 19 -> 27c16 - 17

    27c64 - 20 -> 27c16 - 18

    27c64 - 21 -> 27c16 - 19

    27c64 - 22 -> 27c16 - 20

    27c64 - 23 -> 27c16 - 12

    27c64 - 24 -> 27c16 - 22
    27c64 - 25 -> 27c16 - 23
    27c64 - 26 N/C
    27c64 - 27 -> 27c16 - 24

    27c64 - 28 -> 27c16 - 24

    cu Dirk

  • So einen habe ich noch, die "Extrem-Methode ohne Adapterplatine!"


    Angenommen das ist Dein 27C64
    Dann biege die Pins 1,2 & 27,28 sowie Pin 23 des Eproms nach außen.

    Bitte melde dich an, um diesen Anhang zu sehen.


    Da in diesem speziellen Fall Pin 26 beim 27C64 NC ( nicht intern verbunden ist ), steckt dieser nach dem einsetzen in den 27C16 / 24 poligen Sockel Deiner Atom-Uhr ja im Pin 24 ( VCC ), Pins 1,2 & 27,28 des 27C64 Eproms befinden sich oben außerhalb des 24 poligen Sockels auf Deiner Atom-Uhr.
    Dem NC Pin stört das nicht weil er ja intern nicht verbunden sein sollte.

    Anschließend verbindest du 27 & 28 mit 26, die sind dann permanent HIGH

    Pin 1&2 sowie Pin 23 verbindest du jetzt mit Pin 14, der steckt im 27C16 Sockel ja in Pin 12 ( VSS / GND )
    Pin 1 sollte man auch einfach mit GND verbinden können, da liegt doch eigentlich nur während des Programmiervorgangs die Programmierspannung +12 / 21 V an.

    Bitte melde dich an, um diesen Anhang zu sehen.

    Dann Eprom in den Atom-Uhr Sockel einsetzen, fertig!

    So und ich darf jetzt schauen wie ich meine Pins wieder gerade bekomme ;) Ne ist egal das war nur ein One-Time Programmable Eprom den ich aus einer Platine vom Schrott herausgezogen habe.

    cu Dirk

  • Sehe jetzt um kurz vor 01:00 keinen Fehler in Deiner Adapterplatine.

    Wo geht das grüne Kabel hin ? links unten 6er Pin / OE, oder ist da nur das letzte Stückchen noch "grün ummantelt" von der nachträglich gemachten Brücke ?

    Ich würde jetzt ( falls du es noch nicht gemacht hast )
    - mal mit einem Multimeter/Durchgangstester die Adapterplatine prüfen
    - anderes 27Cxxx Eprom probieren
    - mal versuchen den 27C64 in der Adapterplatine steckend am Eprom-Programmiergerät auszulesen ( Pin 27 vorher von der Adapterplatine von VCC trennen! Deine kleine vertikale Drahtbrücke entfernen und nur von VCC 24-polig auf VCC 28-polig ein Kabel )

    Echt komisch das es nicht funktioniert.
    _______________________

    Aber ich habe einen Fehler in meinem "Einen habe ich noch" Posting gemacht... das funktioniert nicht mit VPP auf GND!
    Im Datenblatt steht das VPP auf VCC sein muss beim "Lesen"
    Bitte melde dich an, um diesen Anhang zu sehen.

    Das betrifft nicht Deine Adapterplatine weil du ja VPP auf VPP mit einem Kabel durchverbunden hast.


    So sollte es dann funktionieren:
    Bitte melde dich an, um diesen Anhang zu sehen.



    cu Dirk

  • Hallo Dirk,

    Habe deine obige Verdrahtung übernommen, merhfaches anschalten der Uhr kamen dann auch die Sekunden, aber nur kurz, neustart der Sekunden dann Ziffern aus und nur noch 2 Anzeigen mt 8. Altes 2716 rein Sekunden laufen. Werde das Projekt 2764 begraben.

    Habe mir 2 2716 bestellt und diese dann brennen und einsetzen. Einzig was mir noch einfällt, wäre das Timing des 2764 zu schnell?

    Ich danke Dir für Deine Mühe.

    VG Helmut

  • Einzig was mir noch einfällt, wäre das Timing des 2764 zu schnell?

    Zu schnelles Timing gibts eigentlich nicht, die Zahl die hinter Deinem 27C16-xxx steht sollte nur nicht kleiner sein als die vom 27C64-xxx ! Anders herum wäre es egal !
    Also z.B. 27C16-100 und 27C64-200, dann wäre der 27C64 möglicherweise zu langsam ( hängt von der Atom-Uhr-Schaltung / CPU ab ob die die Bytes so schnell aus dem Eprom auslesen möchte )

    Ich hatte auch schon so ähnliche Probleme mit Eproms, war aber einfach nur ein Kontaktproblem im Sockel, beim anderen war der Eprom wahrscheinlich schon zu oft "gebrannt" worden, der hatte "Bit-Kipper". Ist mir aufgefallen als ich mehrmals nacheinander einen "Verify" mit dem Programmiergerät gemacht habe, da wurden dann an der gleichen Speicher-Adresse unterschiedliche Bytes ausgelesen.
    _______________

    Was du auch nochmal machen könntest, kopiere Dein 2k Binary 4x hintereinander, damit der 27C64 "voll" geschrieben ist. Falls A11/A12 "Probleme" hätten und in die "Addressierung spucken" sollte er so auf jeden Fall sein Binary finden.
    Ein Versuch wäre es wert.

    Ich danke Dir für Deine Mühe.

    Kein Problem Helmut ;)


    cu Dirk

  • Werde das Projekt 2764 begraben.

    Wie sieht eigentlich dein .bin Brennfile aus? Bitte mal posten ...

    P.S.: Schon mal mit 2732 probiert?

    Wie sieht eigentlich dein .bin Brennfile aus? Bitte mal posten ...

    im Anhang

    Schon mal mit 2732 probiert?

    Hab keins

    Einzig was mir noch einfällt, wäre das Timing des 2764 zu schnell?



    Was du auch nochmal machen könntest, kopiere Dein 2k Binary 4x hintereinander, damit der 27C64 "voll" geschrieben ist. Falls A11/A12 "Probleme" hätten und in die "Addressierung spucken" sollte er so auf jeden Fall sein Binary finden.
    Ein Versuch wäre es wert.



    cu Dirk

    Ja , wäre noch einen Test wert

    LG Helmut

  • im Anhang

    Das ist nur 2K (2.048 Bytes) ... müsstest du für ein 2764 Eprom vervierfachen ... also 8K (8.192 Bytes), sonst kannst du es ja nicht in ein 2764 brennen.

  • sonst kannst du es ja nicht in ein 2764 brennen.

    Brennen schon, der Rest ist eben frei. Dirk meinete auch mit 4fach brennen. Werd ich noch probieren.

    LG

  • @Bitte melde dich an, um diesen Link zu sehen.
    Helmut kannst du bitte mal ein paar Infos zur "Atom-Uhr" selbst geben ?


    - welcher Prozessor / CPU ist da drauf ? Intel 8051 ?

    - ist der 27C16 der einzigste Eprom auf der Platine ?

    - gerne auch mal ein Bild der Platine selbst oder falls vorhanden ein Bild / Link zum Schaltplan ?

    Frage: Hast du dieses .bin irgendwo als Original ( Kopie auf Diskette o.ä. ) gehabt ? oder ist das "nur" vom 27C16 Eprom ausgelesen ?


    Mir kommt der Inhalt des Binary irgendwie komisch vor!
    Die ersten 512 Bytes sind mit "Daten" beschrieben ( aber so "wenige" Bytes für die komplette Uhr-Ansteuerung ? ist das realistisch ? kann man damit die ganzen Segment-Anzeigen steuern + Zeit-Logik, Sekunden - Minuten - Stunden Übertrag usw. )

    Ab 0x200 kommen "eigentlich" nur noch 0XFF
    - unterbrochen ab 0x300 bis 0x317 mit 24 Bytes "Daten"

    - bei 0x3FF: 0x80 anstatt 0xFF

    - und bei 0x77F: 0x00 anstatt 0xFF


    Kann es vielleicht sein das das Binary falsch / fehlerhaft ausgelesen wurde ?
    Das wäre allerdings auch komisch da der Eprom ja in der Schaltung funktioniert !?!?!

    Denn wenn das Binary fehlerhaft wäre dann kann der 27C64 ja überhaupt nicht funktionieren, ist wirklich kurios.


    cu Dirk