Eigenartiges Bild bei ATARI 1040STF und selbst gemachtem SCART Kabel

Es gibt 19 Antworten in diesem Thema, welches 4.946 mal aufgerufen wurde. Der letzte Beitrag (12. November 2020 um 00:18) ist von 1ST1.

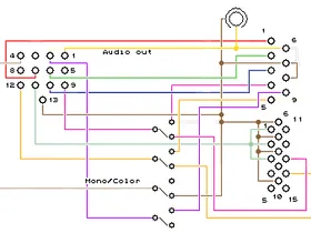
  • Ich habe mir laut Anleitung in diesem Forum ein Atari=>SCART Kabel gemacht (siehe zweites Bild).

    Nun ich habe wenigstens ein Bild aber es fehlt die Farbe und es fehlen meiner Ansicht nach auch Zeilen/Spalten/Pixeln ? (siehe erstes Bild).

    Ich habe auch schon die Diode und den Elko entfernt und keinerlei Änderung erzielt. Ja vielleicht fllickert das Bild jetzt vielleicht etwas mehr (aber der Hauptfehler ist davon nicht betroffen).

    Ich verwende einen FLATRON MD2760D Monitor, der ALLE Anschlüsse hat (Scart, VGA, HDMI, DVI, ...)

    Ich hoffe nur nicht, dass der ATARI ein Problem hat.

    Hat jemand eine Idee was ich falsch mache oder sonst noch versuchen könnte.

    Vielen Dank

    Alex

  • Manche Monitore brauchen noch eine weitere Schaltspannung um von FBAS auf RGB zu wechseln oder man muss es dem Monitor/Fernseher anders sagen.

    Check das mal.

  • Die Schaltung mit Diode, Kondensator und VSync-Leitung an Scart-Pin 16 finde ich ungewöhnlich. Ich schätze mal, das kann so funktionieren, aber nicht unbedingt mit jedem Fernseher.

    Für RGB muss Pin 16 der Scartbuchse eine Spannung von 1 bis 3 Volt bekommen. Das kannst Du provisorisch auch erstmal mit einer 1,5Volt-Batterie oder einem Universalnetzteil testen (Pluspol an Pin 16, Masse an Pin 18).

    //Nachtrag: Die Leitung von VSync zu Pin 16 muss für diesen Test entfernt werden.

    CU

    Kratznagel

  • ok das mit der spannung auf scart pin16 probiere ich mal. vorher messe ich mal wieviel volt der atari auf dem pin liefert.

    ich habe auch die version ohne diode und elko probiert und das kabel direkt connected. gleiches ergebnis des bildes.

    das netzteil des atari st ist neu und ersetzt worden duch ein SNT RD 35A.

  • vorher messe ich mal wieviel volt der atari auf dem pin liefert.

    Da das ein Sync-Signal ist, dürfte es periodisch zwischen 0 und schätzungsweise 3 bis 5 Volt hin- und her gehen. Der Elko soll das dann wohl glätten, so das eine konstante Spannung über 1 Volt entsteht. Ob das wirklich so ist, kann man sich mit einem Oszi in der laufenden Schaltung angucken. Ein einfaches Multimeter hilft da nicht.

    Mein Verdacht ist, dass der TV die Spannung einbrechen lässt. Man könnte auch mit dem Kondensatorwert experimentieren.

    Aber um andere Fehlerquellen auszuschließen kann man es auch erst mal mit einer externen Spannungsquelle probieren.


    CU

    Kratznagel

  • Es dürfte am Kabel liegen. Hab nun den zweiten Scart ausprobiert und siehe da es gab einen Ton (summen) und das Bild war zwar nach links verschoben aber es haben keine Pixel/Spalten gefehlt.

    War aber trotzdem alles Grau in Grau und von grünem Rahmen keine Rede.

    Ich werde mich daher nochmals dem Kabel zuwenden.

  • Ich denke im Gegenteil, daß es am TV liegt! Der STf hat keinen Modulator, der der STfM schon. Ich habe es mal gehabt, daß ich mit einem STf und ein kommerziell hergestelltes Kabel an einem Röhren-TV kein vernünftiges Bild erhielt. Es blieb schwarz und je heller ich ihn drehte, sah man Konturen ähnlich der Deinen. Bei einem STM aber kam bei gleicher Einstellung am TV ein "schönes", klar erkennbares ST Low Res Bild! Wie ich heute weiß, liegt das an der Beschaltung von CSync (Pin 2) im Atari. Beim STf (non Modulator) sind hier lediglich H- und VSync gekoppelt, beim ST mit Modulator zusätzlich die Farbsignale zu einem vollwertigen CSync, was dem FBas der 8bit Computer a la Atari XL/XE entspricht. Der TV nimmt praktisch alle Informationen zum darzustellenden Bild aus dem Signal am Pin 20. Falls Du die Möglichkeit hast, ein Menü aufzurufen, den Scart-Anschluß auf RGB umzuschalten, dann mache das mal Testweise!

  • Mein TV hat sowas ähnliches auch mit meinem Amiga über scart gemacht, musste dann immer Videotext drücken um ein gutes Bild zu bekommen. Beim Kumpel auch immer.

  • Es ist vollbracht. Ich habe nochmals den Atari Monitorstecker nachgelötet und jedes Pin mit Schrumpfschlauch isoliert und abschliessend wieder die Diode und Elko am Scart eingelötet (vorher Bauteile getestet) und voilar ... er hat mich belohnt.

    Jetzt muss ich nur noch rausfinden wie ich auf hohe Auflösung komme. Scheinbar nicht mit Scart 😂

  • Für die hohe Auflösung gibt es einen Pin an der Monitorbuchse, um den jeweiligen Monitor zu "erkennen". Ohne diese Erkennung geht Hires mono nicht.

  • Jetzt muss ich nur noch rausfinden wie ich auf hohe Auflösung komme. Scheinbar nicht mit Scart 😂

    Natürlich nicht Scart! Die Hohe Auflösung erreichst Du, indem Du auf Bitte melde dich an, um diesen Link zu sehen.! Wichtig: für die hohe Auflösung werden die Signale nicht über die RGB Leitungen geführt, sondern es gibt eine separaten Pin zur Ausgabe! An Pin 4 muß ein Massepotential angelegt werden, wenn der ST in die Hohe Auflösung schalten soll. Da er ansonsten unbeschschaltet sein muß, wird das über einen Schalter geregelt. Teste auch mal, ob an dem VGA auch das RGB Signal funktioniert, und falls ja, dann baue Dir eine Omschaltung nach Post Bitte melde dich an, um diesen Link zu sehen. (für Multisync Monitore). Ich habe meine Umschaltung über getrennte Anschlüsse nach neueren Kenntnissen immer weiter revidiert. Ursprünglich war die Idee, den Coloranschluß entsprechend 9polig VGA Pinout nachzuempfinden und nur über einen Schalterweg umzuschalten. Weil nach jüngeren (Er)kenntnissen aber sinnvoll ist, daß am unbenutzten Monitor die "höherfrequentierten" Syncsignale Schaden verursachen könnten, werden sie mit dem Umschalten auch nur zum gerade benötigten Montor umgeschaltet. Da auch Scart Anschlüsse für Color zum Einsatz kommen können, habe ich die GND Pins auf 2 reduziert ...

  • Jetzt muss ich nur noch rausfinden wie ich auf hohe Auflösung komme. Scheinbar nicht mit Scart 😂

    Natürlich nicht Scart! Die Hohe Auflösung erreichst Du, indem Du auf Bitte melde dich an, um diesen Link zu sehen.! Wichtig: für die hohe Auflösung werden die Signale nicht über die RGB Leitungen geführt, sondern es gibt eine separaten Pin zur Ausgabe! An Pin 4 muß ein Massepotential angelegt werden, wenn der ST in die Hohe Auflösung schalten soll. Da er ansonsten unbeschschaltet sein muß, wird das über einen Schalter geregelt. Teste auch mal, ob an dem VGA auch das RGB Signal funktioniert, und falls ja, dann baue Dir eine Omschaltung nach Post Bitte melde dich an, um diesen Link zu sehen. (für Multisync Monitore). Ich habe meine Umschaltung über getrennte Anschlüsse nach neueren Kenntnissen immer weiter revidiert. Ursprünglich war die Idee, den Coloranschluß entsprechend 9polig VGA Pinout nachzuempfinden und nur über einen Schalterweg umzuschalten. Weil nach jüngeren (Er)kenntnissen aber sinnvoll ist, daß am unbenutzten Monitor die "höherfrequentierten" Syncsignale Schaden verursachen könnten, werden sie mit dem Umschalten auch nur zum gerade benötigten Montor umgeschaltet. Da auch Scart Anschlüsse für Color zum Einsatz kommen können, habe ich die GND Pins auf 2 reduziert ...

    blöde frage - die schaltung stellt eine umschaltung zwischen vga und scart da ?

    den vga adapter hab ich mir geleistet daher bin ich schon auf der hochauflösung.

    aber trotzdem danke für die tolle beschreibung !!!!

    aktuell ärgere ich mich mit der sh205 rum, die einmal geht dann wieder nicht. ich denke ich muss mir dazu mal die richtigen ahdi treiber (aktuell arbeite ich mit dem letzten 6.0.xx ansehen)

    Kabel habe ich 1:1 auch wieder selbst gemacht und funkt.

    und zu guter letzt repariere ich noch eine original maus. dann ist das atari set fertig.

    Leider gibt es für Atari kaum Spiele zum Download auf die Originalmaschine sondern nur auf Emulatoren.

    Aber das werde ich mal in einem anderen Thread einwerfen.

  • Ich habe meine SH205 mit SCSI-Tools betrieben - das ist ein weitestgehend menügesteuertes Treiberpaket, das auch mit anderen HDD-Systemen als worauf die Benennung hindeutet. Bei der AHDI (Atari-eigenes Treiberpaket) Hatte mir auch immer Probleme gemacht, daß man (fast) allen umständlich per Hand einrichten mußte ...!

  • Ebster 5. Juli 2020 um 23:51

    Hat den Titel des Themas von „eigenartiges Bild bei ATARI 1040STF und selbst gemachtem SCART Kabel“ zu „Eigenartiges Bild bei ATARI 1040STF und selbst gemachtem SCART Kabel“ geändert.
  • Ich habe meine SH205 mit SCSI-Tools betrieben - das ist ein weitestgehend menügesteuertes Treiberpaket, das auch mit anderen HDD-Systemen als worauf die Benennung hindeutet. Bei der AHDI (Atari-eigenes Treiberpaket) Hatte mir auch immer Probleme gemacht, daß man (fast) allen umständlich per Hand einrichten mußte ...!

    Hast du einen Link für mich wo ich mir die richtigen Tools runterladen kann ?
    Noch eine zweite Frage:

    mein VGA Adapter, den ich mir für die hohe Auflösung geleistet hab, ist eine zeitlang auf meinem LCD Monitor gegangen, nun nicht mehr weil der Monitor mit „ausserhalb der Spezifikation“ nun kein High Bild mehr anzeigt.

    Hast Du eine Idee womit ich doch noch ein High Bild auf meine Monitore zaubern kann ? keiner meiner Monitore zeigt mir nun ein High-Resolution Bild mehr an.

    1000 Dank

    Alex

  • Hast du einen Link für mich wo ich mir die richtigen Tools runterladen kann ?
    Noch eine zweite Frage:

    mein VGA Adapter, den ich mir für die hohe Auflösung geleistet hab, ist eine zeitlang auf meinem LCD Monitor gegangen, nun nicht mehr weil der Monitor mit „ausserhalb der Spezifikation“ nun kein High Bild mehr anzeigt.

    Hast Du eine Idee womit ich doch noch ein High Bild auf meine Monitore zaubern kann ? keiner meiner Monitore zeigt mir nun ein High-Resolution Bild mehr an.

    1000 Dank

    Alex

    Zu SCSI Tools: Alles, was ich im Netz dazu fand, war unvollständig oder ältere Versionen. Die Versionen, die mir vorliegen, sind v6.18, v6.52 uns v6.56 - Letztere aus 1996. Du erhälst noch 'ne PN!

    Zu Deinem VGA Adaptder: Schau mal, ob zwischen Pin 4 und Pin 13 am Atari Stecker eine Verbindung bestegt. Liegt am Pin 4 ein Massepotential an, soll der Atari Monochrom ausgeben, andernfalls Farbe! Falls das OK ist, muß etwas mit dem Atari nicht stimmen - ich glaube nicht, daß plötzlich mehrere Monitore zeitgleich ein Signal nicht mehr verarbeiten, das zuvor anstandslos klappte!

  • ich habe nun öfter gelesen dass es an den 70Hz liegen soll die der atari ausgibt ?

    Einmal editiert, zuletzt von awiltschek (10. Juli 2020 um 13:19) aus folgendem Grund: problem gelöst man musste auf den kaum bedienbaren schalter die einstellung wählen und speichern ! https://www.ataristsales.co.uk/shop/parts-and-spares/atari-st-parts-and-spares/atari-st-custom-upgrades/ubeswitch-mk6-v1-3-video-sound-adaptor-atari-st-computer-din-vga-colour-and-high-res-mono/

  • Ich persönlich halte von dem in Deinem "edit" verlinkten VGA Umschalter nicht viel" Einerseits ist er schlecht erreichbar und das Umschalten könnte sich negativ auf die alten Buchsen auswirken (Seitenkräfte) Eine Umschaltbox bringt auch nur was, wenn ein Multisync (meist NEC 19") zum Einsatz kommt. Ich schwöre dann auf ein etwas größeres (zB. Modul-) Gehäuse, in dem ich die RGB Signale über einen 4 x Um Schalter (Inmnenkontakte zum VGA Anschluß) leite!

  • Monochrom geht nicht über Scart, das ist ein völlig anderes Videotiming. Vergiss das mit dem Röhrenmonitor.

    Nimm einen anstämdigen 15kHz fähigen VGA-TFT (z.B. einen NEC Multisiync TFT 1990nxp/sxi oder 1970nxp) und bestelle dir diesen umschaltbaren VGA-Adapter:

    Bitte melde dich an, um diesen Link zu sehen.

    "MCSWITCH (ATARI Monochrome & Color to VGA ADAPTOR)"

    Den baust du für das Geld nicht selbst nach.

    Passende TFTs findest du in eBay. Nachfolgend eine Übersicht über passende Monitore: Bitte melde dich an, um diesen Link zu sehen.

    Mal hier, mal da, mal dort. Aber auf jeden Fall auf der Bitte melde dich an, um diesen Link zu sehen.! Und hier Bitte melde dich an, um diesen Link zu sehen.!