Mein neuer C128D Blech...

Es gibt 56 Antworten in diesem Thema, welches 7.934 mal aufgerufen wurde. Der letzte Beitrag (6. Juni 2020 um 01:37) ist von HOLY MOSES/ROLE.

  • Hab alle ausgelötet und durchgemessen. War klar, die letzte war defekt (links neben der Minispule).

    Auf der kaputten Diode steht "74 SR503"...

    Bitte melde dich an, um diesen Anhang zu sehen.

    Ich hab noch welche auf Lager mit der Bezeichnung "IN5408G 551". Oder extrem fette "P 600K"... kann ich da eine von nehmen?

    Bitte melde dich an, um diesen Anhang zu sehen.

    Gruß & Kuss zum Wochenschluss,
    Holy Moses/Role

    Bitte melde dich an, um diesen Link zu sehen.

    Bitte melde dich an, um dieses Medienelement zu sehen.

  • Nimm einfach eine SX-64 Tastatur...die wachsen doch auf Bäumen. Female/female Adapter dran und fertig :biggrin:

    Ja, sehr gute Idee. :P

    Kann man keinen Adapter bauen, von 25 polig Sub-D auf C128 Steckleiste, um eine ausgebaute Tastatur aus nem flachen C128 anzuklemmen?

    Gruß & Kuss zum Wochenschluss,
    Holy Moses/Role

    Bitte melde dich an, um diesen Link zu sehen.

    Bitte melde dich an, um dieses Medienelement zu sehen.

  • Hab alle ausgelötet und durchgemessen. War klar, die letzte war defekt (links neben der Minispule).

    Auf der kaputten Diode steht "74 SR503"...

    Bitte melde dich an, um diesen Anhang zu sehen.

    Ich hab noch welche auf Lager mit der Bezeichnung "IN5408G 551". Oder extrem fette "P 600K"... kann ich da eine von nehmen?

    Bitte melde dich an, um diesen Anhang zu sehen.

    Die SR503 kann man noch bekommen:

  • Kann man keinen Adapter bauen, von 25 polig Sub-D auf C128 Steckleiste, um eine ausgebaute Tastatur aus nem flachen C128 anzuklemmen?

    Doch, es gibt irgendwo eine Pin-zu-Pin Belegung im Netz.

    Dort wird gezeigt, dass die C128-Basis-Qwerty-Tastatur dem C64 entspricht, nur die Extra-Tasten sind über Erweiterungs-Pins angeschlossen.

    Und das C128D und C128-wiederum technisch identisch sind.

    Und C64 gleich SX-64, also geht alles mit allem, solange du die C128-Sondertasten nicht brauchst.

    A500+A570/1MB+2MB, A1200 recapped 3.1.4 2MB+8MB 8GBCF Ethernet, CTDV"-mit-alles"+Joyports, DX64+internHDD, CD32 recapped, C128D+ProspeedGTI2.0, C128DCR, diverse 3rd party, "MerkurHappytouch" als MameCab CRT Touchscreen

    ´92 VW T3 Multivan mit diesen und jenen kranken Features...

  • Okay, hab alles wieder eingelötet, die defekte Diode durch die P600K ersetzt...

    Sicherung fliegt immer noch raus. Jetzt kommt auch vor der kleinen Spule Qualm raus.

    Bitte melde dich an, um diesen Anhang zu sehen.

    Hatte gehofft das man von unten was sieht, aber Pustekuchen:

    Bitte melde dich an, um diesen Anhang zu sehen.

    Die kleine Diode unten rechts im oberen Bild kann dafür nicht verantwortlich sein, oder?

    Gruß & Kuss zum Wochenschluss,
    Holy Moses/Role

    Bitte melde dich an, um diesen Link zu sehen.

    Bitte melde dich an, um dieses Medienelement zu sehen.

  • Aufgrund des Stromlaufplans würde ich vermuten die Rauchzeichen kommen von R12, scheint mir als Sicherungswiderstand gedacht zu sein, sollte irgendwo im bereich 0.2 Ohm sein. Würde vermuten V7 ist durchgesteuert weil die 5V nicht stimmen oder V7 (Thyristor) ist defekt. Zum testen würde ich den mal entfernen und gucken was auf den 5V passiert (ohne C128 dran !)

  • Hmmm... V7 ist eine Diode. Bleiben ja nicht mehr viele zur Auswahl... :D

    Hab diese beiden Schnuckels ausgelötet (hoffe V7 ist dabei), sind laut Messwerte aber i.O.:

    Bitte melde dich an, um diesen Anhang zu sehen.

    Die 5V kann ich leider nicht messen, wenn andauernd die Sicherung durchbrennt...

    Gruß & Kuss zum Wochenschluss,
    Holy Moses/Role

    Bitte melde dich an, um diesen Link zu sehen.

    Bitte melde dich an, um dieses Medienelement zu sehen.

  • Hm, laut dem Schaltbild ist es der hier : Bitte melde dich an, um diesen Link zu sehen.

    Sollte also 3 Beine haben. Habe die Platine selbst nicht , vermute aber es müsste das markierte im Bild sein, sonst bleibt da ja nicht mehr viel..

    Falls V7 der Schuldige ist, entweder weil durchgesteuert oder auch defekt, sollte sich etwas auf dem 5V Zweig messen lassen wenn test weise entfernt. R12 kann natürlich auch hochohmig sein, wäre ja auch sein Job als Sicherungswiderstand :smile:

    -> Alle Teile-Bezeichnungen beziehen sich auf den Stromlaufplan

    PS : Eine kleine Grundlast auf dem 5V-Zweig wäre zum testen gut, kleines KFZ-Birnchen mit 5W aufwärts oder ähnliches

  • Okay, habe den 3-Füßler auch mal ausgelötet und durchgemessen, zwischen den beiden äußeren Kontakten habe ich eine Diodenfunktion.

    Also lt. Abbildung des Teils in Deinem Link zwischen G und K.

    Müsste das dann nicht auch (lt. Schaltbild) zwischen A und K sein?

    Und zwischen G und K nicht eigentlich Durchgang in beiden Richtungen?

    Ach, ist das kompliziert.

    Bitte melde dich an, um diesen Anhang zu sehen.

    Gruß & Kuss zum Wochenschluss,
    Holy Moses/Role

    Bitte melde dich an, um diesen Link zu sehen.

    Bitte melde dich an, um dieses Medienelement zu sehen.

  • Mit dem Multimeter ist das Teil leider nicht zu prüfen.

    Bitte melde dich an, um diesen Link zu sehen.

    Du kannst dir eine Schaltung zum prüfen aufbauen wie hier beschrieben : Bitte melde dich an, um diesen Link zu sehen.

    Ich würde ihn aber einfach mal weg lassen und gucken was auf der 5V Leitung passsiert, ggf vorher nochmal den Sicherungswiderstand/Shunt R12 checken.

    Die Z-Diode - V6 (auf Deinem Bild oben vermutlich die mit dem ITT Aufdruck) könnte auch durch sein und den Thyristor durchsteuern, zum testen erstmal weg lassen.

  • Okay, das dreifüßige Zeil, welches ich ausgelötet habe, ist die Zener-Diode V6 (Hattest Du oben grün eingekreist auf dem Bild)?

    Und welcher von den ganzen Widerständen ist R12?

    Gruß & Kuss zum Wochenschluss,
    Holy Moses/Role

    Bitte melde dich an, um diesen Link zu sehen.

    Bitte melde dich an, um dieses Medienelement zu sehen.

  • Nein, eine Zener Diode hat nur 2 Beine, der Thyristor hat 3 Beine, ich VERMUTE so wie unten im Bild, habe leider kein Foto der Platine mit Bauteilbezeichnungen gefunden..

    Mal kurz am Rande, auf der Netzteilplatine liegt die Netzspanung von 230VAC an und Du scheinst nicht sooo wirklich sicher im Sattel zu sein was E-Technik betrifft.

    Ist vielleicht nicht die beste Idee wenn Du hier alleine weiter machst , evtl lauert hier Tod und Verderben :grab1:

  • Naja, ganz so schlimm ist es auch nicht, hab beruflich ein wenig damit zu tun, aber da ja heute alles komplett ausgetauscht wird, hat man kaum noch die Möglichkeit das angeeignete Wissen von damals dauerhaft zu vertiefen. Aber trotzdem danke für Deine Sorgen.

    Das von Dir als V7 eingekreiste Teil hat drei Füße und ist das Teil aus Deinem Link bzw. meinem späteren Bild.

    Die Diode V6 hatte ich schon ausgebaut, geprüft und für gut befunden. Ich probier noch ne KFZ-Lampe mit mind. 12V/5W aufzutreiben und dann teste ich das Netzteil nochmal unter Last...

    Gruß & Kuss zum Wochenschluss,
    Holy Moses/Role

    Bitte melde dich an, um diesen Link zu sehen.

    Bitte melde dich an, um dieses Medienelement zu sehen.

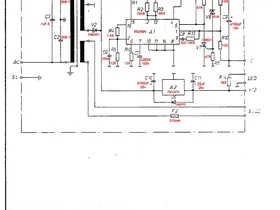
  • Wenn es Quick and Dirty sein darf, wäre es vielleicht am besten den ganzen 5V Teil (im grünen Kasten) zu entkernen und durch einen DC/DC Wandler zu ersetzen:

    z.b. :

    Die dicke Eingansseitige Elko (4700uF/25V) von der Original Platine kann gerne weiter benutzt werden,den zweiten würde ich tauschen gegen einen 100 uF bis 470 uF, ist sonst für den Regler bei jedem Einschaltvorgang fast wie ein Kurzschluss.

  • Wenn es Quick and Dirty sein darf, wäre es vielleicht am besten den ganzen 5V Teil (im grünen Kasten) zu entkernen und durch einen DC/DC Wandler zu ersetzen

    Danke, aber...

    *DAS* übersteigt definitiv meine Fähigkeiten... obwohl... die Grillsasion ist ja eröffnet: Zur Not ein, zwei Würstchen drauf.

    Erstmal den Haufen ans laufen bekommen, will ihn ja schließlich auch benutzen.

    Gruß & Kuss zum Wochenschluss,
    Holy Moses/Role

    Bitte melde dich an, um diesen Link zu sehen.

    Bitte melde dich an, um dieses Medienelement zu sehen.