1351 Adapter Platine

There are 68 replies in this Thread which has previously been viewed 11,693 times. The latest Post (October 14, 2020 at 9:59 PM) was by zorro.

  • Damit der eigentliche Modular64 Thread nicht zu sehr durch die 1351 Adapter Platine gefüllt wird, hab ich mal einen neuen Thread gemacht, in dem man das weitere Design erörtern, und evtl. verschiedenen Versionen erarbeiten kann :smile:

    Die aktuellen Bilder sind bisher nur der erste Schritt um zu einer SMD Platine zu kommen, die in irgendein Gehäuse passt. Ich bin für alles offen, auch das man zum Beispiel etwas vorne am Gehäuse wegbricht, damit z.B. eine Print Buchse trotzdem passt. Das muss man in der Praxis mal ausprobieren.

    Am besten wäre es natürlich, wenn eine SMD Platine herauskommt die möglichst klein ist. Mit dem "Knochen" Gehäuse wäre die Platine länger als die Platinen Version ohne SMD. Jedoch wie schon erwähnt, man kann ja so viele Versionen designen wie man möchte :smile:

    1. Bild: 1351 Platine mit PS/2 Buchse

    2. Bild : 1351 Platine mit flacher USB Buchse

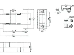
    3. Bild: Gehäuse-Vorschlag von Kinzi: Please login to see this link.

    4. Bild: Mein erster Entwurf für eine SMD Platine die in das vorgeschlagene Gehäuse passen könnte (evtl. mit Anpassungen)

    5. Bild: Gehäuse im Hintergrund (mit Buchse), SMD Platine darüber gelegt

  • Evtl hilft Dir das zum Gehäuse weiter:

    Please login to see this attachment. Please login to see this attachment.

  • Ja, das habe ich als Vorlage genommen :smile:

    Was man hier noch bedenken muss... die Schraubbolzen können wohl nicht verwendet werden, da diese evtl. schon existierenden Einbaubuchsen kollidieren (z.B. bei allen meinen Platinen: Tuning Board, Modular64, Micro/Laptop Board)

    Deshalb habe ich bei meinen 1351 Adaptern diese abgeschraubt:

  • :thumbsup:

    Dann muss jetzt noch ein D-Sub mit Lötkelchen statt Print an die Platine dran :D

    Was man hier noch bedenken muss... die Schraubbolzen können wohl nicht verwendet werden, da diese evtl. schon existierenden Einbaubuchsen kollidieren (z.B. bei allen meinen Platinen: Tuning Board, Modular64, Micro/Laptop Board)

    Der C64 hat ja auch keine wo die dran könnten ..also kein Problem oder :D

  • Dann muss jetzt noch ein D-Sub mit Lötkelchen statt Print an die Platine dran :D

    so in etwa: Please login to see this link. ? ist nur leider zu klein für das Gehäuse :wink:

    So richtig klein bekäme man die Platine wenn man den Resettaster und ICSP weglässt und den Atmega vor dem Löten programmiert. Oder dann doch lieber gleich in die Maus einbauen...

    Please login to see this link. --- Please login to see this link.        Please login to see this link. --- Please login to see this link.
    Please login to see this link. --- Please login to see this link.   Please login to see this link. --- Please login to see this link.

  • Es wäre auch zu überlegen anstatt ein fertiges Gehäuse zu nehmen... eines zu drucken.

    So könnte man den kleinsten 1351 Adapter aller Zeiten designen :smile:

    Bzgl ISCP... da reichen auch 6 Löcher in einer Reihe an der Seite. Dazu einfach ein paar Steckleitungen stecken, um ihn einmal zu programmieren :wink: Der Reset-Schalter ist sowieso überflüssig, und habe ich bei meinem SMD Design schon weggelassen.

  • Bzgl ISCP... da reichen auch 6 Löcher in einer Reihe an der Seite

    so wie beim SwinSIDNano.Da ist die Reihe allerdings in der Mitte.

    Egal,wo Platz ist :thumbsup:. Halbes Rastermaß wäre doch ok.

    Vielleicht will ja später noch einer optimieren, Zeiger-Beschleunigung oder so.

    "Was heute noch wie ein Märchen klingt,kann morgen Wirklichkeit sein.Hier ist ein Märchen von übermorgen.Es gibt keine Kupferka­bel mehr,es gibt nur noch die Glasfaser und Terminals in jedem Raum.Man siedelt auf fernen Rech­nern.Die Mailboxen sind als Wohnraum erschlossen.Mit heute noch unvorstellbaren Geschwindigkeiten durcheilen Computerclubs unser Da­tenverbundsystem.Einer dieser Com­puterclubs ist der CCC.Gigantischer Teil eines winzigen Sicher­heitssystems,das die Erde vor Bedrohungen durch den Gilb schützt.Begleiten wir den CCC und seine Mitglieder bei ihrem Patrouillendienst am Rande der Unkenntlich­keit. CCC'84 nach ORION'64"

  • Ich habe es mal auf die Spitze getrieben :smile:

    Der ICSP Anschluss konnte so bleiben, weil die Buchse nun mal so breit ist wie sie ist, und deshalb dort am Rand der ICSP gut Platz gefunden hat.

    Ergebnis: 4.2x3.1 cm (im C64 versenkt: ~3.4x3.1 mm)

    Da die "elektronischen" Bauteile jetzt nur noch einen schmalen Bereich einnehmen und direkt am C64 Gehäuse liegen, und alles so extrem "kurz" ist, wird eigentlich kein Gehäuse benötigt.

  • Hab den 1351 Micro-SMD Adapter mal durchgerechnet (da ich möglichst kein SMD löten möchte, also schon fertig SMD bestückt/gelötet), inkl. Lieferung (Warensendung, glaub das sind 2,20€) und 3 Buchsen (9 Pol Joystick, PS/2 Buchse, USB Buchse flach), wären das ca. 10€. Viel mehr würde ich dafür auch nicht ausgeben wollen. 15€ wären noch ok, alles darüber eher nicht :smile: Ich denke mit 12€ wäre man auf der sicheren Seite (Teilekosten bleiben ja leider auch nicht immer gleich).

    Die SMD Version hätte den Vorteil, dass die Platine bereits schon fertig programmiert sein könnte, und nur noch die beiden Buchsen angelötet werden müssen.

    Also wenn nicht gerade 3D Druck für das Gehäuse, würde ich eher kein Gehäuse verwenden, da dies alles nur vergrößert :D

    Zum Vergleich, die "nicht" SMD Version der 1351 Platine hat die Maße 5,6x3cm. Man spart mit der SMD Version also ca. 1,5 cm an Länge.

    Edited 9 times, last by Matthias (May 20, 2020 at 12:14 AM).

  • Da die "elektronischen" Bauteile jetzt nur noch einen schmalen Bereich einnehmen und direkt am C64 Gehäuse liegen, und alles so extrem "kurz" ist, wird eigentlich kein Gehäuse benötigt.

    Hmmm...Also ich bin kein Fan von offenen Platinen am Joystickport wo man dran rum grabbelt, die einen direkten Zugang zur CIA haben... Du etwa? :D

    Bei so einer kleinen Platine langt man zwangsläufig auf den Chip und die Kontakte

    Please login to see this picture.

    Edited once, last by ch1ller (May 20, 2020 at 1:37 AM).

  • Wenn sie klein genug sind nicht :smile: Ich habe eher Angst mit dem Finger in den "offenen" Port zu greifen, denn damit hab ich mir 1985 den Schnelllader Speeddos+ geschrottet :wink: Obwohl das mit den EMI-Filtern wohl nicht mehr so einfach möglich ist, oder irre ich mich da?

    Ich wüsste nicht was bei der SMD Platine schief gehen könnte. Da etwas zu berühren wird schwierig. Alles liegt sehr eng eingekeilt zwischen den beiden Buchsen, und die Platine ragt auch keine 8cm aus dem C64 Port hervor, sondern nur 3cm :D

    Problematisch wird es nur, wenn man ein paar Schraubendreher rumzuliegen hat, und diese unter den Joystickports liegen ^^

    Wer auf Nummer sicher gehen möchte, kann ein paar Lagen Isolierband rumwickeln :D

    Ne, mal im Ernst, muss ja nicht so bleiben. Vorschläge :wink:

    Edited 5 times, last by Matthias (May 20, 2020 at 1:52 AM).

  • Oha, stimmt :smile:

    Ich werde gleich noch die Knochengehäuse Version machen, mit der Lötfahnen 9 Pol Buchse.

  • Wieso ist an beiden Enden des 'Knochens' diese Verbreiterung der Platine? Soweit ich das überblicke, dient der Bereich weder zur Befestigung noch für Bauteile. Erschwert eigentlich nur das Überziehen des Schrumpfschlauches.

    Die beste Möglichkeit, Dummheit zu verbergen, ist korrekte Rechtschreibung ...

  • Schrumpfschlauch ist nur für die Micro SMD Variante darüber gedacht :smile:

    Der Knochen kommt ins Knochengehäuse :smile:

    Ursprünglich war die Platine auch nur ein Rechteck, bis es die Kritik daran gab das es das ganze Gehäuse ausfüllen sollte. Deshalb habe ich das dann so umgesetzt :wink:

    Wenn die Platine das Gehäuse füllt, hält das Gehäuse die Platine in gewissen Bahnen, also stabil auf einer Position.

    Edited 2 times, last by Matthias (May 20, 2020 at 4:25 AM).

  • Hier ist die Version für das Knochen-Gehäuse

    :rolleyes::thumbsup:

    Ist das Gehäuse nicht symetrisch aufgebaut? Hab die Maße jetzt nicht geschaut...

    Falls ja, dann passt da was nid :)

    Please login to see this attachment.

  • Der Knochen kommt ins Knochengehäuse :smile:

    Ursprünglich war die Platine auch nur ein Rechteck, bis es die Kritik daran gab das es das ganze Gehäuse ausfüllen sollte. Deshalb habe ich das dann so umgesetzt :wink:

    Wenn die Platine das Gehäuse füllt, hält das Gehäuse die Platine in gewissen Bahnen, also stabil auf einer Position.

    Es birgt aber auch die Gefahr, dass die Platine gar nicht reinpasst und man "Hand anlegen" muss.

    Wenn man die "Lötkelch"-Buchsen nimmt und die Platine dort "einklemmt", hält das prima - die Buchse wird dann vom Gehäuse festgeklemmt. Ich kenne es eigentlich nicht anders. Allerdings ist die Platine dann in der Mitte, eine PS/2-Buchse geht sich dann nicht mehr aus.

  • Wenn dann nur flache USB Buchse. Um das passgenau zu machen muss natürlich erst einmal das Gehäuse bestellt werden, und dann vor Ort mal genau nachmessen, und die Platine final anpassen.

    Am Ende wird man auch bei diesem Gehäuse Kompromisse eingehen müssen, da es für 2 x 9 Pol Buchsen und nicht für 1 x 9 Pol und 1 x USB Buchse gebaut wurde :smile: Deshalb bin ich eher nicht für eine Platine mit Gehäuse, es sei denn jemand druckt ein 100% "passendes" :wink:

  • Hier ist die Version für das Knochen-Gehäuse

    :rolleyes::thumbsup:

    Ist das Gehäuse nicht symetrisch aufgebaut? Hab die Maße jetzt nicht geschaut...

    Falls ja, dann passt da was nid :)

    Please login to see this attachment.

    :wink: Ich mache es wie Windows... bloß nichts perfektes produzieren, sonst haben die Menschen plötzlich nichts mehr zu tun :D

    Ja, da fehlte 1mm. Da aber das Gehäuse eh nicht für USB gemacht wurde, wäre es nicht aufgefallen :whistling:

    Vielleicht findet sich ja noch jemand der ein passendes "druckt"